Lắp ráp điện tử Căn bản

icon-lich.svg 20/10/2025
LẮP RÁP ĐIỆN TỬ CĂN BẢN
(Dựa theo cuốn sách cùng tên được tái bản lần thứ nhất có sửa chữa bổ sung)
Được biên tập và phát hành bởi: NHÀ XUẤT BẢN KHOA HỌC VÀ KỸ THUẬT
Lời giới thiệu
Lắp ráp điện tử (electronic assembly) ở Việt Nam là một ngành không mới, bởi nó có bề dày lịch sử hơn 30 năm. Nói đến công nghệ lắp ráp điện tử thì ai ai cũng có thể nhận ra các sản phẩm tiêu dùng quanh chúng ta ngày nay đều hầu như có sự hiện diện của nó, nhưng nói về cách lắp ráp để có được một sản phẩm điện tử thì ngay cả các kỹ sư chuyên ngành điện tử ở các trường đại học lớn ở Việt Nam cũng còn chưa thực sự rõ hết. 
Tham gia ngành lắp ráp điện tử cũng là một nghề có rất nhiều cơ hội phát triển ở Việt Nam, vì hiện nay nhiều tập đoàn điện tử nổi tiếng trên thế giới chọn Việt Nam làm nơi lắp ráp, đó là lí do một kỹ thuật viên có kinh nghiệm về lắp ráp điện tử công nghiệp luôn có cơ hội về công việc cũng như mức thu nhập dồi dào. 
Trên thực tế, các kỹ sư điện tử mới ra trường đều phải qua đào tạo lại tại các công ty tuyển dụng mới để có thể dần tiếp cận công nghệ/kỹ thuật lắp ráp điện tử công nghiệp, điều đó cũng khó có thể nói đến việc tiếp quản, hay xa hơn là đóng góp công sức phát triển thành ngành mũi nhọn. 
Sự thiếu hụt thông tin cũng như khả năng đào tạo công nghệ/kỹ thuật lắp ráp điện tử công nghiệp có thể đã làm cho ngành Điện tử Việt Nam chậm phát triển, nếu không muốn nói là vẫn chỉ mãi quanh quẩn mức lắp ốc, gắn vít. 
Tác giả với quá trình học tập, làm việc trong và ngoài nước cũng như công tác trực tiếp tại các nhà máy sản xuất điện tử công nghiệp nhiều năm, đã trải qua hầu hết các vị trí khác nhau trong sản xuất từ lắp ráp bằng tay đến vận hành máy thiết bị, làm kỹ thuật viên, kỹ sư trưởng chịu trách nhiệm kỹ thuật cho nhà máy. Từng công tác tại dây chuyền ở vị trí sửa lỗi, sửa chữa, cho đến phụ trách công tác sửa chữa, bảo hành sản phẩm sau bán hàng, trở thành quản lý sản xuất trong nhiều năm, đồng thời cũng tham gia lĩnh vực cung cấp dịch vụ như lắp đặt, sửa chữa, bảo trì, giải quyết sự cố dây chuyền có các máy tự động từ xuyên lỗ đến dán bề mặt, máy hàn sóng (wave soldering) và các công nghệ kỹ thuật hỗ trợ khác như máy rửa PCB, máy sơn phủ bảo vệ… 
Với tất cả tâm huyết của mình tác giả đã tổng hợp lại những kinh nghiệm thực tế và những kiến thức về ngành điện của mình trong cuốn sách này, với mong muốn tạo ra một nguồn thông tin cho các bạn yêu thích ngành điện tử nói chung, các bạn đã, đang và sẽ chọn học ngành điện tử, những người sau này khi làm lắp ráp điện tử công nghiệp có thêm nguồn thông tin để nhanh chóng nắm bắt công nghệ/kỹ thuật để phát triển nghề nghiệp của mình.
NHÀ XUẤT BẢN KHOA HỌC VÀ KỸ THUẬT 
Lời tác giả
Năm đó, khi đang là một kỹ sư công nghệ đảm nhận công việc sắp xếp, bố trí qui trình công nghệ lắp ráp điện tử cho toàn bộ nhà máy với phương thức nhập nguyên cụm (CKD), tôi được giao thêm một công việc mới là tham gia triển khai một phân xưởng nhỏ để cắm linh kiện xuyên lỗ tự động làm nền tảng cho nhà máy tự động hóa sau này. Đây là một lĩnh vực mà tôi chỉ mới được nghe loáng thoáng nên khá phân vân. Với sự hỗ trợ của công ty, một chuyên gia kỹ thuật người Nhật đã được mời sang, nhưng với cái vốn ngoại ngữ và kiến thức còn ít ỏi của tôi trong lĩnh vực đầy mới mẻ này thì tôi chỉ nhìn thấy được một bức tranh mờ mờ ảo ảo về lắp ráp điện tử tự động. 
Cho đến khi tôi đặt chân đến một nhà máy tại Nhật. Trước mặt tôi là một công xưởng với hơn mấy trăm máy hoạt động ồn ào cộng với mùi đặc trưng của các nguyên vật liệu thoang thoảng là lạ. Cái âm thanh và cái mùi đó nó đã đi theo tôi suốt hành trình làm việc sau này, mỗi khi đứng trong không gian như vậy thì tôi biết mình đã, đang hoặc sẽ có hành động hay ý niệm nào đó tương tác vào chuỗi lắp ráp điện tử công nghiệp. Vào thời gian đó, tôi phải đối diện với một số lượng công việc cần tiếp thu rất lớn, bao gồm từ vận hành máy, bảo dưỡng sửa chữa, lập trình đường đi để cắm linh kiện, rồi tìm hiểu tổ chức sản xuất, tổ chức duy tu bảo dưỡng sửa chữa các thiết bị máy móc tự động, thu mua phụ tùng linh kiện thay thế cho máy khác nhau… 
Trở về Việt Nam, tôi tiếp tục đối mặt với một nhiệm vụ mới nữa là huấn luyện tất cả những việc vừa học cho các công nhân, kỹ thuật viên sẽ làm việc trong cái phân xưởng nhỏ đó. Và với “thực tế ảo” là dùng bảng phấn và giấy viết (vì chưa có máy và sách hướng dẫn nào về đến), để bắt đầu cả một chương trình vừa dạy, vừa học. Kết quả của công cuộc dạy “chay” này là một bộ tài liệu ngắn hơn 20 trang ra đời và nó là tài liệu căn bản nhất để vận hành một máy cắm linh kiện, với một bộ hình ảnh vẽ tay mà sau này khi nộp cho phòng công nghệ để duyệt ban hành thành tài liệu hướng dẫn huấn luyện tôi bị gọi là “rảnh quá, không có việc gì làm mà ngồi vẽ linh tinh”– đó là một kỷ niệm. 
Công việc và cuộc sống cứ thế giúp tôi tích lũy nhiều kiến thức, kỹ năng và kinh nghiệm trong lĩnh vực công nghệ/kỹ thuật lắp ráp điện tử. Việc vẽ được những hình ảnh mô tả “chay” đó đã giúp tôi có kỹ năng sau này làm tốt hơn các báo cáo minh họa bằng hình. 
Ngay sau đó, chúng tôi đã tiến hành lắp đặt các máy để đi vào sản xuất, vì ít máy nên ngày đó chúng tôi làm việc ba ca (24/7) và tôi thì phải xoay xở để kiểm soát công nghệ/kỹ thuật tương ứng tiếp theo, tìm ra nhiều phương cách giúp luồng thông tin thông suốt – một kỹ năng giúp tôi thành công trong công tác quản lý sau này. 
Cùng với sự trải nghiệm thực tế tại các nhà máy sản xuất từ Nam ra Bắc, có lần tôi tháp tùng một chuyên gia người Mỹ vào một nhà máy để huấn luyện, giờ giải lao anh kỹ sư của nhà máy nọ hỏi vị chuyên gia đó đại loại là: “Sản phẩm được làm ra sẽ phải gia công tiếp theo như thế nào? Tại sao?”. Vị chuyên gia nọ cũng tận tình lý giải nhưng trong tôi chợt nảy sinh một vấn đề khác là “Anh kỹ sư này chưa hề có khái niệm của chuỗi lắp ráp điện tử công nghiệp?”. 
Một lần khác, khi đang tư vấn tại một công ty về công nghệ rửa bảng mạch, các bạn có đặt một vấn đề ngoài lề đó là “Cùng một loại kem hàn của một hãng, sử dụng cùng một loại PCB cùng lô, cho sản phẩm qua hai lò khác nhau, một lò có chín (09) vùng nhiệt, lò kia chỉ có năm (05) vùng nhiệt, cả hai đều có kết quả đo biểu đồ nhiệt như nhau. Tại sao lò năm vùng cho ra PCB bị cong vênh nặng thậm chí cháy trong khi lò chín (09) vùng nhiệt thì không sao?”. 
Một cuộc điện thoại hỏi “Dạo này bảng mạch đi vào sóng hàn thì sôi xèo xèo, văng bi hàn li ti và mối hàn thì không điền đầy lỗ được, tại sao vậy?”.… 
Tôi nhận thấy các kỹ thuật viên, kỹ sư trong nhà máy biết rất ít về lắp ráp điện tử công nghiệp, tôi đã tự đặt ra câu hỏi: “Tại sao kỹ sư của chúng ta biết ít thế, trong khi lúc còn trên ghế nhà trường họ đi thi đấu ROBOCON thì chả thua kém quốc gia nào?”. 
Tôi lại thấy rằng các cơ sở đào tạo rất giỏi về thiết kế thi công mạch điện tử đơn lẻ, chỉ thích hợp cho công tác trong nghiên cứu chứ chưa có một định hướng đào tạo cho triển khai phát triển sản xuất hàng loạt để trở thành các sản phẩm chinh phục thị trường. 
Lắp ráp điện tử công nghiệp chính là công cụ để thị trường hóa sản phẩm từ phòng thí nghiệm. Các bạn trẻ khi vào làm các công ty luôn thấy một môi trường phức tạp, khó hiểu và xa lạ, ngay cả khi được đi đào tạo nước ngoài về cũng vẫn phải tốn thêm khoảng hai năm kiên trì làm quen, tìm hiểu mới thực sự bắt đầu hòa mình vào các hoạt động đồng bộ trong nhà máy với công nghệ/kỹ thuật liên quan, còn nếu không thì bạn vẫn chỉ là một nhân viên mới vào nghề, bởi lý do đơn giản là nhà máy nào cũng liên tục nâng cấp công nghệ mới. Bạn phải có cách “đuổi theo” mới kịp. 
Hiện nay chúng ta thiếu các nền tảng căn bản của công nghệ/kỹ thuật lắp ráp điện tử nên việc tiếp cận qua tài liệu cũng như đào tạo ở nước ngoài vẫn không thể khắc phục được khiếm khuyết này. Họ (chuyên gia đào tạo) luôn xem các học viên đã nắm rõ căn bản nền tảng lắp ráp điện tử, và các hướng dẫn chỉ làm người học thêm bối rối. 
“Back to Basic” – “Trở lại căn bản”: Tên gọi tôi cho là phải chọn để nắm vững các vấn đề cần tiếp cận, nếu nắm rõ và thấu hiểu, khi đấy bạn không cần phải chạy theo nó nữa, bởi nó phải luôn được thực hiện căn bản như cách nó cần phải đạt được. 
Vậy nền tảng căn bản của Lắp ráp điện tử công nghiệp hiện nay là gì? 
Để hiện thực hóa một sơ đồ mạch điện tử kết nối các linh kiện trên bảng vẽ theo thiết kế chúng ta cần có một bảng mạch in để gắn các linh kiện cụ thể rồi tiến hành hàn chúng (soldering), để gắn linh kiện chúng ta có hai nhóm công nghệ chính là cắm xuyên lỗ (AI) và dán trên bề mặt (SMT). Nền tảng căn bản gồm ba (03) nhóm chính: 
– Lắp ráp điện tử với nhóm linh kiện xuyên lỗ (AI). 
– Lắp ráp điện tử với nhóm linh kiện trên bề mặt (SMT). 
– Lắp ráp điện tử với nhóm công nghệ Hàn (Reflow & Wave). 
Bạn đọc thân mến, cuộc chiến thương mại Mỹ – Trung có thể đẩy thêm các công ty lắp ráp điện tử tràn về Việt Nam, mở ra cơ hội việc làm trong ngành tăng vọt cũng như các công nghệ mới cũng theo đó mà xâm nhập buộc chúng ta phải càng nhanh chóng để tiếp cận, để theo kịp. Nắm chắc căn bản là cơ sở để tiếp thu nắm bắt và phát triển lên mức độ mới cao hơn và vững mạnh hơn. Chúc các bạn thành công.
Nguyễn Nguyên Hạ
Chương 1: GIỚI THIỆU CHUNG
1.1. LỊCH SỬ PHÁT TRIỂN NGÀNH LẮP RÁP ĐIỆN TỬ
Lắp ráp điện tử là một ngành công nghiệp phát triển vượt bậc mà trong đó phát minh ra PCB (Printed Circuit Board) và cho thương mại hóa PCB đóng một vai trò quyết định. Lắp ráp điện tử dựa trên tảng PCB gọi là PCBA (Printed Circuit Board Assembly).
Nhằm đưa ra một bức tranh khái quát về lịch sử phát triển của ngành lắp ráp điện tử trên thế giới, qua đó hình dung con đường hình thành tên gọi PCBA, các nội dung sẽ được liệt kê như sau:
  1. Công nghệ/Kỹ thuật Point to Point
  2. Công nghệ/Kỹ thuật Auto–Sembly
  3. Công nghệ/Kỹ thuật AI (Auto–Insert hay Through–Hole Technology)
  4. Công nghệ/Kỹ thuật SMT (Surface Mount Technology)
1.1.1. Công nghệ Point to point
Là phương thức ráp mạch điện có từ trước năm 1950, Point to point được xây dựng trên những trạm rời rạc, các trạm này làm bằng đồng mạ kẽm được ghép cố định và cách ly bằng barkelite trên một kết cấu sườn cơ khí khác còn gọi là chassis.
Chassis được xây dựng trước, rồi đến các trạm được gắn lên bằng cách tán ri vê hoặc bắt ốc vít, các biến áp, linh kiện lớn, chân đế cắm đèn chân không cũng được lần lượt gắn trên chassis này, sau đó chúng được thực hiện việc kết nối với nhau bởi các chuyên gia lắp ráp và công việc này được thực hiện hoàn toàn là bằng cách hàn tay với sự kết hợp thêm của các dây nối.
Kỹ thuật này còn được tiếp tục sử dụng ngay cả khi PCB đã được thương mại hóa bởi khi đó mạch điện tử còn lấy đèn chân không điện tử làm cơ sở khuếch đại, giai đoạn này có một sự cố gây cho PCB giòn dễ vỡ là do đèn chân không phát ra rất nhiều nhiệt nên kỹ thuật PCB không phát triển, kỹ thuật này còn được sử dụng cho đến đầu những thập niên 70 thế kỷ trước và kể cả ngày nay trong các thiết bị được gọi là ampli Hi-End dùng đèn chân không để khuếch đại.
Point to Point đòi hỏi người lắp ráp phải khéo tay, có hiểu biết ít nhiều về sơ đồ mạch mới có thể lắp ráp được bên cạnh đó kỹ năng hàn tay cũng là một đòi hỏi khá cao để có thể hoàn thành sản phẩm và cuối cùng là công nghệ này gặp rất nhiều khó khăn trong triển khai sản xuất hàng loạt, Point to Point chỉ thích hợp hơn với sản xuất đơn lẻ cho phòng thí nghiệm hoặc thủ công (hand make) theo ý đồ thiết kế riêng.
1.1.2. Công nghệ Auto – Sembly
Auto – Sembly gắn liền với lịch sử phát triển PCB, thực ra PCB được phát minh từ năm 1903 bởi nhà phát minh người Đức tên là Albert Hanson, ông ta cho ép phẳng đồng trên một bảng cách điện, có nhiều lớp, sau đó vào năm 1904 Thomas Edison (Mỹ) thử nghiệm phương pháp mạ kim loại hóa học trên nền giấy lanh. Năm 1913 Arthur Berry (Anh) được cấp bằng phát minh PCB với phương pháp in và ăn mòn hóa học (kiểu mà các sinh viên điện tử đều biết), cùng năm đó tại Hoa Kỳ, Max Schoop lấy bằng phát minh phương pháp bay hơi kim loại qua một mặt nạ để dính vào bề mặt board. Và năm 1927 Charles Durcase lấy bằng sáng chế PCB bằng phương pháp mạ điện kim loại.
Khoảng vào năm 1936, việc nhà phát minh người Áo, kỹ sư Paul Eisler làm việc tại Anh Quốc dùng PCB như một linh kiện để làm ra chiếc radio đầu tiên, ông chính là người khai sinh cho việc sử dụng PCB trong lắp ráp điện tử.
Trong chiến tranh thế giới lần II (WWII), quân đội Mỹ giữ bản quyền PCB trên nền sứ, họ đã sử dụng PCB này cho mạch điện tử (kích nổ gần chạm) trong tên lửa đất đối không để bắn máy bay đối phương trong chiến tranh và xem như nó là bí mật quân sự. Sau chiến tranh, mãi năm 1948 người Mỹ mới thương mại hóa PCB ra thị trường, nhưng PCB vẫn chưa thực sự trở nên phổ biến, cho đến khi vào giữa thập niên 1950, quân đội Mỹ phát triển kỹ thuật Auto – Sembly cho PCB, PCB mới thực sự thương mại hóa.
Công nghệ/Kỹ thuật Auto – Sembly thực chất là gắn tay các linh kiện có chân xuyên qua lỗ khoan sẵn trên PCB (cắm xuyên lỗ bằng tay) rồi cho PCB đó nhúng phía mặt hàn vào bể chất hàn nóng chảy làm cho các chân linh kiện được hàn dính vào mạch in, tức là hàn đồng loạt nhiều chân linh kiện cùng lúc.
Công nghệ này có bốn công đoạn chính:
1) Gắn bằng tay các linh kiện vào PCB, công đoạn này còn được gọi là gắn linh kiện bằng tay (Hand-mount, hand-insert).
2) Đưa PCB đã có gắn các linh kiện ở trên nhúng vào bể chứa chất hàn được nóng chảy, chờ cho phía bề mặt mạch đồng và các chân linh kiện thấm chất hàn rồi nhấc lên để cho đông đặc tự nhiên, công đoạn này còn gọi là hàn tự động hay hàn nhúng (dipping), về sau này, để nâng cao chất lượng mối hàn bể chứa chất hàn nóng chảy được tạo thành dòng chảy (flow) kết hợp rung tạo sóng nên còn được gọi là hàn sóng (wave soldering). 
3) Sau khi hàn xong PCB muốn sử dụng được an toàn phải cắt bỏ bớt phần thừa ra của chân linh kiện, bởi vì muốn hàn tốt chân linh kiện phải có đủ độ dài cần thiết để chống hiện tượng trồi ngược (floating) linh kiện do lực đẩy Acsimet khi hàn nhúng, vì thế khi hàn xong chân thừa linh kiện vẫn khá dài sẽ gây nguy cơ chập mạch không mong muốn, nên buộc phải cắt ngắn, điều đó dẫn đến một hiện tượng xảy ra: khi cắt chân thừa linh kiện là gây ứng lực lên chân linh kiện làm nứt mối hàn và quá trình oxi-hóa sẽ phát triển từ vết nứt này làm giảm tuổi thọ mối hàn, biện pháp khắc phục là quan sát bằng mắt, tìm các vết nứt hoặc có dấu hiệu nứt để hàn tay bổ sung, công đoạn này được gọi là “cắt chân sửa lỗi” (Touch-up), đây là một công đoạn cần khá nhiều kinh nghiệm và tinh nhanh và một thời được cho là công việc quan trọng cho đến khi có công nghệ AI thì mới giảm nhẹ được công tác này.
4) Kiểm tra, cân chỉnh board bằng các gá và các thiết bị hỗ trợ để đồng nhất theo một tiêu chuẩn nào đó rồi chuyển sang giai đoạn lắp ráp (cân chỉnh hoàn chỉnh sản phẩm trong các vỏ, hộp máy).
Khác với Point to point, công nghệ auto – sembly không cần công nhân có trình độ hiểu biết về mạch điện tử, chỉ cần đọc hiểu bản vẽ và không mù màu (để đọc vạch màu sơn trên linh kiện) là có thể lắp ráp linh kiện vào PCB, công đoạn hàn đòi hỏi hiểu biết chút ít liên quan về kỹ thuật luyện kim (Eutectic point), hóa chất phụ trợ hàn (flux), công đoạn cắt chân sửa lỗi đòi hỏi công nhân có kỹ năng hàn tay (hand soldering), đòi hỏi công nhân phải khéo tay, tuy nhiên không phải quá cao.
Công nghệ này giúp ngành điện tử có thể sản xuất hàng loạt sản phẩm tốt hơn, nhanh hơn rất nhiều so với công nghệ trước đây (cuối thập niên 1950, tốc độ sản suất là 03 radio/phút). Tuy nhiên, công nghệ này có một số khuyết điểm nhưng do vẫn dùng tay gắn linh kiện nên tiềm ẩn nguy cơ oxi-hóa chân linh kiện do tay cầm nắm trực tiếp vào linh kiện khi gắn và tác động lực (khi cắt chân) vào mối hàn gây nứt gãy mối hàn mà một số lỗi mắt thường khó phát hiện.
Với những điểm yếu đó cộng với xu hướng giải phóng con người khỏi công việc lao động chân tay mà người ta hướng đến hạn chế tay cầm nắm vào linh kiện, hạn chế tối đa việc cắt chân sửa lỗi gây tác nhân phụ, cộng với xu hướng sử dụng mạch tích hợp (IC) tất yếu cần tránh hiện tượng tĩnh điện gây hư hỏng bộ phận này mà xu hướng dùng máy cắm thay cho con người mà công nghệ cắm linh kiện xuyên lỗ tự động ra đời, gọi là Auto-Insert (gọi tắt AI).
1.1.3. Công nghệ Auto – Insertion 
(Through – Hole Technology)
Từ thời máy tính thế hệ máy tính thứ hai vào thập niên 1950 đến thập niên 1980, tất cả các linh kiện điển hình trên PCB đều là linh kiện xuyên lỗ. Sau đó khi kỹ thuật SMT lên ngôi AI mới mai một dần nhưng không thể biến mất sớm được, bởi một lý do đơn giản là linh kiện SMT chưa đáp ứng phần mạch công suất lớn được như linh kiện xuyên lỗ AI.
Thực chất công nghệ này là dùng cánh tay máy giả lập thao tác con người để cắm linh kiện xuyên lỗ như công nghệ trước đây Auto – Sembly, điểm khác là ngay khi phần chân linh kiện xuyên qua lỗ sang phía bên kia chân linh kiện sẽ được “xén” ngắn vừa đủ đồng thời phần này sẽ được bẻ gấp lại hợp với mặt PCB một góc nhất định, việc này có ba tác dụng như sau:
  • Cắt chân thừa trước khi hàn tránh cắt chân lại, tránh gây ứng lực.
  • Việc lưu trữ sẽ dễ dàng hơn do chân linh kiện được gập dính vào PCB,
  • Có tác dụng kết hợp được với công nghệ SMT (SMT với keo dán) linh kiện SMT ở bề mặt hàn thì phải lật ngược PCB.
Do linh kiện xuyên lỗ có nhiều loại hình dáng khác nhau được phân thành các nhóm được gọi tên như sau:
  • Nhóm con tán (eyelet, rivet)
  • Nhóm dây nối (jumper wire)
  • Nhóm linh kiện đồng trục (axial)
  • Nhóm linh kiện không đồng trục (Radial)
Người ta phải sắp xếp qui trình cắm theo một thứ tự gần như cố định (trong một vài trường hợp đặc biệt có thể đảo ngược nhưng không được khuyến khích áp dụng) và duy nhất, để tránh sự va chạm không cần thiết của các tay máy với linh kiện cắm trước đó.
Một qui trình đầy đủ nhất được mô tả theo các qui trình cắm máy dưới đây theo nguyên tắc độ cao tăng dần (so với mặt PCB):
  • Gắn eyelet (hay hoa thị, con tán, đinh ri vê… tùy vào thói quen gọi)
  • Gắn kẽm (jumper wire) 
  • Gắn linh kiện đồng trục (axial) 
  • Gắn linh kiện bất đồng trục (radial) 
  • Gắn các kiện có hình dáng khác 
  • Gắn tay các linh kiện không thể cắm máy 
  • Hàn sóng 
  • Cắt chân sửa lỗi 
  • Kiểm tra, cân chỉnh
Được hỗ trợ bằng công nghệ CAM/CAD mà công nghệ này hạn chế rất nhiều lỗi sai sót do con người gây ra khi gắn bằng tay. Tuy nhiên, nếu người nạp linh kiện cho máy nhầm lẫn thì sẽ có thể dẫn đến máy gắn sai hàng loạt.
Hình dáng đa dạng của linh kiện kéo theo cơ cấu cơ khí thi hành phức tạp và khó điều chỉnh đòi hỏi kỹ thuật viên phải cân, canh chỉnh máy sao cho nhạy bén và nhiều kinh nghiệm để thực hiện công tác duy tu bảo dưỡng cũng như sửa chữa máy cắm.
Hình dáng bên ngoài của các chủng loại linh kiện khác nhau cũng làm cho công nghệ AI chia nhỏ công đoạn ra để gắn theo nhóm đưa đến cho chúng ta một trật tự cắm có thể là duy nhất và đây cũng chính là điểm khó trong quản lý sản xuất của công nghệ/kỹ thuật AI khi cần cân bằng năng suất giữa các máy.
Do được gấp chân rồi hàn, cộng với độ nghiêng của chân linh kiện với PCB và không cần cắt chân nên mối hàn này tốt hơn nhiều, tuy nhiên, đây cũng là điểm khó khăn cho việc sửa chữa sau này, nếu không đủ kỹ năng sẽ rất dễ gây hỏng mạch in khi tháo thay linh kiện.
Thực tế vẫn còn phải cắt chân sửa lỗi cho những linh kiện gắn bằng tay nhưng số lượng còn lại không nhiều do đó công việc sửa lỗi ít phức tạp hơn.
Công nghệ ngày càng phát triển, chức năng của sản phẩm điện tử càng nhiều và tinh vi hơn đòi hỏi linh kiện cần phải thu nhỏ, board mạch cũng dày đặc linh kiện hơn, cũng như cần nhỏ gọn hơn, vì thế mà đầu tiên linh kiện không có chân xuất hiện (MELF type – Metal Electrode Leadless Face là chuyển biến đầu tiên) tiến đến linh kiện chỉ còn là những khối chữ nhật nhỏ gọi là CHIP, con người ban đầu vẫn có thể dùng tay để gắn những chi tiết này, cho đến khi linh kiện nhỏ đến mức không thể dùng tay, cộng với yêu cầu sản lượng cao, mật độ dày đặc (high density) hơn bên cạnh số lượng lớn trên cùng một PCB mà công nghệ dán bề mặt (SMT) ra đời, hoàn toàn dùng máy và con người chỉ đóng vai trò điều khiển máy móc thiết bị.
1.1.4. Công nghệ Auto – Mount hay SMT
Vào thập niên 1960, IBM tiên phong trong việc phát triển kỹ thuật này cho máy tính cỡ nhỏ để phục vụ chương trình chinh phục vũ trụ của Mỹ, yêu cầu đưa ra là cần thu nhỏ máy tính để đặt trên các tên lửa để phóng vào không gian vũ trụ, bên cạnh yêu cầu cần thu nhỏ mạch điện còn cần làm nhẹ đi kết cấu mạch điện tử và toàn bộ bộ máy tính trên phi thuyền. Kỹ thuật SMT ra đời, tuy nhiên nó chỉ thực sự trở nên phổ biến vào tận cuối thập niên 1980. 
Cũng như công nghệ Auto – Insert, SMT cũng dùng cánh tay máy để dán những linh kiện dạng CHIP lên trên bề mặt PCB, nên được gọi là Surface Mount Technology – SMT.
Thực tế để thực hiện SMT còn có nhiều công nghệ hỗ trợ đi kèm theo mới giúp tạo ra sản phẩm, ví dụ ở giai đoạn tồn tại cả hai Auto – Insert và SMT người ta sử dụng công nghệ dán keo (dispenser) để cố định vị trí CHIP trên PCB bên cạnh các chân linh kiện đã bẻ gập ở công nghệ Auto – Insert sau đó được hàn sóng (wave soldering) cùng lúc với nhau, hay in kem hàn gắn CHIP kết hợp dán keo gắn CHIP đồng thời kết hợp Auto – Insert hàn bằng REFLOW và hàn sóng… SMT phát triển mạnh mẽ và đóng vai trò chính (là trái tim nhà máy) trong các nhà máy đến nỗi người ta lấy SMT làm tên gọi cho toàn bộ quá trình lắp ráp điện tử. 
Thực chất SMT chỉ là một tập hợp các công nghệ chính, quan trọng bậc nhất và đóng vai trò quyết định chất lượng cũng như năng lực một nhà máy trong chuỗi lắp ráp điện tử. Kỹ năng SMT của các kỹ thuật viên hay kiến thức/hiểu biết về SMT của cấp quản lý thể hiện năng lực có thể có của các cá nhân tương ứng. 
Một thứ tự qui trình đầy đủ thời kỳ đầu như sau:
  • Cắm eyelet (hay hoa thị, con tán, đinh ri vê…)
  • Cắm kẽm (jumper wire) 
  • Cắm linh kiện đồng trục (axial) 
  • Cắm linh kiện bất đồng trục (radial) 
  • Cắm các kiện có hình dáng khác thường (odd shape)
  • Lật mặt cắm (để dán CHIP dùng keo dán) 
  • Chấm keo dán (dispenser) 
  • Dán CHIP 
  • Dán IC (nếu có) 
  • Hấp keo (làm khô keo dán, simple reflow) 
  • Cắm tay (các linh kiện không thể cắm máy)
  • Hàn sóng (wave soldering)
  • Cắt chân sửa lỗi (touch – up)
  • Kiểm tra, cân chỉnh 
  • Đóng gói sản phẩm (box build)

Khi công nghệ thu nhỏ linh kiện đạt đến như ngày nay, người ta hầu như loại bỏ hoàn toàn khâu cắm xuyên lỗ cùng dán CHIP bằng keo, chỉ dùng kem hàn để dán linh kiện, qui trình còn như sau:

  • In kem hàn 
  • Dán CHIP 
  • Dán IC 
  • Hàn buồng nhiệt (reflow)

Lật sang mặt kia và qui trình lặp lại như sau:

  • In kem hàn (solder paste printing)
  • Dán CHIP (SMT)
  • Dán IC 
  • Hàn buồng nhiệt (reflow) 
  • Hàn tay các linh kiện không thể dán (vài linh kiện xuyên lỗ)
  • Cân chỉnh
  • Đóng gói vào vỏ hộp (box build)
Điểm yếu của công nghệ hai mặt hàn buồng nhiệt này là qua lần thứ nhất có thể gây lỗi cho lần dán mặt sau và lần qua reflow lần sau gây ảnh hưởng đến mối hàn của lần hàn trước, nếu kết cấu hay vật liệu làm PCB không ở trạng thái phù hợp.
Vì thế mà hiện nay công nghệ SMT có thể thực hiện việc in và dán cả hai mặt rồi qua reflow chỉ một lần duy nhất.
Với mỗi một sự kết hợp giữa các công nghệ người ta luôn đưa ra một qui trình thích hợp, đồng thời khi phối hợp với nguyên vật liệu, công cụ, máy móc hỗ trợ đặc thù thì việc tổ chức sản xuất đòi hỏi kinh nghiệm,
sự nhạy bén của người phụ trách kỹ thuật để điều chỉnh lại các qui trình thực tế khác nhau làm nên những sản phẩm đạt tiêu chuẩn cao trong các công ty.
Để sản xuất SMT trên nền board mềm (flexible board) chúng ta sẽ phải làm thế nào với máy SMT thường chỉ cắm được PCB có độ dày tối thiểu 1.6mm? Trong khi board mềm đã mỏng đạt tới mức 0.09mm (super thin) và có thể gấp lại được như tờ giấy thì việc giữ phẳng và chắc vững cho máy in, máy dán là cần phải có các gá (JIG) hỗ trợ.
Linh kiện thu nhỏ hiện nay đã đạt đến giới hạn làm cho việc in kem hàn khó có thể đáp ứng chất lượng ổn định dẫn đến khó khăn trong kiểm soát sản xuất nên hiện nay một số nhà sản xuất thiết bị SMT đã cho ra đời các thiết bị và các phương thức dán linh kiện lên PCB bằng cách lấy dung dịch FLUX làm chất kết dính. 
Chất hàn đã được chuẩn bị trên các cực hay chân linh kiện, máy dán lấy các linh kiện này như thông thường rồi đưa chân linh kiện này nhúng vào dung dịch FLUX (có một độ nhão nhất định để có thể dính như keo) rồi dán lên PCB cho qua reflow, chất hàn trên chân linh kiện chảy ra hàn dính lên mạch đồng PCB.
1.2. TÌNH HUỐNG LẮP RÁP ĐIỆN TỬ VIỆT NAM
Quá trình toàn cầu hóa, một mặt đang giúp chuyển giao công nghệ cho ngành công nghiệp Lắp ráp điện tử, nhưng mặt khác làm trầm trọng tình trạng hàng nhập khẩu lấn át sản xuất trong nước. Ngành công nghiệp điện tử là một ngành công nghiệp không trẻ của Việt Nam, với những linh kiện điện tử giản đơn đã được sản xuất từ những năm 70 thế kỷ trước, nhưng ngành công nghiệp quan trọng này lại chính thức tồn tại với đa phần là doanh nghiệp 100% vốn đầu tư của nước ngoài. 
Đối với sản xuất hàng điện tử, chi phí lao động chiếm một tỉ lệ không quan trọng, nhưng phải nói rằng những gì Việt Nam đang làm, hoặc là dựa vào lao động rẻ hoặc là dựa vào sự bảo hộ của Chính phủ, không hơn. Nguồn nhân lực trong nước đã không chứng tỏ được lợi thế cạnh tranh về công nghệ hoặc về kỹ năng quản lý, vì hoạt động đào tạo nghiên cứu và phát triển ở mức độ rất thấp. Vì vậy, sản phẩm nếu có của họ phụ thuộc hoàn toàn vào các linh kiện hay cụm chức năng (module) nhập khẩu. Chỉ có các doanh nghiệp 100% vốn nước ngoài là làm ra hàng điện tử xuất khẩu trong đó có giá trị công nghệ, nhưng những linh kiện hay module thiết yếu này chỉ là “quá cảnh sang Việt Nam” rồi lại chuyển tới một vùng lãnh thổ khác. Khi thành phần quá cảnh càng nhiều thì càng hạn chế hiệu ứng lan tỏa công nghệ kỹ thuật, vì thế các kỹ thuật gia Việt Nam sẽ có ít hơn cơ hội khám phá bí quyết công nghệ khi không chứng kiến hết qui trình chế tác các chi tiết quan trọng này. 
Sự phụ thuộc vào các nhà cung cấp nước ngoài về công nghệ kỹ thuật là thách thức lớn nhất đối với sự phát triển của công nghiệp điện tử Việt Nam. Thiếu nguồn nhân lực có khả năng thiết kế và thực hiện các qui trình công nghệ là rào cản khó vượt qua nhất. Để chiếm lĩnh công đoạn tiên tiến hơn trong chuỗi sản phẩm của công nghiệp lắp ráp điện tử thế giới, thật không dễ đối với chúng ta, những người được gọi là làm kỹ thuật trong ngành nhưng vẫn không có bằng chứng là nguồn nhân lực Việt Nam đã tiến lên đáng kể trong chuỗi giá trị này. Hiệu ứng lan tỏa theo cái nghĩa các tiếp thu kiến thức, kỹ năng, kinh nghiệm học được công nghệ tiên tiến để làm ra những linh kiện hay module công nghệ cao, nếu có đã xảy ra vô cùng chậm chạp.
Trong điều kiện phát triển công nghệ còn chưa cao ở Việt Nam hiện nay, để sản xuất hàng loạt sản phẩm với chi phí rẻ, nên trên thực tế nhiều công ty vẫn còn áp dụng Auto – Sembly, hay phối hợp cả Auto – Insert (AI) với SMT keo dán, hoặc AI với cả SMT keo dán và SMT kem hàn, cũng có thể là AI với SMT kem hàn, khi đó qui trình sẽ có thay đổi “dán SMT trước, AI cắm sau”.
Các công ty nước ngoài với vốn nhiều, cần chất lượng và chủ trương sử dụng ít nhân viên nên đầu tư mới thì áp dụng công nghệ SMT hiện đại hơn, đa số họ chỉ dùng SMT với kem hàn.
Để hiểu và có thể nắm bắt công việc hiện tại, cũng như đi tắt đón đầu học tập, tìm hiểu và bổ sung thêm cho mình cách thức sản xuất mạch điện tử trên PCB trong các nhà máy tại Việt Nam, các công nhân kỹ thuật, kỹ thuật viên, kỹ sư muốn hiểu công nghệ này nên tìm hiểu toàn bộ các qui trình hiện đang tồn tại trong sản xuất sản phẩm điện tử tại Việt Nam, tập sách này là một trong những nguồn tham khảo góp phần cho mục đích trên.
Sách cũng giúp cho các nhà quản lý sản xuất và chất lượng có thể hiểu rõ qui trình công nghệ để góp phần nâng cao hiệu quả công tác của mình.
Trong sản xuất thực tế tại các nhà máy còn các qui trình công nghệ khác, các qui trình này đóng góp rất lớn vào việc đảm bảo chất lượng sản phẩm, đó là các qui trình như xử lý‎‎ độ ẩm không khí, nhiệt độ môi trường lưu trữ/bảo quản linh kiện, chống bụi, qui trình chống tĩnh điện, qui trình xử lý keo dán, kem hàn trước khi in, LFS, chế tạo khuôn in (stencil, metal mask), biểu đồ nhiệt máy hàn sóng/reflow (profile), phun flux trong hàn sóng, lưu trữ/vận chuyển/đóng gói PCB thành phẩm/ bán thành phẩm, lưu trữ kem hàn/keo dán… 
Lắp ráp điện tử trong công nghiệp ngày nay không thể chỉ quan tâm duy nhất đến việc chỉ làm sao gắn được linh kiện lên PCB, mà còn phải có các qui trình phụ bên ngoài nhằm mục đích nâng cao chất lượng.
1.3. KẾT CẤU TỔNG THỂ SẢN PHẨM ĐIỆN TỬ
1.3.1. Khái niệm
Mỗi một sản phẩm của lắp ráp điện tử hiện đại được cấu thành từ bốn (4) thành phần là Phần cứng (hardware), Phần mềm cơ sở (firmwave), Phần mềm ứng dụng (softwave/application) và Hình hài bên ngoài (fashioned), được mô tả trong hình như sau:
Hình 1-1: Bốn phần cấu thành sản phẩm điện tử
Yêu cầu kỹ thuật và đáp ứng kỹ thuật được sinh ra từ ý tưởng cách hoạt động của sản phẩm (ý tưởng sản phẩm), nhằm mục đích phục vụ đáp ứng một công việc hay tiện nghi cuộc sống, từ đó chúng ta có thể kết nối ý tưởng sản phẩm trong việc nghiên cứu phát triển sản phẩm mới, để thi công tương ứng phù hợp với điều kiện của tổ chức/công ty của mình, hay nói cách khác là phù hợp năng lực của nhà máy bao gồm năng lực máy móc, thiết bị và tay nghề nhân viên. Các kỹ thuật áp dụng là tùy thuộc vào yêu cầu sản phẩm, mức độ phức tạp cấu thành sản phẩm (gọi là hạng phức hợp được phân định thành mức 2, 3, 5a, 5b, 6, 7, 8) trong trường hợp ngoài khả năng, nhà máy sản xuất có thể chọn gia công ngoài (out sourcing) hoặc mua module có sẵn để giảm thiểu mức phức tạp khi tổ chức sản xuất…
1.3.2. Hạng phức hợp của lắp ráp điện tử
Hình 1-2: Hạng phức hợp của Lắp ráp điện tử 
1.3.3. Mối liên hệ giữa nghiên cứu thiết kế và lắp ráp điện tử
Dựa vào sơ đồ này chúng ta có thể thấy hai phần chính là: Nghiên cứu thiết kế (R&D) và Lắp ráp điện tử (PCBA), trong đó:
Hình 1-3: Sơ đồ chế tạo sản phẩm điện tử
1.3.4. Năm (05) khía cạnh nghiên cứu thiết kế
  • Ý tưởng sản phẩm (Product ideas)
_ Ý tưởng vận hành
_ Chức năng
_ Các tiêu chí
  • Thiết kế (Design)
_ Sơ đồ khối
_ Khối chức năng
_ Mạch thử nghiệm
_ Phần mềm cơ sở
_ Sơ đồ chi tiết
_ Phần mềm hệ thống
_ Phần mềm ứng dụng
  • Chế tạo thử nghiệm PCBP (PCB Protopyte)
Mục đích là hoàn thiện và hiện thực hóa thiết kế ở (mục 2. Thiết kế). Đây là bằng chứng để chuẩn bị kết thúc dự án cho một sản phẩm mới để chuyển sang giai đoạn sản xuất hàng loạt.
  • Chế tạo PCB – PCBF (PCB Fabrication)
_ Nguyên liệu PCB
_ Loại PCB
_ CAD data
_ Gerber data
  • Linh kiện điện tử (Electronic component)
_ Tiêu chuẩn 
_ Công suất
_ Chức năng
_ Cách hiển thị
_ Cách giao tiếp
_ Hệ thống điều khiển
1.3.5. Hai (02) khía cạnh lắp ráp điện tử
1.3.5.1. Thiết kế mẫu DS (Design Sample)
Tạo ra sản phẩm mẫu đúng với tất cả các linh kiện và board mạch sẽ được chọn để sản xuất hàng loạt, bên cạnh đó là kết hợp với vỏ hộp chứa sản phẩm bên trong sao cho bề ngoài phù hợp, nó có thể giúp người sử dụng thuận tiện thao tác đồng thời cũng có khả năng bảo vệ toàn bộ chi tiết bên trong tốt nhất. Để đảm bảo thiết kế vỏ hộp không gây lỗi cho máy mẫu, người ta có thể dùng vật liệu trong suốt để quan sát rõ ràng sự lắp ráp, bố trí bên trong để có thể kịp thời điều chỉnh thiết kế lần cuối trước khi chuyển sang lắp ráp sản xuất hàng loạt PCBM dưới đây. Sự tối ưu thuận lợi nhất cho sản xuất khi máy mẫu được dùng chính dây chuyền sẽ sản xuất hàng loạt sau này.
1.3.5.2. Sản xuất sản phẩm điện tử – PCBM 
(PCB Manufacturing)
Tùy vào mức độ phức tạp (còn gọi hạng phức hợp) của yêu cầu lắp ráp (Class 2, 3, 5a, 5b, 6, 7 hay 8) mà nhà máy áp dụng hết hay một phần các công nghệ/kỹ thuật được liệt kê dưới đây:
_ AI (Eyelet, JW/JP, AX, RA)
_ SMT (Glue, Solder Paste, CHIP/IC mounting, Reflow, AOI…)
_ HM (Cắm/gắn tay)
_ Hàn sóng (Wave soldering)
_ Sửa lỗi (Touch-up)
_ ICT/FCT
_ Ghi IC
_ Rửa PCB
_ Đo độ sạch
_ Chạy hóa già
_ Sơn phủ bảo vệ
_ Lấp phủ bảo vệ
_ Lắp ráp
_ Chống tĩnh điện
_ Đóng gói sản phẩm
_ Phòng sạch
1.4. DIỄN GIẢI THUẬT NGỮ CỦA SÁCH
1.4.1. Công nghệ
_ Là các trình bày hướng dẫn cách thực hiện cơ bản nhất mà không đề cập tới dùng cái gì, phương tiện hay công cụ nào để thực hiện.
1.4.2. Kỹ thuật 
_ Là dùng các phương tiện máy móc, thiết bị thực hiện công nghệ tương ứng để tạo ra sản phẩm cụ thể – ở đây là làm ra bảng mạch điện tử gắn đầy đủ linh kiện và mạch này phải hoạt động được đúng thiết kế.
1.4.3. Kỹ thuật lắp ráp điện tử (PCBA) trong nhà máy 
_ Là tổng hợp những việc sử dụng, vận hành trang thiết bị máy móc, kết hợp các kỹ năng của con người (làm những việc máy móc không làm được) để kết nối các linh kiện điện tử đã được chọn trong quá trình nghiên cứu và phát triển (R &D) nhằm tạo ra sản phẩm điện tử phù hợp với yêu cầu thiết kế theo ý tưởng ban đầu.
1.4.4. Quá trình lắp ráp điện tử 
_ Được tính từ sau công việc nghiên cứu và phát triển (R & D) sản phẩm cho đến khi PCB đã gắn linh kiện đầy đủ hoạt động được bên trong vỏ hộp, lớp vỏ này xác định hình thức bên ngoài của thiết bị, có nhiệm vụ bảo vệ mạch điện tử trong môi trường hoạt động hay cho phép người sử dụng cầm/nắm/sờ/thao tác để vận hành/sử dụng.
1.4.5. Các nguồn thông tin, dữ liệu cần thiết cho lắp ráp điện tử
_ Tất cả các thông tin của kết quả công tác nghiên cứu để dựa vào đó mà sắp xếp vận hành, cũng như áp dụng bổ sung hay huấn luyện đào tạo các kỹ năng tương ứng cho các thành viên có tham gia vào chuỗi lắp ráp điện tử.
Chương 2: LẮP RÁP ĐIỆN TỬ XUYÊN LỖ
2.1. TỔNG QUÁT
Lắp ráp điện tử xuyên lỗ là gắn (cắm) linh kiện có chân kim loại xuyên qua PCB sao cho phần chân linh kiện sẽ chìa ra ở phía mặt hàn của PCB và nó (chân linh kiện) phải có vị trí, độ dài tương ứng phù hợp nhất cho việc hàn (với hàn sóng) có kết quả tốt nhất.  
Cắm xuyên lỗ sẽ được hiện thực hóa bằng các công cụ, máy móc, trang thiết bị và/hay con người để sản xuất những sản phẩm điện tử công nghiệp, với linh kiện thuộc nhóm có chân, cần phải xuyên qua lỗ bảng mạch để hàn, có nghĩa là tạo ra sự chuẩn bị tối ưu nhất những kết nối các linh kiện điện tử lên PCB theo sơ đồ bản vẽ mạch điện tử và các kết nối được gọi là các mối hàn sẽ hình thành khi hàn sóng sau này.
Kỹ thuật cắm linh kiện xuyên lỗ tự động là kỹ thuật giả lập tay người lấy linh kiện, định hình phần chân, gắn chúng xuyên qua lỗ trên PCB, cắt xén phần chân thừa vừa đủ rồi uốn/bẻ/nắn/chẻ sao cho linh kiện cấu kết được với phần kim loại của điểm hàn trên PCB mà không gây hư hỏng bề mặt này.
Linh kiện xuyên lỗ là nhóm linh kiện có chân trong sản xuất điện tử, khi được gắn vào PCB bằng máy thì gọi là linh kiện cắm xuyên lỗ tự động (gọi tắt là linh kiện AI), những linh kiện mà có hình dáng đặc biệt, nếu máy không thể đảm nhiệm hay số lượng ít không cần phải dùng máy, thì người ta gắn bằng tay và được gọi là linh kiện gắn tay (gọi tắt là linh kiện HM).
Kỹ thuật cắm xuyên lỗ tự động là chuỗi thực thi của các máy theo trật tự: 
_ Lấy linh kiện
_ Định hình phần chân
_ Gắn chân xuyên qua lỗ
_ Uốn/bẻ/nắn/chẻ và cắt xén phần thừa (nếu có)
_ Kỹ thuật gắn tay một linh kiện xuyên lỗ gồm có bốn bước: 
_ Lấy linh kiện từ hộp chứa (bằng tay) + thao tác bổ sung (nếu có)
_ Xác định giá trị, cực tính nếu có (bằng mắt)
_ Cho chân linh kiện vào lỗ tương ứng (theo cực tính nếu có)
_ Nhấn linh kiện sát bề mặt PCB hay đến khớp chặn/giữ cho phép
Gắn tay linh kiện xuyên lỗ thường để linh kiện đứng tự nhiên bằng trọng lượng của chính nó (loại linh kiện có chân thẳng), một số loại đặc biệt có chân có khớp chặn hay khớp giữ cơ khí thì khi gắn cần có lực ép phù hợp (xem mô tả).
Hình 2-1: Mô tả tổng hợp bốn công nghệ lắp ráp điện tử xuyên lỗ tự động
Hình 2-2: Đưa chân linh kiện vào lỗ                         
Hình 2-3: Nhấn nhẹ
Hình 2-4: Để linh kiện đứng tự nhiên
2.2. LẮP RÁP ĐIỆN TỬ XUYÊN LỖ TỰ ĐỘNG (AI)
Kỹ thuật xuyên lỗ tự động là gắn các nhóm linh kiện lên PCB, chúng có tên gọi lần lượt là con tán (eyelet gọi tắt là EY), kẽm nối (jumper wire – JW/JP) các linh kiện dạng đồng trục (axial_AX) và không đồng trục (radial_RA).
Hiện tại công nghệ AI trên thế giới có phần thu nhỏ lại rất nhiều do quá trình phát triển mạnh của SMT, ở Việt Nam cũng không tránh khỏi qui luật đó, tuy nhiên do giá thành từ công nghệ này rẻ nên không chỉ ở Việt Nam mà ngay cả ở các nước chung quanh ta như Trung Quốc, Thái Lan vẫn có nhiều nhà máy còn sử dụng công nghệ này.
2.2.1. Gắn con tán (Eyelet)
Hình 2-5: Các loại con tán
Dùng các máy móc thiết bị có tên gọi là máy cắm eyelet, máy tán
ri vê… có thể tự vận hành (auto) hay bán tự động để cắm con tán ri vê (như hình 2-5) lên PCB tại những vị trí cần chịu lực (kgF), chịu nhiệt (oC), chịu dòng (A) hay điện áp cao (V) ví dụ: chân công tắc nguồn, biến áp nguồn (transformer), sò ngang của tivi CRT, hoặc điểm nối dây cấp nguồn đèn nền LCD (backlight)…
Một qui trình thực hiện việc cắm EY được mô tả bằng 5 bước chi tiết như sau: (bỏ qua giai đoạn sắp xếp eyelet trước khi cắm).
Bước 1: Đưa Eyelet (EY) hướng vào vị trí cần cắm trên PCB. Tâm của EY đồng trục với lỗ khoan trên PCB, với máy tự động thì đây và công việc xác lập tọa độ của máy dựa trên CAD data của PCB, nếu máy không có hỗ trợ thì hoàn toàn phụ thuộc vào kỹ năng người công nhân vận hành khi “ngắm” vào “mục tiêu” trước khi “bắn” (hình 2-6).
Hình 2-6: Tâm EY thẳng hàng lỗ cắm
Bước 2: Cắm EY. Đưa EY vào lỗ cần cắm đồng thời đưa búa để chuẩn bị ép EY sát xuống mặt PCB, quá trình này trên thực tế xảy ra rất nhanh nên có thể rất khó quan sát và cảm thấy như búa cùng lúc đưa EY vào lỗ cắm (hình 2-7).
Hình 2-7: Đưa EY vào lỗ cần cắm và chuẩn bị ép búa
Bước 3: Ép sát EY chuẩn bị tán. Đầu búa ép sát phần trên EY xuống mặt PCB (hình 2-8) và chuẩn bị đe để tán.
Hình 2-8: Ép búa vào EY và chuẩn bị đưa đe lên tán
Bước 4: Tán EY. Đe đi dưới lên ép và chẻ EY thành các cánh tương ứng các rãnh dao cắt trên đầu đe (hình 2-9).
Hình 2-9: Đe tán chẻ EY dính vào PCB
Bước 5: Tách khỏi PCB. Búa và đe tách khỏi PCB sau khi hoàn thành một vị trí cắm để chuyển sang một vị trí khác (hình 2-10).
Hình 2-10: Hoàn tất, đe búa rút về để chuyển sang vị trí khác
Kết quả của sau khi cắm EY (hình 2-11), với số cánh chẻ của đe (giả sử) là 5 nên tạo thành sáu cánh đều nhau, hợp với nhau một góc 60o, để đảm bảo không bị tác động của lực từ đe bên dưới PCB vào mạch in thông thường EY sau khi gắn và tán xong các cánh chẻ ra tốt nhất là có khe hở (gap) so với PCB, khe này lớn hay nhỏ thường khó xác định bằng đo đạc, nên theo kinh nghiệm của tác giả thì khoảng gap = 0.05 – 0.2mm, nhưng dễ nhất là hình sao 6 cánh đều nhau, EY có thể còn xoay, dùng ngón tay lắc EY thấy có độ “rơ” nhẹ.
Hình 2-11: Kết quả 2 vị trí EY sau khi cắm
2.2.2. Gắn kẽm nối (Jumper Wire) 
Hình 2-12: Kẽm đã cắm trên PCB
Dùng các máy có tên gọi là máy cắm Kẽm (Jumper wire) để thực hiện gắn dây nối mạch điện có giá trị 0Ω, hay còn gọi là Jumper Wire (JW hay JP) hay dây kẽm nối, hiện nay hầu như tất cả các máy này đều dùng cơ cấu cơ khí rút dần sợi dây kẽm trong cuộn rồi cắt từng đoạn tương ứng, sau đó gấp định hình rồi cắm vào vị trí trên PCB tương ứng, có bảy bước chi tiết cơ bản như sau:
Bước 1: Lấy kẽm (hay còn gọi phun kẽm, đẩy kẽm): Tức là lấy một độ dài kẽm tương ứng với yêu cầu, để sao cho có thể sau khi cắt rời dây chính, độ dài đủ để định hình và sau khi cắm vào PCB còn đủ phần thừa để cắt bẻ được. Lúc này dao cắt sẵn sàng để cắt rời một đoạn dây kẽm (hình 2-13).
Hình 2-13: Lấy kẽm
Bước 2: Chuẩn bị cắt và định hình kẽm: Dao cắt bắt đầu cắt dây kẽm, đồng thời các bộ phận định hình chuẩn bị gấp bẻ dây kẽm, giai đoạn này dẫn hướng cắm cùng bệ định hình áp sát giữ hai đầu của chân linh kiện (hình 2-14). 
Hình 2-14: Chuẩn bị cắt
Bước 3: Cắt, định hình kẽm và chuẩn bị cắm: Dẫn hướng cắm trượt kết hợp với bệ định hình tạo hình phần dây kẽm vừa cắt, lúc này đầu
đẩy cắm chuẩn bị tiếp cận kẽm đã định hình để chuẩn bị cắm vào PCB (hình 2-15).
Chú ý: Trong hình mô tả là cách cắt và định hình tại cùng một thời điểm của một hãng chế tạo máy của Nhật, nên sẽ không đúng với nguyên lý hoạt động của hãng chế tạo máy của Mỹ, họ tách rời hai hoạt động này ra hai bước riêng biệt.
Hình 2-15: Cắt, định hình kẽm và chuẩn bị cắm
Bước 4: Cắm kẽm: Đầu đẩy cắm tiếp cận kẽm đã định hình, rồi toàn bộ hệ thống trượt xuống sát PCB đưa một phần đầu kẽm vào trong lỗ cần cắm trên PCB, bệ định hình bắt đầu rút ra, chấm dứt chức năng của bệ định hình (hình 2-16).
Hình 2-16: Cắm kẽm
Bước 5: Cắm sát PCB và chuẩn bị cắt bẻ chân kẽm: Đầu cắm ép 
kẽm đã định hình sát xuống PCB xuyên qua mặt bên kia, phía bên dưới phần dao cắt bẻ và bệ bẻ đưa lên đón đầu kẽm để chuẩn bị cắt rồi gập vào (hình 2-17).
Hình 2-17: Cắm sát PCB 
Bước 6: Cắt bẻ chân kẽm, dẫn hướng cắm đi lên: Đầu cắm vẫn ép sát kẽm xuống sát PCB bên trên, bên dưới dao cắt bẻ di chuyển kết hợp bệ cắt bẻ, cắt 1 phần thừa của chân kẽm, đồng thời gờ bẻ chân ép đầu kẽm, chân kẽm sau khi cắt bẻ sẽ tạo với PCB một góc tương ứng với cơ cấu hoạt động, phần phôi thừa thường được một hệ thống hút ra bên ngoài (hình 2-18).
Hình 2-18: Cắt bẻ chân kẽm
Bước 7: Tách khỏi PCB. Đầu đẩy cắm trượt lên, toàn bộ dao cắt bẻ và bệ cắt bẻ đi xuống, PCB có một kẽm đã cắm hoàn chỉnh (hình 2-19), máy chuẩn bị cho bước cắm tiếp theo.
Hình 2-19: Tách khỏi PCB
Kết quả sau khi cắm kẽm ta có như trong hình 2-20, với các thông số cần quan tâm là d gọi là độ dài chân linh kiện thông thường 
d = 1.5 – 2.0 mm, với θ = 15 – 30o.  Các giá trị này chỉ có giá trị tham khảo, với các máy khác nhau có thể thông số này khác đi (hình 2-20).
Hình 2-20: Kẽm đã cắm và các thông số liên quan
2.2.3. Gắn linh kiện đồng trục (Axial)
Hình 2-21: Linh kiện AX đã cắm trên PCB
Dùng các máy có tên gọi là máy cắm Axial để gắn các linh kiện là tụ điện, điện trở, cuộn dây, diode có dạng chân đồng trục với thân, thường được gọi tắt là linh kiện dạng Axial (AX), cách gắn gần giống như cắm Kẽm điểm khác là do băng linh kiện AX đóng gói khác (xem hình 2-22 để thấy sự khác biệt), cắm AX có bảy bước:
Bước 1: Đẩy linh kiện đến vị trí cần thiết để chuẩn bị cắt: Băng linh kiện được các cơ cấu đẩy đến vị trí chuẩn bị cắt rời khỏi băng và cũng là để chuẩn bị bước kế tiếp là gấp bẻ định hình. Lúc này dao cắt ở vị trí sẵn sàng cắt đứt chân linh kiện (hình 2-22).
Hình 2-22: Linh kiện được chuyển vào hệ thống dao cắt
Bước 2: Cắt và chuẩn bị định hình: Dao cắt bắt đầu cắt linh kiện, đồng thời các bộ phận định hình chuẩn bị gấp bẻ linh kiện, giai đoạn này dẫn hướng cắm cùng bệ định hình áp sát giữ hai đầu của chân linh kiện (hình 2-23).
Chú ý: Trong hình mô tả là cách cắt và định hình tại cùng một thời điểm của một hãng chế tạo máy của Nhật, nên sẽ không đúng với nguyên lý hoạt động của hãng chế tạo máy của Mỹ, họ tách rời hai hoạt động này ra hai bước riêng biệt.
Hình 2-23: Dao cắt dẫn hướng cắm cùng bệ định hình áp sát linh kiện
Bước 3: Cắt, định hình và chuẩn bị cắm: Dẫn hướng cắm trượt kết hợp với bệ định hình tạo hình phần dây kẽm vừa cắt, lúc này đầu đẩy cắm chuẩn bị tiếp cận kẽm đã định hình để chuẩn bị cắm vào PCB (hình 2-24).
Hình 2-24: Cắt rời và định hình thành chữ U ngược
Bước 4: Cắm: Đầu đẩy cắm tiếp cận linh kiện đã định hình, rồi toàn bộ hệ thống trượt xuống sát PCB đưa một phần đầu chân linh kiện vào trong lỗ cần cắm trên PCB, bệ định hình thu về chấm dứt chức năng của nó (hình 2-25).
Hình 2-25: Cắm vào lỗ bảng mạch
Bước 5: Cắm sát và chuẩn bị cắt bẻ: Bệ định hình rút hẳn khỏi hệ thống, đầu đẩy cắm ép linh kiện đã định hình sát xuống PCB đẩy xuyên chân linh kiện qua mặt bên kia, phía bên dưới phần dao cắt bẻ và bệ bẻ đưa lên đón đầu chân linh kiện để chuẩn bị cắt rồi gập vào (hình 2-26).
Hình 2-26: Ép linh kiện sát bảng mạch và chuẩn bị cắt
Bước 6: Cắt và bẻ chân linh kiện: Đầu cắm vẫn ép linh kiện xuống sát PCB bên trên, bên dưới dao cắt bẻ di chuyển kết hợp bệ cắt bẻ cắt phần thừa của chân linh kiện, đồng thời gờ bẻ chân ép đầu chân linh kiện, 
chân linh kiện sau khi cắt bẻ sẽ tạo với PCB một góc tương ứng với cơ cấu hoạt động, phần phôi thừa thường được một hệ thống hút ra bên ngoài (hình 2-27).
Hình 2-27: Cắt và bẻ chân linh kiện
Bước 7: Tách khỏi PCB: Đầu đẩy cắm trượt lên, toàn bộ dao cắt bẻ và bệ cắt bẻ đi xuống, PCB có một linh kiện dạng AX đã cắm hoàn chỉnh (hình 2-28), máy chuẩn bị cho bước cắm tiếp theo.
Hình 2-28: Tách khỏi PCB
Kết quả sau khi gắn AX ta có như trong hình 2-29, với các thông
số cần quan tâm là độ dài chân d, thông thường d = 1.5 – 2.0 mm, với
θ = 15 – 30o. Các giá trị này chỉ có giá trị tham khảo, với các máy khác nhau có thể thông số này khác đi (hình 2-29).
Hình 2-29: Linh kiện đồng trục đã cắm và các thông số liên quan
2.2.4. Gắn linh kiện bất đối xứng (Radial)
Hình 2-30: Linh kiện có chân bất đối xứng Radial trên bảng mạch
Dùng các máy có tên gọi là máy cắm linh kiện có chân bất đối xứng thân (radial) để gắn các linh kiện là tụ các loại, điện trở, biến trở, cuộn dây, diode, transistor, IC, connector, các trạm, LED… có kết cấu bên ngoài là dạng khác với linh kiện đồng trục Axial (hình 2-30 so với 2-21).
Kỹ thuật cắm RA có hai trường phái là không dẫn hướng chân cắm (như cắm JW và AX) và có dẫn hướng chân cắm (dùng thêm phụ tùng gọi là lead guide pin), với kỹ thuật này tốc độ có thể nâng cao lên, nhưng việc chỉnh sửa sẽ phức tạp hơn nhiều.
Cắm RA cũng qua bảy bước như sau:
Bước 1: Cắt rời linh kiện khỏi băng và cắt vát chân linh kiện (hoặc không cắt vát chân). Linh kiện trên băng được cơ cấu cơ khí đẩy đến vị trí có hai hệ thống dao cắt, 1 là cắt rời khỏi băng linh kiện và 1 là cắt rời khỏi phần giữ. Hình 2-31 chỉ ra hai vị trí sẽ cắt.
Hình 2-31: Vị trí sẽ cắt rời linh kiện ra khỏi băng
Hình 2-32 mô tả chi tiết hơn tại vị trí cắt rời linh kiện khỏi phần giữ, các chân linh kiện được cắt định hình chóp kim tự tháp hay cắt vát (đối với máy Mỹ thì chỉ cắt ngang), lúc này linh kiện phải được 1 ngàm kẹp chân linh kiện giữ để khỏi rơi cũng như chuẩn bị chuyển cho bước kế tiếp.
Hình 2-32: Cắt đầu kim tự tháp hay cắt vát chân linh kiện (kiểu máy của Nhật)
Bước 2: Chuyển linh kiện đến vị trí chuẩn bị cắm: Tùy thuộc vào cơ cấu của máy, tức là tùy thuộc vào thế hệ máy cũ hay hiện đại mà cơ cấu chuyển là giữ chân hay giữ thân linh kiện trong khi di chuyển đến vị trí cắm, ở hình 2-33 vẽ cả hai cơ cấu giữ linh kiện sau khi cắt rời và cơ cấu này chuyển linh kiện đến vị trí cần cắm. 
Hình 2-33: Cơ cấu nắm giữ để chuyển linh kiện đến vị trí cắm
Bước 3: Chuẩn bị cắm: Lúc linh kiện đến vị trí cần cắm, tức là trên vị trí có các lỗ tương ứng, đầu đẩy cắm chuẩn bị tiếp cận phía trên linh kiện để chuẩn bị hạ xuống PCB hình 2-34.
Hình 2-34: Giữ linh kiện sau khi cắt khỏi băng giấy
Bước 4: Cắm linh kiện: Toàn bộ hệ thống đi xuống PCB một phần chân linh kiện đã được cắt vát chui vào lỗ PCB, đầu đẩy cắm chuẩn bị ép linh kiện xuống PCB hình 2-35.
Hình 2-35: Cắm linh kiện xuyên qua lỗ bảng mạch
Bước 5: Cắm sát PCB và chuẩn bị cắt chân linh kiện: Đầu đẩy cắm ép sát linh kiện xuống PCB, các cơ cấu giữ rời khỏi linh kiện, phía
bên dưới hệ thống dao cắt bẻ và bệ cắt bẻ đón chân linh kiện xuyên qua (hình 2-36).
Hình 2-36: Ép sát và chuẩn bị cắt
Bước 6: Cắt, bẻ chân linh kiện. Đầu cắm vẫn ép sát linh kiện xuống sát PCB bên trên, bên dưới dao cắt bẻ di chuyển kết hợp bệ cắt bẻ cắt 1 phần thừa của chân linh kiện, đồng thời gờ bẻ chân ép đầu chân linh kiện, chân linh kiện sau khi cắt bẻ sẽ tạo với PCB một góc tương ứng với cơ cấu hoạt động, phần phôi thừa thường được một hệ thống hút ra bên ngoài
(hình 2-37).
Hình 2-37: Cắt bẻ chân linh kiện
Bước 7: Tách cơ cấu cắm khỏi PCB: Sau khi hoàn tất, các cơ cấu cắm và cắt bẻ rời khỏi PCB để lại linh kiện bám chắc trên bảng mạch như trong hình 2-38 (linh kiện là transistor có ba chân).
Hình 2-38: Tách khỏi PCB
Kết quả sau khi cắm RA ta có như trong hình 2-39, với các thông số cần quan tâm là d gọi là độ dài chân linh kiện thông thường d1 = 1.5 ± 0.3 mm, với θ1 = 15 – 30o, θ2 = 15 – 45o, θ3 = 35 – 45o. Các giá trị này chỉ có giá trị tham khảo, với các máy khác nhau có thể thông số này khác đi. Trong hình là linh kiện có ba chân, với loại linh kiện có hai chân và khoảng cách giữa hai chân, thì ta loại bỏ chân thừa còn lại để lấy thông số cho linh kiện sau khi cắm (hình 2-39).
Hình 2-39: Thông số tiêu chuẩn cắm RA
2.3. LẮP RÁP ĐIỆN TỬ XUYÊN LỖ BẰNG TAY (HM)
Là dùng tay để cắm các linh kiện xuyên lỗ vào PCB. Trước khi có máy gắn linh kiện tự động công nghệ này được gọi là Auto – Sembly khi kết hợp với hàn nhúng. Sau khi có máy móc hỗ trợ, HM chỉ là cắm những chi tiết, linh kiện mà các máy AI hay SMT chưa thể làm (hoặc nếu có thiết bị thì giá trị đầu tư còn cao, không phù hợp mô hình công ty).
Công đoạn cắm tay hiện nay không chỉ là phần việc cắm linh kiện, mà thực tế mở rộng hơn về nhiều khía cạnh, cụ thể bắt đầu từ phần dán nhãn để nhận dạng, chuẩn bị gá hàn, hàn sóng (nếu có), cắm linh kiện, kiểm tra, lắp gá phụ giữ linh kiện hay kẹp linh kiện (nếu có) rồi cho vào máy hàn hàn sóng mới chấm dứt công đoạn cắm tay. Đó là chưa kể đến có những sản phẩm công nhân còn có thể phải sử dụng dụng cụ bắt ốc vít, phun keo cố định hay gắn dây chính xác và bó dây dẫn… 
Hình 2-40: Cắm bằng tay (Hand–Mount) trên dây chuyền
Một ví dụ về cắm tay ở hình 2-41
Hình 2-41: Cắm transistor vào PCB
Để thuận lợi và tăng hiệu quả, cắm tay cần được hỗ trợ bởi công đoạn chuẩn bị, từng linh kiện sẽ được định hình trước (pre-forming) sao cho có kích thước phù hợp với từng vị trí cắm, công đoạn này sử dụng các công cụ hỗ trợ (máy định hình hay gá định hình, kìm cắt hay máy cắt…), tức là linh kiện sẽ được uốn/nắn/cắt đúng kích thước với dung sai cho phép để dễ dàng cắm được bằng tay vào PCB, bên cạnh đó độ dài chân thừa cũng được tính toán sao cho hạn chế thấp nhất lỗi khi qua máy hàn sóng sau đó.
2.3.1. Bốn bước cắm tay cơ bản
Lấy linh kiện từ hộp chứa (bằng tay) + thao tác bổ sung (nếu có)
Xác định giá trị, cực tính nếu có (bằng mắt)
Cho chân linh kiện vào vị trí lỗ tương ứng (theo cực tính nếu có)
Nhấn linh kiện sát bề mặt PCB hay đến khớp chặn/giữ cho phép
Để có thể hình dung dễ dàng hơn các công việc cắm tay, chúng ta sẽ xem loạt mô tả các loại linh kiện điển hình được tổ chức cắm tay trên một dây chuyền tại một nhà máy gia công thiết bị đo đạc điện gia dụng. Danh sách này không phải là duy nhất mà chỉ đại diện một phần, sẽ còn rất nhiều chi tiết mà danh sách này chưa thể hiện, bạn đọc cố gắng tự tìm hiểu thêm.
2.3.2. Các loại linh kiện cắm tay
2.3.2.1. Điện trở: Vô hướng, cắm theo hướng qui định
Hình 2-42: Các loại điện trở
2.3.2.2. Biến trở tinh chỉnh và điện trở mạng có hướng cắm 
Hình 2-43: Biến trở và điện trở mạng
2.3.2.3. Tụ sứ các loại: Không có cực tính
Hình 2-44: Tụ sứ
2.3.2.4. Tụ hóa học: Có cực tính
Hình 2-45: Tụ hóa
2.3.2.5. Cuộn dây: Vô hướng, tuy nhiên, vẫn có thể phải theo hướng qui định
Hình 2-46: Cuộn dây
2.3.2.6. Cuộn dây có đánh dấu: Cắm theo dấu 
tương ứng trên PCB
Hình 2-47: Cuộn dây có cực
2.3.2.7. Diode phát quang: LED
Hình 2-48: LED
2.3.2.8. Transistor: Các hình thức đánh dấu cực tính trên linh kiện
Hình 2-49: Transistor
2.3.2.9. Mạch tích hợp IC: Có cực tính
Hình 2-50: Mạch tích hợp
2.3.2.10. Tụ thạch anh (crystal): Có cực tính và không cực tính
Hình 2-51: Tụ thạch anh
2.3.2.11. Biến áp: Xác định bằng kết cấu chân hoặc đánh dấu
Hình 2-52: Biến áp
2.3.2.12. Rơle (Relay): Qui định hướng bằng kết cấu chân cắm cố định
Hình 2-53: Rơle
2.3.2.13. Biến trở xoay: Cực tính hoặc dùng chân cắm ràng buộc hướng
Hình 2-54: Biến trở
2.3.2.14. Nút nhấn và công tắc: Vô hướng, có hướng, có dấu và chân cố định 
Hình 2-55: Công tắc nhấn
2.3.2.15. Đầu/trạm nối các loại: Vô hướng, có hướng, có dấu và chân cố định
Hình 2-56: Connector 
2.3.2.16. Loa: Có cực tính hoặc đánh dấu định hướng cắm 
Hình 2-57: Loa báo tín hiệu
2.3.3. Tổ chức thực hiện cắm tay
Tổ chức bố trí cắm tay là một công việc khó diễn tả nhất, nên để giúp dễ hình dung ra, chúng ta sẽ dùng một bộ hướng dẫn cắm tay thực tế từ bảng thiết kế sắp xếp linh kiện trên PCB cho một sản phẩm điện tử trong hình 2-58. Từ bảng vẽ này, cộng với nguồn linh kiện thực tế, đội kỹ sư công nghệ đã kết hợp lại lập thành bộ công nghệ cắm tay (tại các vị trí linh kiện tô đậm và có đánh dấu sau tên vị trí, ví dụ: C2*) cho một nhóm 8 công nhân, được đặt tên từ phân đoạn 1 đến phân đoạn 8 mỗi người sẽ cắm một nhóm linh kiện trên một gá giữ bảng mạch ghép 6 PCB giống nhau. (Các hình mô tả chỉ sử dụng trên một PCB).
Hình 2-58: Bảng vẽ các linh kiện cắm tay
Chú ý: Tám (8) phân đoạn trong công đoạn cắm tay theo mô tả dưới đây, có các bản vẽ riêng biệt, trong mỗi phân đoạn trật tự cắm là số thứ tự có ghi trong từng bảng hướng dẫn. 
2.3.3.1. Phân đoạn 1
Hình 2-59: Dán nhãn (1), L25 (2), L26 (3), C1 (4)
2.3.3.2. Phân đoạn 2
Hình 2-60: T1 (1), LED1 (2), J16 (3), R611 (4)
2.3.3.3. Phân đoạn 3
Hình 2-61: L24 (1), R20&16 (2), C14 (3)
2.3.3.4. Phân đoạn 4
Hình 2-62: C79 (1), C17 (2), C11 (3), C19 (4), đánh dấu C19 (5)
2.3.3.5. Phân đoạn 5
Hình 2-63: J7 (1), J8 (2), J4 (3), R19 (4)
2.3.3.6. Phân đoạn 6
Hình 2-64: Gói R36 vào ống bảo vệ rồi cắm (1), MOV1 (2)
2.3.3.7. Phân đoạn 7
Hình 2-65: C3 (1), R613 (2), C2 (3), J6 (4)
2.3.3.8. Phân đoạn 8
Hình 2-66: Kiểm tra cực tính, lắp gá hỗ trợ, đẩy vào máy hàn
Nhắc lại: Mỗi công nhân cắm tay cắm 6 PCB giống hệt nhau theo hướng dẫn trên mới hoàn tất lượt cắm của mình. 
Cắm tay là tiền thân của kỹ thuật cắm xuyên lỗ tự động, nhưng hiện nay được sử dụng như một phương thức bổ sung ngược lại khi kỹ thuật xuyên lỗ không thể hoàn thiện. Cắm tay linh kiện xuyên lỗ luôn luôn có khả năng thay thế kỹ thuật tự động này, bởi vì nguồn nhân lực còn rất rẻ tại Việt Nam. Tuy nhiên, khi đó sai sót do con người lại là một vấn đề rất dễ xảy ra, nên việc chuẩn bị hướng dẫn công nghệ, bố trí vị trí chứa đựng linh kiện cắm tay cần được tập trung làm thật kỹ lưỡng, rõ ràng và cẩn thận, bên cạnh đó công tác cập nhật cải tiến các bảng hướng dẫn và công tác huấn luyện cũng như giám sát nên làm thường xuyên nhằm giảm thiểu những lỗi này.
Chương 3: LẮP RÁP ĐIỆN TỬ TRÊN BỀ MẶT
3.1. LẮP RÁP ĐIỆN TỬ TRÊN BỀ MẶT (SMT)
SMT (Surface Mount Technology) là các động tác gắn linh kiện không có chân (như linh kiện xuyên lỗ) lên trên bề mặt PCB có thể thực hiện trên một hoặc cả các mặt.
Thực hiện SMT là phải dán dính được các linh kiện lên các vị trí theo yêu cầu mạch điện và giữ ổn định chi tiết đó cho đến khi chúng được hàn.
Các qui trình công nghệ căn bản được áp dụng cho SMT như sau: Đặt keo dán (sẽ được hàn sóng), in thiếc hàn (là chất dính đồng thời là chất để hàn), dán CHIP và dán IC.
SMT luôn có bước phát triển nhanh và mạnh hơn do tỉ lệ CHIP hóa vào trong sản phẩm điện tử ngày càng cao, đó là lý do SMT luôn đóng vai trò quyết định năng lực của một nhà máy lắp ráp điện tử.
Tầm quan trọng của SMT trong nhà máy sản xuất sản phẩm điện tử được tóm gọn như sau:
Nếu ví nhà máy sản xuất sản phẩm điện tử như một quả tim, thì hoạt động SMT trong nhà máy này như là nhịp tim. Hãy nhìn vào chất lượng SMT để biết quả tim ấy khỏe hay không, nhìn vào sản lượng SMT của mỗi nhịp tim mà biết được sức mạnh và nhìn giá thành SMT mà biết hiệu quả của nó.
Vì thế, để duy trì hoạt động của nhà máy chúng ta sẽ đi tìm hiểu những công nghệ kỹ thuật lắp ráp điện tử trên bề mặt (SMT) lần lượt trình bày theo thứ tự như sau:
Đặt keo dán
Đính kem hàn
Khuôn in các điều kiện và ứng dụng
In kem hàn
In keo dán
Lắp ráp điện tử trên bề mặt
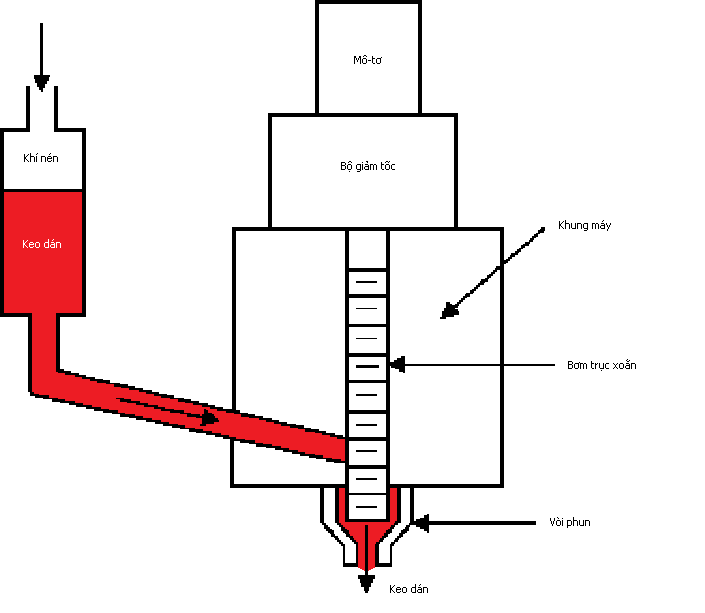
3.1.1. Đặt keo dán (dispenser)
Khi chuyển từ kỹ thuật cắm linh kiện xuyên lỗ sang dùng SMT thời kỳ đầu, ngành lắp ráp điện tử đã sử dụng kỹ thuật đặt keo theo từng chấm một hay sau đó là mỗi lần 2 chấm. 
Dùng các thiết bị thường có tên là máy đính keo (dispenser) để đặt keo tại một vị trí nào đó với số lượng, khối lượng và hướng tương ứng (với hai vòi tạo chấm), để công đoạn kế tiếp dán linh kiện CHIP/IC.
Hình thực tế thể hiện keo 1 và 2 chấm:
Hình 3-1: Chấm keo trên bảng mạch 
Một số kết quả keo dán linh kiện khác:
Hình 3-2: Chấm keo với linh kiện các loại
Thông thường keo được chứa trong các ống (tube) có kích thước chuẩn phù hợp với máy, keo được chuẩn bị sẵn cho phù hợp trước khi lắp vào máy và máy sẽ tiến hành chấm các điểm keo tại vị trí yêu cầu. Quá trình chấm keo có bốn bước:
Bước 1: Di chuyển: Bộ phận máy giữ ống keo di chuyển đến vị trí cần đặt keo dán, đầu phun keo nằm thẳng hàng với điểm cần chấm keo là tâm của vị trí sẽ gắn linh kiện CHIP (hình 3-3).
Hình 3-3: Di chuyển đến tâm vị trí linh kiện sẽ gắn
Bước 2: Đầu keo đi xuống PCB: Đầu keo đi xuống thẳng đứng chạm vào PCB bằng chốt chặn (stopper) (hình 3-4).
Hình 3-4: Đầu keo đi xuống bảng mạch
Bước 3: Phun/nén keo: Tại vị trí tiếp xúc PCB trên chốt chặn, ống keo được nén một lượng keo ra ngoài qua đường ống kim loại có đường kính trong là d1 (hình 3-5).
Hình 3-5: “Phun” keo lên PCB
Bước 4: Tách khỏi PCB: Sau khi phun đủ lượng keo, đầu keo di chuyển thẳng đứng lên để lại một điểm keo trên PCB đúng vị trí trung tâm của linh kiện sẽ cắm (hình 3-6).
Hình 3-6: Tách khỏi PCB
Kết quả sau khi chấm keo ta có như trong hình 3-7, đầu keo sau khi vừa cắm xong hơi có ngọn nhọn và keo tự lan xuống theo lực trọng trường tác dụng tạo thành hình khối keo. Các thông số cần quan tâm là 
d2 = 2 x d1, đây là thông số lý tưởng nhất cho phép chất lượng tốt nhất.
Hình 3-7: Kết quả chấm keo
Trên thực tế vết keo thường được thấy có hai chấm (02 dots), vậy câu hỏi đặt ra là tại sao lại hai chấm, hình 3-8 sẽ giúp giải thích câu hỏi này.
Do kích thước linh kiện lớn đồng nghĩa với linh kiện sẽ nặng hơn nên cần thiết tăng lượng keo để tăng lực giữ CHIP trên PCB, riêng linh kiện điện trở 0603 (1608) do bản thân luôn khá mỏng, nên có thể tồn tại cả hai loại: Một chấm và hai chấm, thực tế hai chấm không có tác dụng gì lắm cho loại điện trở 0805 (1608), nhưng nếu là tụ điện, diode 0805 (1608) thì hoàn toàn khác, do độ dày linh kiện tăng đáng kể có thể đạt 1.6 – 2.0mm, vì thế, trọng lượng tăng nhiều và nhất thiết phải dùng hai chấm. Chưa kể đến thế hệ máy mà bàn giữ PCB (X-Y table) di chuyển trong thế hệ máy có đầu dán CHIP quay (rotary machine).
Hình 3-8: Mô tả các kích thước chấm keo và mức lan tỏa
Một số thông tin tham khảo đường kính và vị trí đề nghị các chấm keo so với pad đồng.
Hình 3-9: Bảng kích thước chấm keo tương ứng pad hàn
Mô tả chấm keo đúng 
Hình 3-10: Chấm keo đúng
Chấm keo lỗi thừa: Vòi phun rất bẩn và có thể dính tới cả các chân chốt chặn 
Hình 3-11: Chấm keo thừa và xấu
Chấm keo bị thiếu: Có thể vòi hút trông khá sạch
Hình 3-12: Chấm keo thiếu nghiêm trọng
Hình thực tế lỗi thừa keo: Gây mối hàn rất tồi
Hình 3-13: Thừa keo gây hàn xấu
Kỹ thuật phun keo dán bằng khí nén có nhược điểm là phụ thuộc vào áp suất nguồn khí nén và hay bị mất ổn định trong quá trình hoạt động
khi có nhiều thiết bị sử dụng chung nguồn năng lượng này, thậm chí ngay trên cùng máy các cơ cấu khác dùng chung cũng gây tác động đến sự bất ổn này.
Vì thế, với các thiết bị sử dụng áp lực khí nén để phun keo thường cần theo dõi sát và để khắc phục các nhà chế tạo đưa ra một kỹ thuật khác là dùng trục xoắn để phun keo.
Hình mô tả kỹ thuật phun keo trục xoắn, bộ phận khí nén chỉ giúp tiếp keo (hình 3-14). 
Ở cơ cấu cơ khí này, trục xoắn được một động cơ điện điều khiển quay theo những góc quay có lập trình, lượng keo phun ra tương ứng với góc quay, áp suất khí nén có nhiệm vụ điền đầy keo cho ống phun trục xoắn nên không còn là tác nhân gây bất ổn lượng keo.
Tuy nhiên, cơ cấu cơ khí này lại cần chăm sóc làm sạch định kỳ để tránh hiện tượng keo khô bên trong gây kẹt cơ cấu.
Đặt keo dán còn có kỹ thuật dùng khuôn in (stencil) như kem hàn, để hiểu rõ hơn kỹ thuật in keo chúng ta sẽ đi hết qua phần in kem hàn rồi trở lại kỹ thuật này.
Hình 3-14: Chấm keo với cơ cấu trục xoắn
3.1.2. Đính kem hàn (solder paste deposition)
Dùng các loại thiết bị được gọi là máy in kem hàn để đặt chất thiếc hàn dạng kem thông qua một công cụ trung gian là khuôn in (stencil) hoặc dùng phương pháp tạo từng chấm (dot) như đặt keo dán (phun kem hàn) tại một vị trí nào đó với số lượng, khối lượng và hướng tương ứng, để công đoạn kế tiếp dán linh kiện SMT (hay SMD).
Một tên gọi khác là đính kem hàn lên bảng mạch (paste deposition) tức là cách đưa kem hàn dính vào các vị trí mong muốn trên PCB, thường là các điểm hàn các cực của linh kiện, sao cho diện tích và khối lượng của kem hàn vừa đủ để có thể thấm mạch đồng và đồng thời tan chảy kết nối được điện cực linh kiện với bản mạch. Đính kem hàn lên bảng mạch cần một lượng vừa đủ không nên thừa, vì nếu thừa có thể dẫn đến hiện tượng không mong muốn như xuất hiện các bi hàn lớn nhỏ, hay gây chập/ngắn mạch hoặc mối hàn quá lớn, nhiều chất bẩn… song song đó cũng không nên thiếu, mỏng không đủ lực dính giữ linh kiện gây lỗi văng/bay linh kiện, mối hàn sau đó sẽ mỏng yếu, lỗ hàn không điền đầy được, sức căng bề mặt kém không thể giúp tự động hiệu chỉnh vị trí cắm khi kem hàn nóng chảy…
Kem hàn là gì? Sử dụng như thế nào mới đúng?
Kem hàn là một hợp chất vừa có tính chất keo dính để dán linh kiện vừa là chất hàn, khi sử dụng kem hàn được đính vào những vị trí yêu cầu, với mật độ cộng khoảng cách các điện cực hiện nay, chúng không được tạo ra những nguy cơ vi phạm an toàn điện.
Như vậy mọi kem hàn luôn phải đảm bảo ba (3) tính chất: (1) là chất keo để dán, (2) là chất hàn (solder) và (3) không được chảy lan ra chung quanh, sau khi được đính vào vị trí yêu cầu (là các mặt phẳng hàn).
Để làm được điều đó kem hàn cần có đặc tính của một chất dạng keo chứa chất hàn và có thể giữ nguyên hình dáng sau khi được tạo hình. Chất dạng keo có các đặc tính đó được gọi là chất lưu biến (thixotropic).
Lưu biến (thixotropic) là đặc tính của một hợp chất hoặc hỗn hợp có các đặc tính như sau:
– Có thể dịch chuyển theo áp lực tác động,
– Giữ nguyên hình dáng tại thời điểm hết lực tác động,
– Dát thì mỏng và vun thì cao (như bơ đậu phộng/bơ lạc).
Để duy trì đặc tính lưu biến cần có môi trường lưu trữ phù hợp, tham khảo hiện tượng sụp nóng/sụp lạnh (hot/cold slump) và các thành phần liên quan tạo nên độ nhão của kem hàn. 
Môi trường lưu trữ, chuẩn bị và sử dụng (environment)
Kem hàn là một hợp chất có tính nhão, dính dùng để in lên mặt phẳng hàn, sao cho nó tự dính và tự ổn định được hình dáng trên mặt phẳng hàn và khi đính linh kiện lên trên nó, tính dính có thể giữ cố định được linh kiện trong khoảng thời gian trước khi hàn.
Để duy trì tính dính (tackiness), kem hàn cần được giữ có độ nhão phù hợp trong khoảng thời gian cho phép nên nó được lưu trữ/sử dụng sao cho các chất phụ gia tạo độ nhão và dính trong kem hàn là dung dịch bay hơi tối thiểu.
Lưu trữ chung cho kem hàn:
– Đựng trong hộp có nắp đậy chặt để thu nhỏ tối đa diện tích mặt thoáng và tránh gió.
– Để nơi có nhiệt độ thấp dưới 10oC, trên mức đông đặc của nước. Nhiệt độ đề nghị từ 2 – 10o
Chuẩn bị kem hàn trước khi dùng:
– Để hộp kem hàn còn đậy kín (vừa lấy ra từ nơi lưu trữ từ 2 – 10oC) trong môi trường phòng làm việc (lý tưởng là 25oC) trong khoảng 4 giờ để hỗn hợp kem hàn “nguội” tự nhiên “về” nhiệt độ môi trường (25oC), còn gọi là chuyển hóa tự thân kem hàn.
Sử dụng kem hàn:
– Lấy kem hàn từ nơi lưu trữ lạnh ra, để nơi có nhiệt độ tương đương nhiệt độ phòng, chờ đến khi kem hàn có cùng nhiệt đo phòng, thời gian đề nghị là từ 3 – 4 giờ. 
– Mở hộp trộn đều, để dung dịch flux phân bổ đều cùng với bột hàn có trọng lượng và thể tích riêng bé hơn. Kem hàn khi trộn đều sẽ cho độ dẻo và tính dính tối ưu.
– Trong quá trình in – kem hàn đã ra khỏi hộp chứa, nằm rải dọc theo độ dài vùng khuôn in – cần duy trì khoảng 25oC là tốt nhất.
– Sử dụng cho đến khi hết thời gian cho phép thì thay kem hàn khác hoặc có biện pháp làm tăng độ nhão và độ dính trở lại cho kem hàn đã khô (làm tươi kem hàn), đây là biện pháp không khuyến khích nếu không có hướng dẫn chuyên gia.
3.1.2.1. Các phương pháp đính kem hàn lên bảng mạch
Sơn (vẽ) kem hàn (transfer)
Chấm kem hàn (dispenser)
Phun kem hàn (jet)
In kem hàn với khuôn in (printing with stencil)
In kem hàn chi linh kiện cắm xuyên lỗ (PIP – Pin In paste)
In kem hàn với cắm xuyên lỗ và bổ sung thêm khối chất hàn (preform)
3.1.2.1.1. Sơn (vẽ) kem hàn
Là phương pháp lỗi thời không còn dùng nữa nhưng đó là tiền thân của in kem hàn với khuôn in, với một cái cọ sơn kem hàn lỏng qua một cái khuôn kim loại có đục các lỗ tương ứng các vị trí, phương pháp này cho kem hàn rất mỏng và mối hàn yếu. Điều này không tốt.
3.1.2.1.2. Chấm kem hàn (dispenser)
Là phương pháp bơm một lượng kem hàn nhỏ ra đầu vòi (nozzle) rồi chấm xuống vị trí mong muốn, tương tự phương pháp đặt keo dán dùng trục xoắn ở bài trước, phương pháp này cho vết kem hàn thường có hình tròn và khi cần điểm lớn hơn thì không được đẹp lắm do vòi phải chấm vào vị trí đã có kem hàn dễ dẫn đến thừa và lem không kiểm soát được. Ít thấy (hình 3-15).
Hình 3-15: Cơ cấu trục xoắn chấm kem hàn
3.1.2.1.3. Phun kem hàn (jet)
Cũng tương tự chấm kem hàn về mặt kết cấu và bố trí nhưng vòi sẽ phun từng “giọt” kem hàn xuống điểm hàn mà không chạm vào PCB, hiệu quả hơn chấm kem do khắc khục được hiện tượng lem, cho hình dáng vệt in đẹp nhưng giá thành còn cao và bảo dưỡng không đơn giản. Ít thấy, xem hình 3-16:
Hình 3-16: Phun phản lực kem hàn
3.1.2.1.4. In kem hàn với khuôn in (phổ biến nhất hiện nay)
Đây là phương pháp phổ biến nhất được hầu hết các công ty sử
dụng do có thể tạo ra những hình in theo ý mong muốn được mô tả trong hình 3-17:
Hình 3-17: In kem hàn bằng khuôn kim loại
3.1.2.1.5. In kem hàn cho linh kiện xuyên lỗ
Là phương pháp dùng kem hàn và lò hàn đối lưu để hàn linh kiện xuyên lỗ, nhược điểm là có thể có rất nhiều dư lượng và bã của thành phần flux, được mô tả như trong hình 3-18:
Hình 3-18: In kem hàn cho linh kiện xuyên lỗ
3.1.2.1.6. In kem hàn linh kiện xuyên lỗ, dán bổ sung khối chất hàn (preform)
Do dư lượng và bã (residue) của flux còn lại luôn là khá nhiều sau khi qua hàn đối lưu nên trong trường hợp (3.1.2.1.5), nên người ta in ít kem hàn lên lỗ PCB rồi dán bổ sung thêm một khối chất hàn (preform) có cùng loại hợp kim dạng rắn, để khi hàn sẽ nóng chảy cùng nhau đủ cho yêu cầu mối hàn, nhưng lại không sinh thêm bã do preform không có nhiều flux, khối hàn này có nhiều kích thước hình dáng khác nhau phù hợp với yêu cầu cần điền đầy (fillet) trong lỗ của mối hàn, hoặc hình vuông cho khung chống nhiễu… Xem mô tả các loại preform trong hình 3-19.
Hình 3-19: Các khối chất hàn bổ sung
Trong minh họa thực tế sau đây là mô tả một cách dùng khối chất hàn với kích thước và hình dáng như một linh kiện CHIP và được đóng gói tương tự như một linh kiện 0603, được máy dán CHIP đặt vào những vị trí trên kem hàn in vào lỗ cắm linh kiện xuyên lỗ như trong hình 3-20, khi được nung nóng trong lò hàn chúng sẽ cùng với kem hàn chảy lỏng và điền đầy vào lỗ có chân linh kiện xuyên lỗ
Hình 3-20: Khối kem hàn dán trên kem hàn cạnh lỗ cắm
3.1.2.2. Sáu bước đính kem hàn bằng khuôn in (stencil)
3.1.2.2.1. Dịch chuyển thẳng hàng giữa PCB và khuôn in
Về mặt lý thuyết, in kem hàn thì như trong bản vẽ kỹ thuật hình chiếu phương thẳng đứng của lỗ khuôn in rơi đúng trọng tâm của bảng mạch đồng chân linh kiện CHIP sẽ dán, đó là vị trí tốt nhất của khuôn in với PCB, trên thực tế việc làm này không dễ dàng, bởi có rất nhiều lỗ khuôn in với mật độ cao, nên cần có phần mềm xử lý hình ảnh máy tính hỗ trợ việc tìm tâm tối ưu trước khi đặt khuôn in khít vào PCB. (Nguyên lý hiệu chỉnh tương tự phương pháp điểm lấy chuẩn (fiducial mark) và hiệu chỉnh tọa độ XY của PCB trong phần 3.1.7.5).
Hình 3-21: Dịch chuyển PCB thẳng hàng với khuôn in
3.1.2.2.2. PCB tiếp xúc khuôn in
PCB di chuyển theo phương thẳng đứng đi lên tiếp xúc sát với khuôn in, phần mạch in đồng nằm khít và đồng tâm (theo lý thuyết) với lỗ khuôn in (hình 3-22).
Hình 3-22: PCB tiếp xúc khuôn in
3.1.2.2.3. Chổi quét (squeeggee) đi xuống khuôn in
Chổi quét từ vị trí chờ đi xuống tiếp xúc sát khuôn in, chổi hợp với khuôn in một góc α cho trước, phù hợp với chất liệu kem hàn có độ nhão (viscosity) tương ứng và phải nằm ngoài kem hàn sao cho có thể ép được kem hàn qua lỗ khuôn in xuống PCB khi di chuyển ngang để in ở bước kế tiếp (hình 3-23).
Hình 3-23: Chổi quét tiếp cận khuôn in
3.1.2.2.4. Quét (hay in)
Chổi quét di chuyển, trong hình là từ trái sang phải, nó cuộn thiếc hàn dọc theo chiều dài phần khuôn có lỗ cần in và nén kem hàn đầy các lỗ lần lượt từ trái sang phải cho đến khi đi hết phần khuôn in (hình 3-24).
Hình 3-24: Quét hay in kem hàn
3.1.2.2.5. Chổi quét rời khuôn in
Sau khi đi hết phần cần nén kem hàn vào lỗ khuôn in thì chổi quét nhấc lên rời khỏi khuôn in để chuẩn bị cho lần in kế tiếp theo hướng ngược lại (hình 3-25). 
Hình 3-25: Chổi quét rời khuôn in
3.1.2.2.6. PCB tách khỏi khuôn in
Sau khi chổi quét rời khuôn in thì đến lượt PCB rời khuôn in theo phương thẳng đứng mang theo các phần kem hàn dính đúng vào các chân đồng để dán CHIP sau này (hình 3-26).
Hình 3-26: PCB tách khỏi khuôn in
Kết quả sau sáu bước ta có trên bảng mạch (PCB) tại những điểm cần thiết một khối kem hàn với lượng tương ứng có diện tích bằng diện tích lỗ và độ dày thiếc hàn bằng độ dày khuôn in (hình 3-27). Hình dáng của diện tích này phụ thuộc vào chân linh kiện CHIP sẽ dán, cũng như các yêu cầu chống chập/ngắn mạch (bridging) hay chống bi chì (solder ball) …
Hình 3-27: Kết quả in kem hàn
 
Hình 3-28: Kem hàn đã in ở vị trí dán chân IC
3.1.3. Khuôn in (stencil) các điều kiện và ứng dụng
Khuôn in (stencil) là một tấm kim loại được tạo hình bằng các lỗ, để thông qua các lỗ hổng đó mà chúng ta phải để lại các vệt in kem hàn tại những điểm theo yêu cầu của thiết kế để dán linh kiện lên và sau đó khi vào buồng nhiệt các vị trí này chính là mối hàn cho linh kiện vừa dán.
Khuôn in còn cần đảm bảo phải cho phép lượng kem hàn vừa đủ cho một mối hàn hoàn chỉnh, không được thừa để gây lỗi, các lỗ phải bố trí hợp lý và có hình dáng phù hợp với nhau để tránh chập mạch, sinh bi hàn hay một số lỗi khác…
Điểm quan trọng nữa là vệt in không được sụp xuống hay biến dạng sau khi khuôn in tách khỏi PCB, tức là khối kem hàn trên PCB có vách càng đứng càng tốt, điều này một phần phụ thuộc vào việc tạo hình lỗ khuôn in bằng công nghệ nào (phụ thuộc công nghệ chế tạo khuôn in), mặt trên khối kem hàn không được lồi lõm nhiều (liên quan đến chổi quét, lực quét và các phần hỗ trợ giữ phẳng PCB) và khối kem hàn cần được ổn định không sụp lún (phụ thuộc bản thân tính chất kem hàn, bảo quản kem hàn và nhiệt độ môi trường sau khi in) cho đến khi được dán linh kiện lên trên.
Các thông tin kỹ thuật khuôn in để đáp ứng yêu cầu như sau:
Điều kiện lỗ in (aperture condition)
Kích thước lỗ in (aperture size)
Hình dáng lỗ in (aperture shape)
Khoảng cách các lỗ (aperture spacing)
Độ dày khuôn in (thickness)
Băng keo định vị và che chắn lỗ in không mong muốn (tappered)
Điểm lấy chuẩn (fiducial mark)
3.1.3.1. Điều kiện lỗ in với phương thức chế tạo
Điều kiện lỗ in thường do cách chọn phương pháp chế tạo lỗ in quyết định, chúng ít khi do quá trình sử dụng gây biến dạng do khuôn in được làm từ thép không gỉ (steeless) hoặc hợp kim 42.
Có ba cách phổ biến để tạo khuôn in: Ăn mòn hóa học, cắt bằng tia laser và mạ điện. Chúng ta sẽ lần lượt tìm hiểu từng phương pháp để nhận thấy điều kiện lỗ khuôn in ảnh hưởng đến sườn đứng của vệt in như thế nào.
Điều kiện lỗ khuôn in còn phụ thuộc vào bảo quản, bảo dưỡng, vệ sinh nếu không tốt để lại vết bẩn làm thay đổi kích thước trong lỗ khuôn in.
3.1.3.1.1. Ăn mòn hóa học (chemically etched)
Dùng kỹ thuật in lên tấm đồng hoặc thép hai mặt lớp sơn chất cản quang (lớp photoresist), rồi cho sơn hóa chất có hình dáng của lỗ khuôn in (lớp artwork), lớp này có tác dụng khi chiếu ánh sáng vào sẽ tự hủy cùng với lớp cản quang để lộ ra phần kim loại cần ăn mòn (là vị trí sẽ tạo lỗ khuôn in), cho ăn mòn tấm kim loại trong dung dịch hóa học cho đến khi lỗ khuôn in hình thành (nguyên lý cơ chế ăn mòn tương tự cách in và ăn mòn để chế tạo mạch in). 
Hình 3-29: Ăn mòn hóa học khuôn in
Hình 3-30: Kết quả thực tế một lỗ khuôn in phóng đại lên 250 lần
Khuôn in hoàn chỉnh khi tiếp xúc với PCB, chúng ta có thể nhận thấy khối kem hàn có thể bị tác động bởi phần nhô ra bên trong lỗ (hình 3-31).
Hình 3-31: Khuôn in ăn mòn hóa học tiếp xúc PCB
3.1.3.1.2. Cắt bằng tia laser (laser cut)
Thay vì ăn mòn người ta cho một tia laser nhỏ, mảnh có tác dụng cắt tấm kim theo các đường được lập trình đường di chuyển tạo ra lỗ khuôn in (hình 3-32).
Hình 3-32: Mô tả dùng laser cắt khuôn tạo lỗ khuôn in
Hình 3-33: Lỗ khuôn in thực tế phóng đại 250 lần
Hình mô tả khuôn in cắt laser tiếp xúc với PCB (hình 3-34)
Hình 3-34: Mô tả khuôn in cắt laser tiếp xúc với PCB
3.1.3.1.3. Mạ điện (electroform)
Hình 3-35: Mô tả cách tạo khuôn in mạ điện
Trên một mặt nền (base) phẳng người ta đổ một lớp cản quang (photoresist) có độ dày bằng đúng độ dày mong muốn của khuôn in, người ta cho sơn lớp hóa chất (artwork) có tác dụng sẽ tự hủy cùng với lớp cản quang khi có ánh sáng chiếu vào, lớp này phủ những phần cần bỏ đi, chừa lại đúng tiết diện sẽ là lỗ khuôn in kem hàn. Sau khi chiếu sáng các khối chất cản quang còn lại nằm trên mặt nền và kỹ thuật mạ điện sẽ lấp đầy dần kim loại tạo nên khuôn in có lỗ đúng bằng kích thước khối cản quang còn lại ở trên (hình 3-35). 
Hình 3-36: Lỗ khuôn in từ kỹ thuật mạ điện phóng đại 250 lần
Khuôn in với kỹ thuật mạ điện tạo ra một hình thể khá đặt biệt
(hình 3-37).
Hình 3-37: Lỗ khuôn in chế tạo từ mạ điện
3.1.3.2. Kích thước lỗ in
Kích thước lỗ in cùng với độ dày khuôn in quyết định khối lượng kem hàn sẽ in trên PCB, về mặt lý thuyết, lỗ khuôn in được dựng lên từ vị trí và diện tích của mạch đồng điểm hàn (pad), nhưng thực tế, nếu kích thước lỗ in bằng kích thước pad thì dễ xảy ra hiện tượng lem, thừa kem hàn dẫn đến chập mạch, một công thức tính toán kích thước đề nghị lỗ hàn nên như sau đây giúp chúng ta tối ưu hóa hợp lý lỗ in căn bản nhất (hình 3-38).
Hình 3-38: Mô tả công thức đề nghị lỗ khuôn in
Công thức tính:
Tỷ lệ tương quan=Rộng(w)/Cao(T) >1.5
Tỷ lệ diện tích=(Diện tích của pad (L×W))/(DT chung quanh khối kem hàn (2×(L+W)×T))>0.66
Nếu lỗ khuôn in là hình tròn có đường kính là D, khi đó ta cho 
D = W để áp dụng cho công thức này.
3.1.3.3. Hình dáng lỗ in
Hình dáng lỗ in rất đa dạng để đáp ứng các loại linh kiện khác nhau, cuốn sách này không thể liệt kê hết được, các miêu tả dưới đây là các lỗ in căn bản nhất có thiết kế truyền thống phổ biến để giúp chống một số lỗi như bi hàn, thừa kem hàn gây ngắn mạch… các hình dáng căn bản trong hình 3-39.
Hình 3-39: Các lỗ khuôn in điển hình
3.1.3.4. Khoảng cách các lỗ khuôn in
Được chia thành ba nhóm chính:
Khoảng cách bước chân (pitch) của loại IC tương ứng
Khoảng cách giữa các điện cực của một linh kiện bất kỳ 
Khoảng cách giữa các linh kiện khác nhau trên cùng một PCB
Một mô tả thiết kế PCB cho các đề nghị khoảng cách giữa các linh kiện gợi ý cho thiết kế các lỗ khuôn in nhằm đáp ứng khoảng cách cần thiết. Hình minh họa có ý nghĩa tham khảo (hình 3-40).
Hình 3-40: Khoảng cách đề nghị cho bố trí cách linh kiện bề mặt
3.1.3.5. Độ dày (thickness) khuôn in
Độ dày khuôn in cùng quyết định lượng kem hàn sẽ đính trên PCB bằng cách lấy diện tích lỗ khuôn in nhân với độ dày khuôn in. Với những công thức ràng buộc trên thì có thể dẫn đến kết quả chưa chắc là đạt được các yêu cầu của mối hàn do còn phụ thuộc vào chính kem hàn, các lỗi chủ yếu là thiếu, mỏng chất hàn, bên cạnh đó việc phối hợp công nghệ cắm xuyên lỗ dùng kem hàn rồi hàn đối lưu, mà độ dày của khuôn in phá bỏ cách dùng truyền thống với khuôn in có nhiều độ dày khác nhau hay khuôn in có lỗ lớn hơn phần mạch đồng cần hàn…
Có nhiều loại khuôn in nhiều bậc hay kết hợp nhiều bậc với lỗ khuôn in rộng:
3.1.3.5.1. Khuôn in có bậc (step stencil) với lắp ráp điện tử bề mặt (SMT)
Step up (tạm dịch “Bậc lên”)
Step down (“Bậc xuống”) 
Hình 3-41: Khuôn in “bậc lên” “bậc xuống”
3.1.3.5.2. Khuôn in thừa (over print) với lắp ráp điện tử xuyên lỗ và bề mặt
Over print W/O step (“in thừa không có bậc”) (hình 3-42).
Là cách tạo lỗ khuôn in rộng hơn phần mạch đồng của chân linh
kiện xuyên lỗ để có nhiều kem hàn hơn để điền đầy vào bên trong lỗ cắm linh kiện.
Hình 3-42: In thừa không bậc
Over print top step (“In thừa bậc lên”).
Đây là bước nâng thêm độ dày cho in rộng hơn để có nhiều hơn nữa kem hàn các phần khác vẫn giữ nguyên độ dày, hướng nâng bậc là phía trên, nên tạm gọi là “in thừa bậc lên”.
Hình 3-43: In thừa bậc lên
Over print bot step (“In thừa bậc xuống”)
Với hướng tăng độ dày tạo bậc ngược lại ta có “in thừa bậc xuống”.
Hình 3-44: In thừa bậc xuống
Với kích thước của K1 đề nghị: 35mils > K1 > 70mils và 
K2 < 25mils.
Khuôn in cho kỹ thuật này thường dùng có độ dày từ 20mils trở lên, sử dụng tia laser để cắt rồi đánh bóng bề mặt cắt bằng điện (electropolished), tức đánh bóng thành lỗ khuôn in cho phẳng hơn.
Trong cách in “bậc xuống” có một cải tiến được gọi là Two print, được phối hợp với kết cấu khá phức tạp nhưng rất hay, bạn đọc xem kỹ thuật này như một cách tham khảo để tìm hướng hiệu chỉnh lượng kem hàn không chỉ cho linh kiện xuyên lỗ mà có thể áp dụng cho linh kiện SMT, khi mà điều chỉnh hình dáng lỗ in không còn cách hiệu chỉnh (Two print thường dùng cho loại khuôn in có độ dày từ 15 – 30 mils). Hiểu đơn giản là two print cho phép in trên PCB đã được đính keo hay kem hàn (hình 3-44).
Hình 3-45: “Two print” in kem hàn lên PCB đã có kem hàn
3.1.3.6. Băng keo định vị khuôn in và che chắn lỗ in không 
mong muốn
Khuôn in kem hàn chế tạo xong phải được gắn lên một khung kim loại thường là nhôm có tiêu chuẩn phù hợp với khung máy in với phần liên kết, thường là một vật liệu dạng băng (tape), có độ co dãn có tính toán sao cho đảm bảo một sức căng cần thiết, sau thời gian sử dụng lớp (băng) keo này có thể dãn nở hay bung ra, có khi do hoá chất tẩy rửa gây biến chất và thường được dán lại bằng băng keo thường, làm cho thay đổi kết cấu dẫn đến thay đổi sức căng (tension) và quan trọng nhất là làm thay đổi độ dày khuôn in hay thoát kem hàn do sinh ra khe hở….
Trong quá trình sản xuất chúng ta còn có thể có động tác cần thiết để che chắn những lỗ in không mong muốn, bằng cách dùng băng dán che phía tiếp xúc PCB, tuy nhiên, nếu không chú ý tính toán thì vô tình chúng ta tạo ra khe hở giữa khuôn in với PCB, đồng thời làm thay đổi độ dày, nên có thể bị lỗi nhiều kem hàn và thoát kem hàn. Chỉ cần chú ý các nguyên lý cách tạo khuôn in trong bài này các bạn có thể dùng băng keo để dán che phù hợp thì chúng ta sẽ không phải lo lắng nhiều đến lỗi phát sinh.
Hình ảnh mô tả một khung in kem hàn (hình 3-46).
Hình 3-46: Cấu tạo khuôn in kem hàn/keo dán
3.1.3.7. Điểm lấy chuẩn (Fiducial Mark)
Như đã trình bày trong phần đầu về in kem hàn, một trong những điều quan trọng là làm thế nào cho tâm lỗ khuôn in được đồng tâm với mạch đồng, để làm được điều đó các nhà chế tạo máy đã áp dụng phát triển công nghệ máy tính để tích hợp công nghệ xử lý hình ảnh (phần mềm cài trên máy in) để so sánh vị trí tương đối của PCB và khuôn in rồi phát lệnh điều khiển mạch cơ điện hiệu chỉnh tọa độ khuôn in trước khi đặt khuôn in xuống trùng khớp các vị trí cần. Điều kiện để làm việc này là khuôn in được tạo điểm lấy chuẩn giống như điểm trên PCB (hình 3-47) vết này dùng tia laser để bào mòn một lớp có hình dáng chính xác như mạch đồng đánh dấu mốc chuẩn trên PCB.
Hình 3-47: Điểm lấy chuẩn PCB và khuôn in
– 1mil = 0.001 in = 0.0254mm
Xem giải thích cách điều chỉnh trong phần hiệu chỉnh gốc tọa độ phần 3.1.7.5.2.
3.1.4. In kem hàn
Kỹ thuật in là bước quan trọng cuối cùng trong chuỗi sử dụng kem hàn, trên thực tế thống kê cho thấy các lỗi của sản phẩm lắp ráp điện tử có nguyên nhân từ kỹ thuật in kem hàn chiếm từ 52-71%, vì thế, việc in tạo đúng hình dáng vệt in (kết hợp với khuôn in) theo yêu cầu đồng thời để không phát sinh yếu tố phụ gây lỗi cần phải hiểu các khía cạnh liên quan, chỉ khi đảm bảo việc này, chúng ta mới chuyển PCB đến khâu dán, cắm linh kiện và yên tâm cho qua lò hàn để nhận kết quả mối hàn đúng tiêu chuẩn mong muốn ở phía đầu ra. Kỹ thuật in không hề đơn giản như chúng ta vẫn thấy bởi bản chất kem hàn có tỉ lệ thể tích 50% dung dịch tổng hợp flux và 50% bột hàn dạng rắn, nên nói đúng hơn là các hạt bột hàn thì lơ lửng trong dung dịch flux, vì thế, nếu lực ép quá lớn sẽ làm mật độ hạt kem hàn thay đổi và lượng flux có thể bị nén thoát đi dẫn đến mối hàn xấu mà không kiểm soát được.
Có rất nhiều yếu tố quyết định đến chất lượng tiến trình in kem hàn được mô tả đầy đủ trong (hình 3-48).
Hình 3-48: Tổng hợp các yếu tố ảnh hưởng tiến trình in kem hàn
Trong cuốn sách này, chúng ta sẽ chỉ lần lượt xét năm yếu tố kỹ thuật chính ảnh hưởng đến kỹ thuật in kem hàn và các lỗi sinh ra có thể, các mục như sau:
Loại thanh quét (squeegee type)
Khe hở khuôn in với PCB (gap print)
Lực ép thanh quét (print pressure)
Tốc độ in (print speed)
Tốc độ tách khuôn (separation speed)
Lỗi và nguyên nhân
3.1.4.1. Loại thanh quét
Có rất nhiều loại thanh quét chính qui và cũng có rất nhiều loại “nhái” không thể liệt kê hết được, trong đó phân thành nhóm mềm (rubber) và nhóm cứng (metal, plastic).
Dù loại gì thì mục đích cũng như nhau là điền đầy lỗ khuôn in để tạo ra vệt in có đủ lượng kem hàn. Tuy nhiên, cao su thì có điểm yếu là có thể bị biến dạng trong lỗ khuôn in, nếu lực ép lên khuôn quá lớn gây ra lỗi thiếu kem hàn như mô tả trong hình 3-49.
Hình 3-49: Sự cố có thể của loại thanh quét với khuôn in
Hiệu quả của thanh quét kim loại thì rất dễ thấy, nhưng tình huống dùng các loại khuôn có bậc (step-up/down) thì phải chú ý: 
Khuôn in có bậc phía chứa kem hàn phải sử dụng thanh quét mềm,
Khuôn in có bậc phía PCB có thể dùng cả hai loại.
Một bảng so sánh thông tin các thanh quét kim loại có thương hiệu được sử dụng trong thực tế như hình 3-50 sẽ giúp chúng ta hiểu thêm về hình dáng (shape) lưỡi thanh quét, mỗi kiểu dáng sẽ có một thế mạnh nhất định bên cạnh đó luôn mô tả cho chúng ta thấy có những thanh quét là có hướng qui định (E-blade) để lắp đúng vào máy.  
Các loại thanh quét:
Hình 3-50: Các loại thanh quét
Với các tham số kết cấu cơ bản tương ứng như sau:
Tên gọi Stock DEK E-Blade Print-Perfect DuraGlide Ultraprint
Nhà chế tạo DEK AMTX (PhotoStencil) Transition Automation Photo Stencil Alpha Metals
Nguyên liệu Thép lò xo Nickel Thép lò xo Thép lò xo Thép lò xo
Cách tạo hình Dập máy Mạ điện Dập máy Ăn mòn hóa Dập máy
Lớp chống mòn None None “Permalex” Teflon/nickel Titanium Nitride Nickel plate
Độ dày thanh quét 7.5 mils 10 mils 9.5 mils 12 mils 17 mils
Độ dày đầu quét (phần tiếp xúc khuôn rộng 0.1”) 7.5 mils 10 mils 10 mils 11.5 mils 17 mils
Hình 3-51: Thông số các loại thanh quét
3.1.4.2. Khe hở khuôn in với PCB
Điều kiện tốt nhất ưu tiên là khuôn in sẽ phải ép sát mặt PCB mà không tạo ra khe hở, thuật ngữ tiếng Anh là “on contact” (hình 3-52).
Hình 3-52: “On-contact”
Ngược với “on contact” là “off contact” gây ra hiện tượng há miệng “snap-off” sẽ gây ra lỗi thoát kem hàn trong hình 3-53.
Hình 3-53: “Off contact”
3.1.4.3. Lực ép lên khuôn in
Với một lực ép đúng đủ thì kết quả ta có khối kem hàn bình thường (hình 3-54 trái), trong trường hợp ứng lực ép mạnh sẽ gây ra hiện tượng dồn ép các hạt bột hàn trong hỗn hợp kem hàn đồng thời chiết dung dịch flux ra ngoài, khối kem hàn trong lỗ khuôn in trở nên có tỉ lệ bột hàn/dung dịch flux cao hơn không còn đúng thiết kế kỹ thuật nên khi hấp nhiệt
kích hoạt hoạt hóa flux không thể đủ làm cho mối hàn kém chất lượng (hình 3-54b).
Bên cạnh đó, lực ép lớn có thể nén các hạt bột hàn tán dính vào nhau, vón cục có thể dính vào lỗ khuôn in làm thay đổi kích thước lỗ đồng thời thanh quét sẽ dễ bị biến dạng hay nhanh mòn hơn. 
Hình 3-54: Ép vừa đủ (trái) và ép quá mức cho phép (phải)
Hình chi tiết một góc lỗ khuôn in bị nén hạt bột hàn quá mức
Hình 3-55: Ép quá mức cho phép gây dính lỗ khuôn in
3.1.4.4. Tốc độ quét (phụ thuộc góc và lực ép)
Vẫn sử dụng các loại thanh quét chính hãng, góc hợp với mặt phẳng khuôn in kết hợp lực ép và tốc độ quét mô tả trong bảng sau:
Góc 45o
Tên Stock DEK E-Blade Print-Perfect DuraGlide Ultraprint
Tốc độ tối đa với lực 3lb/in 2.00 IPS 1.25 IPS 1.50 IPS 3.75 IPS 1.60 IPS
Tốc độ tối đa với lực 2lb/in 1.25 IPS 1.00 IPS 1.25 IPS 1.75 IPS 1.00 IPS
Lực tối thiểu với tốc độ 6IPS N/O N/O N/O 5.5 lb/in N/O
Góc 60o
Stock DEK E-Blade Print-Perfect DuraGlide Ultraprint
Tốc độ tối đa với lực 3lb/in 4.25 IPS 3.75 IPS 3.25 IPS 6.00 IPS 2.75 IPS
Tốc độ tối đa với lực 2lb/in 3.25 IPS 3.25 IPS 1.30 IPS 4.25 IPS 1.80 IPS
Lực tối thiểu với tốc độ 6IPS N/O N/O N/O 2.7 lb/in 4.3 lb/in
Hình 3-56: Bảng lực quét tương ứng góc chổi hợp mặt phẳng khuôn in
Với: 1bl = 0.453kg
1in = 25.4mm
IPS = Inches Per Second
3.1.4.5. Tốc độ tách khuôn
Ngoài nguyên nhân vách trong lỗ khuôn in tác động đến khối kem hàn, thì tốc độ tách khuôn sau khi in cũng có thể gây tác động tương tự vào sườn đứng của nó do tính dính của kem hàn. Tác động của tính dính được mô tả trong hình 3-57.
Hình 3-57: Tách khuôn nhanh có thể gây lỗi
Vì thế, tốc độ tách khuôn cần được chú ý kiểm soát để giúp nâng cao chất lượng mối hàn.  
Ngoài năm điểm căn bản của kỹ thuật in kem hàn, kết quả in còn phụ thuộc rất nhiều vào điều kiện kem hàn, vì các chất ở dạng kem luôn bị bay hơi theo thời gian khi nằm trên khuôn in các thành phần tạo nên dung dịch, hay quá trình làm sạch khuôn in bằng các hóa chất tẩy rửa còn sót sẽ nhiễm chéo kem hàn, chưa kể khi chuẩn bị kem hàn có thể chưa tuân thủ đúng và cuối cùng là môi trường nhiệt độ, độ ẩm với bụi bẩn tác động, tất cả sẽ có thể cho chúng ta những kết quả in khác nhau tại những thời điểm khác nhau mà có khi gây ra nhận diện nhầm lẫn hư hỏng có nguyên nhân từ thiết bị. Phần viết về yếu tố tác động đến kem hàn này sẽ được trình bày trong tập sách nói về nguyên vật liệu sau này. 
Các kết quả in thực tế và các nguyên nhân căn bản tương ứng được mô tả trong hình 3-58:
Hình 3-58: Các mẫu lỗi sau khi in
Đạt, lý tưởng nhất
Đạt, thông thường nhất
Đạt, kết quả của chổi quét mềm (cao su)
Tồi, do há miệng do phần nâng PCB hay lực ép của chổi quét
Đường biên dựng “tai chó”, kem hàn biến chất hoặc do lớp sơn trên PCB
Đường biên dựng lệch, chổi quét không cân bằng
Tồi, điển hình chổi quét di chuyển nhanh hoặc thiếu kem hàn
Tồi, lỗ khuôn in bị dính nghẹt kem hàn
3.1.4.6. Các lỗi và nguyên nhân
3.1.4.6.1. Bị nạo kem hàn (scraping)
Nguyên nhân là do lực ép thanh quét quá mức và phần quét bị mòn vẹt tạo hình vòng cung nên múc kem hàn như trong hình 3-59.
Hình 3-59: Chổi quét hỏng nạo kem hàn khuyết mất
3.1.4.6.2. Nhiều kem hàn (excess)
Lượng kem hàn trên pad hàn nhiều hơn mức cần thiết nguyên nhân do lực in không đủ và thường thấy kèm theo hiện tượng bề mặt khuôn in không sạch.
Hình 3-60: Thừa kem hàn
3.1.4.6.3. Kem hàn có hình “tai chó” (dog ear)
Do tốc độ tách khuôn in quá nhanh
Hình 3-61: “Tai chó”
3.1.4.6.4. Nhòe, lem kem hàn (smearing) 
Do có khe hở giữa khuôn in và PCB hoặc có vật lạ làm hở khuôn in làm thoát kem hàn gây nhòe. 
Hình 3-62: Nhòe vết kem hàn do hở khuôn in
3.1.4.6.5. In thiếu (Insufficient deposit)
Khuôn in bẩn nghẹt hết lỗ 
Hình 3-63: Thiếu kem hàn
3.1.4.6.6. Lệch khuôn in (misalignment)
Do lỗ khuôn lệch so với mạch đồng tạo nên khe hở thoát kem hàn
Hình 3-64: Thoát kem hàn do lệch khuôn
3.1.4.6.7. Thoát kem hàn
Do công nghệ HASL lỗi không đồng phẳng, bị kê kênh (gasket)
Hình 3-65: Thoát kem hàn do lỗi tráng mạ bảo vệ hỗ trợ hàn HASL
3.1.4.6.8. Vết hàn bị sụp (slump)
Kem hàn loãng bất thường có thể do lưu trữ sai hoặc chuẩn bị chưa hoàn chỉnh
Hình 3-66: Sụp vết kem hàn do độ nhão
3.1.4.6.9. Bi hàn (solder bead)
Khuôn bẩn hay lượng kem nhiều dưới thân linh kiện hàn nhiều, do lỗ khuôn in rộng hoặc thoát kem hàn, khi dán linh kiện gây tràn kem hàn. 
Hình 3-67: Bi hàn do khuôn in bẩn 
3.1.4.6.10. Khuôn in bẩn đóng cục 
Lực ép lớn gây sai tỉ lệ kem hàn/dung dịch flux đồng thời gây bẩn khuôn in (xuất hiện các vết kim loại khác màu khuôn in được dát ở các góc lỗ).
Hình 3-68: Khuôn in bẩn
3.1.5. In keo dán
Là sử dụng khuôn in như cho kem hàn, nhưng có các lỗ không dành cho điểm hàn mà cho vị trí dưới thân linh kiện khi dán, cần chú ý đến đặc điểm keo (glue) luôn có độ nhão khác rất nhiều với kem hàn đặc biệt là tính dính. Đặc điểm này luôn tạo ra một hiện tượng “tắc dính” lỗ khuôn in làm ảnh hưởng đến kích thước mong muốn của giọt keo (dot size). Hình ảnh mô tả sau sẽ giúp chúng ta khái quát vấn đề vừa nêu.
Hình 3-69: Khuôn in keo dán và vết keo
Cho nên, khi tính toán kích thước lỗ khuôn in cho keo dán chúng ta không thể rập khuôn cách làm của khuôn in kem hàn, mà đề nghị tham khảo các kích thước thiết kế lỗ khuôn in theo loại linh kiện dán như sau:
Hình 3-70: Tham số tham khảo cho lỗ khuôn in keo dán
3.1.5.1. Tham số kỹ thuật in keo dán CHIP
Khi đã có khuôn in đúng với yêu cầu thiết kế cho việc in keo dán để có được kết quả in đúng và đẹp (good print) chúng ta cần tham khảo các tham số sau:
3.1.5.1.1. Nguyên liệu làm khuôn in (Stencil Material)
Bằng thép không gỉ hay plastic đều được, nhưng bằng thép thì cho phép lau rửa dễ dàng nhanh chóng hơn.
3.1.5.1.2. Độ dày khuôn in (Stencil Thickness)
CHIP (không chân) = 6 mil.
SOIC’s = 10 mil.
Với khuôn in bằng plastic dày 40 mils (1mm) cho kết quả các giọt (dot) keo cao khoảng 80 mils.
3.1.5.1.3. Độ há miệng (Snap-off)
Nên luôn là = 0, muốn tạo độ cao thêm mà không thay đổi độ dày khuôn in, chúng ta có thể cố tình tạo ra độ há miệng (không khuyến khích – chỉ để “chữa cháy”) và “snap-off” không nên vượt quá 40 mils.
3.1.5.1.4. Vật liệu thanh quét (Squeegee Material)
Bằng thép không gỉ cho khuôn in bằng thép
Bằng poly carbonat cho khuôn in plastic
3.1.5.1.5. Tốc độ in (Print Speed)
25 – 50 mm/sec (1 – 2″/sec)
3.1.5.1.6. Áp lực thanh quét (Squeegee Pressure) 
0.2 đến 0.3 kg/cm
3.1.5.1.7. Tốc độ tách khuôn sau in (Separation Speed)
Tách chậm di chuyển chậm: 0.1 – 0.5mm/sec trong 3mm đầu tiên
3.1.5.1.8. Cách in (Printing)
 In keo dán cho kết quả tốt nhất là với lỗ trên khuôn in có đường kính ϕ > 1mm, vì thế với lỗ nhỏ hơn cần được thường xuyên làm vệ sinh.
Nếu cần kết quả giọt keo cao hơn mà không dùng (3.1.5.1.3 giả làm snap – off) thì nên áp dụng cách quét thêm lần thứ hai với lực ép giảm bớt từ 0.01 đến 0.05kg/cm khi đó trên bề mặt khuôn in sẽ có một lớp mỏng keo (hiện tượng không sạch khuôn). Hoặc in lần hai nhanh hơn (150 mm/sec) để gây ra hiệu ứng tràn lồi giúp tăng chiều cao.
Một số mẫu in keo dán tương ứng với loại linh kiện:
Hình 3-71: Mẫu đề nghị lỗ khuôn in keo dán
3.1.6. Lắp ráp điện tử trên bề mặt (SMT)
3.1.6.1. Công nghệ lắp ráp điện tử trên bề mặt
Dùng các thiết bị có tên gọi là máy dán CHIP (CHIP mounter/shooter) hay máy SMT để lấy linh kiện SMT từ trong bộ phận đóng gói rồi dán vào các vị trí tương ứng với tọa độ cho trước và theo hướng qui định. 
Linh kiện SMT còn gọi là SMD (SMD – Surface Mount Devide) được yêu cầu dán lên PCB để hiện thực hóa thiết kế mạch điện tử từ bản vẽ sơ đồ chi tiết mạch điện của nhà thiết kế thiết bị.
Cho dù chúng ta áp sản xuất mạch điện tử với SMT nào thì luôn có hai công nghệ hỗ trợ để “dính” CHIP lên PCB đó là dán CHIP với keo (xem cách đặt keo dán ở mục 3.1.1) và dán CHIP với kem hàn (xem cách đính kem hàn ở mục 3.1.2). Với keo hay với kem hàn thì các bước dán CHIP đều có năm bước như nhau:
Lấy linh kiện
Kiểm tra, xác nhận kích thước và xác định tâm linh kiện
Di chuyển đến vị trí tâm linh kiện trùng tâm vị trí dán
Dán linh kiện xuống PCB
Tách khỏi PCB 
3.1.6.1.1. Lấy linh kiện
Có một hệ thống cơ khí giúp “lột” lớp ni-lon chống tĩnh điện ra và đưa linh kiện đến vị trí chờ, một hệ thống khác có đầu (vòi) hút linh kiện (nozzle) – được tạo áp lực chân không bên trong – di chuyển đến vị trí linh kiện chờ rồi hút linh kiện lên (hình 3-72) sau đó tiếp tục di chuyển đến vị trí kiểm tra ở bước tiếp theo.
Hình 3-72: Nguyên tắc lấy linh kiện từ băng đóng gói
3.1.6.1.2. Kiểm tra
Đo kích thước và xác định tâm linh kiện. Tại bước này linh kiện sẽ được kiểm tra kích thước dài, rộng, cao so với thư viện linh kiện lập trình cài đặt trước và định tâm linh kiện, nếu đúng như khai báo sẽ cho phép dán ở bước kế tiếp, nếu không đúng máy sẽ loại chi tiết linh kiện này vào hộp rác. Bước này dùng kỹ thuật soi chiếu hình ảnh lên một màn cảm biến để đo kích thước linh kiện hoặc dùng thuật toán máy tính xử lý hình ảnh có được từ camera, thuật toán này cho phép xác định kích thước linh kiện và xác định tâm linh kiện để di chuyển chính xác đến vị trí cắm (hình 3-73).
Hình 3-73: Đo và dò linh kiện sau khi lấy ra khỏi băng đóng gói
3.1.6.1.3. Di chuyển đến vị trí dán linh kiện
Sau khi có được linh kiện đúng kích thước đồng thời đã xác định được tâm linh kiện, máy sẽ cho di chuyển đến vị trí thẳng hàng với vị trí dán hình 3-74.
Hình 3-74: Di chuyển thẳng hàng vị trí dán linh kiện 
3.1.6.1.4. Dán linh kiện
Đầu hút đi thẳng đứng xuống PCB đặt linh kiện đúng vào tâm của vị trí linh kiện trên PCB (hình 3-75).
Hình 3-75: Dán linh kiện xuống bảng mạch
3.1.6.1.5. Tách khỏi PCB
Sau khi dán CHIP đúng vị trí, đầu hút nhả linh kiện trên PCB trở về vị trí ban đầu chuẩn bị cho bước dán vị trí kế tiếp (hình 3-76).
Hình 3-76: Tách khỏi bảng mạch
Dán CHIP có ba trường hợp khác nhau:
Dán với keo
Dán với kem hàn
Dán với kem hàn và keo
3.1.6.2. Dán CHIP với keo dán
Dán CHIP với keo, xem phần đặt keo và phần dán CHIP, công nghệ này thường được kết hợp với kỹ thuật AI ở mặt bên kia được cắm trước có chân linh kiện bên cạnh các vị trí dán CHIP (hình 3-77).
Hình 3-77: Dán CHIP với keo và PCB có sẵn chân AI
3.1.6.3. Dán CHIP với kem hàn
Hình 3-78: Dán CHIP với kem hàn
3.1.6.4. Dán CHIP với kem hàn kết hợp keo dán
Đây là trường hợp đặc biệt để chống hiện tượng rơi linh kiện khi mà thiếc hàn nóng chảy không đủ sức giữ linh kiện trên PCB. Thông thường, việc kết hợp này chỉ áp dụng cho linh kiện có trọng lượng lớn, dễ bị dịch chuyển khi PCB di chuyển, hoặc trường hợp hỗ trợ linh kiện mặt dưới chống rơi khi đi qua buồng nhiệt để hàn trong kỹ thuật hàn cả hai mặt in kem hàn với chỉ một lần qua buồng nhiệt.
Hình 3-79: Keo dán cho linh kiện lớn 
3.1.7. Kỹ thuật lắp ráp điện tử trên bề mặt (SMT)
Kỹ thuật dán SMT là động tác lấy, gắp hay hút linh kiện CHIP hoặc IC từ các kết cấu đóng gói riêng biệt thuận tiện cho việc lưu trữ, vận chuyển và phân loại, rồi di chuyển đến vị trí tương ứng có yêu cầu giá trị/trị số theo thiết kế để dán xuống vật liệu dính đã được chuẩn bị (như đặt keo dán, in kem hàn, dính flux) trước đó.
Chúng ta có thể áp dụng kỹ thuật SMT bằng tay và làm bằng máy, tuy nhiên, theo đà phát triển công nghệ thu nhỏ linh kiện thì đến nay khả năng dán bằng tay của con người chỉ có thể áp dụng cho kích thước nhỏ đến 1608 (hệ mét) cho sản xuất hàng loạt trên dây chuyền, nhỏ nữa chỉ có thể là thực nghiệm đơn lẻ trong phòng thí nghiệm hoặc nghiên cứu sản phẩm với sự hỗ trợ của một hệ thống quang học phóng lớn các chi tiết (như kính lupe).
Kỹ thuật dán linh kiện SMT bằng máy về mặt lý thuyết cơ bản có các yếu tố quan trọng là khả năng lặp lại (repeatable) ý nói là trường hợp trên một bảng mạch lớn (còn gọi là combined PCB) có nhiều bảng mạch nhỏ giống nhau và độ chính xác của các thông số tọa độ không gian ba chiều là tọa độ X, tọa độ Y, góc quay θ và độ cao Z.
Thực tế có nhiều yếu tố hơn thế, bởi trước khi dán máy SMT còn phải có động tác lấy linh kiện ra khỏi kết cấu đóng gói, rồi kiểm tra linh kiện vừa lấy có phù hợp hay không, tìm độ lệch tâm linh kiện so với tâm vòi hút, rồi mới đến hiệu chỉnh tọa độ X, Y, θ và Z, tọa độ XY của PCB cũng có sự hiệu chỉnh theo điểm lấy chuẩn (fiducial mark) để máy dán theo pad đồng. Như thế các tham số liên quan là:
Lấy linh kiện (ra khỏi băng)
Kiểm tra OK/KO (KO – Knock Out)
Tìm độ lệch tâm linh kiện (so với đầu hút) và hiệu chỉnh tọa độ X, Y, θ và Z (cho đầu hút trước khi dán)
Tọa độ X, Y và θ (của PCB)
Điểm lấy chuẩn (fiducial mark) và hiệu chỉnh tọa độ XY của PCB
PCB lặp lại (Combined PCB)
3.1.7.1. Lấy linh kiện
Cần có cơ cấu cơ khí hỗ trợ quen gọi là feeder đây là một công cụ hỗ trợ để mở kết cấu đóng gói – kết cấu này chứa linh kiện dạng SMT – dùng để lưu trữ, phân biệt và sắp xếp đồng nhất giữa các linh kiện – giữ linh kiện tại một vị trí tương đối với máy SMT, sao cho việc lấy/gắp/hút linh kiện này ra khỏi kết cấu thuận tiện và nhanh nhất có thể. 
Hình 3-80: Kết cấu cuộn (reel) chứa linh kiện SMT
Cơ cấu cơ khí hỗ trợ (feeder) đã gắn cuộn CHIP
Hình 3-81: Feeder với cuộn CHIP
Hình 3-82: Một số kiểu feeder đặc biệt
Sau khi có linh kiện trong feeder sẵn sàng chúng ta sẽ lắp feeder này vào máy SMT, máy SMT sẽ dùng một công cụ gọi là vòi hút (nozzle) tương ứng với kích thước linh kiện, với một áp suất âm (-) bên trong lòng vòi giúp hút linh kiện ra khỏi kết cấu đóng gói và giữ chúng liên tục cho đến khi dán xuống PCB.
3.1.7.2. Kiểm tra OK/KO
Sau khi vòi hút hoàn tất giai đoạn lấy (pick-up) linh kiện khi từ feeder, máy sẽ kiểm tra vị trí linh kiện đã được giữ trên vòi hút (nozzle) có đạt yêu cầu sẵn sàng để dán hay không, nếu đạt (OK) máy sẽ mang linh kiện này qua bước kiểm tra tiếp, nếu không đạt (KO – Knock Out) máy sẽ loại bỏ chi tiết này.
Mô hình phát hiện OK/KO như sau:
Hình 3-83: Kiểm tra OK/KO
Mô hình này đến nay tuy hiệu quả nhưng lại ít sử dụng và chỉ được xem là tùy chọn thêm (option) khi đặt mua máy vì nó có thể là tác nhân tốn thời gian bởi phát hiện OK/KO bằng các phần mềm xử lý hình ảnh thông qua camera đã phát triển mạnh, công nghệ này dùng một hoặc nhiều camera “nhìn” theo trục của vòi hút có linh kiện mà “chớp” lấy hình ảnh chuyển về máy tính xử lý, phương pháp này được áp dụng trong bài phương pháp tìm độ lệch tâm linh kiện tiếp theo sau đây:
3.1.7.3. Tìm độ lệch tâm linh kiện, hiệu chỉnh tọa độ X, Y, θ và Z 
Thứ nhất, chúng ta cần hiểu là ngay cả khi feeder chính xác cơ khí tuyệt đối và bền vững thì cơ cấu đóng gói linh kiện không bao giờ đảm bảo tâm linh kiện trùng với tâm vòi (nozzle).
Thứ hai, máy SMT luôn có hệ thống máy tính xác định tâm mỗi vòi (nozzle) và có thông số offset X, Y, Z và θ cụ thể vị trí hiện tại, việc này do một phần mềm xử lý cộng với bộ dữ liệu tham số được cập nhật định kỳ (thường việc cập nhật này chúng ta quen là dạy, teaching nozzle…).
Vì hai lý do trên nên khi nozzle lấy và giữ được một linh kiện OK (theo lý do thứ hai) thì hệ thống điều khiển máy sẽ cho di chuyển vòi có linh kiện đến vị trí camera để “soi”. Camera này sẽ chụp ảnh linh kiện đang “dính” trên nozzle đưa về máy tính xử lý hình ảnh và với một giải thuật có sẵn, máy nhanh chóng tính ra độ lệch tâm giữa vòi và tâm linh kiện, ngay lập tức một thuật toán khác cho ra tham số mới để điều chỉnh tọa độ vòi rồi tính toán thành tọa độ X, Y và θ mới đã hiệu chỉnh (revised) trùng khớp với tọa độ vị trí linh kiện cần dán trên PCB.
Hình 3-84: Mô tả tìm độ lệch tâm linh kiện trước khi dán
Đây là một giải thuật tổng hợp phức tạp kết hợp nhiều khía cạnh, trải qua nhiều giai đoạn phát triển song song với tiến bộ ngành điện toán và chế tạo thiết kế vi xử lý cũng như sự phát triển của các IC ghi hình bên cạnh sự phát triển các nguồn sáng soi chiếu (như tia laser). 
Để hiểu các thuật toán làm việc như thế nào, chúng ta sẽ xem xét một minh họa mô tả độ lệch tâm giữa nozzle, linh kiện và cách xác định độ lệch tâm trong hình 3-84. 
Về tham số Z với kiểu dùng tia laser (3.1.7.2) khi xác định OK/KO người ta tận dụng luôn để kiểm tra độ cao linh kiện, nếu ngoài dung sai cho phép máy sẽ loại bỏ (KO) chi tiết này, với thế hệ sau tham số Z là độ dày linh kiện được lập trình viên đưa vào cơ sở dữ liệu, máy tính sẽ căn cứ vào tham số này mà điều chỉnh độ hội tụ (focus) của camera tương ứng với từng linh kiện để thu lấy hình (capture) linh kiện được rõ nét nhất giúp định tâm chính xác. 
Camera hoạt động chính xác sẽ cung cấp hình ảnh đẹp, rõ nét nhất khi nó có độ hội tụ đúng (căn cứ tham số Z) và ánh sáng tốt trên phông
nền chuẩn.
3.1.7.3.1. Ánh sáng tốt
Cần hai điều kiện, đủ sáng và có góc chiếu phù hợp, tức là ảnh rõ nhất và không bị tia phản xạ chiếu vào camera. Góc chiếu của tia sáng thường bị chỉnh sai trong các máy “đời cũ” do công tác bảo trì bảo dưỡng, các thế hệ máy sau này góc sáng được cố định ngay từ đầu hầu như không cần phải điều chỉnh.
Ánh sáng này có thể là ánh sáng vàng (yellow), ánh sáng trắng (white), đỏ (red), lục (green), xanh (blue). Thông dụng nhất hiện nay là
ánh sáng màu đỏ. Có một tài liệu cho lời khuyên là nên dùng mỗi màu cho một số loại linh kiện đặc biệt tuy việc này không thấy phổ biến lắm (xem hình 3-85).
Hình 3-85 Một số màu của ánh sáng để nhận dạng linh kiện
3.1.7.3.2. Phông nền chuẩn
Phông nền chuẩn là nền sáng hoặc tối hay không có gì phía sau – thường được gọi là tấm phản quang (reflector) để làm nổi bật hình ảnh với cùng mức đồng sáng nền, được gắn kèm trên từng vòi hút – của linh kiện được giữ trên vòi, trước đây thường dùng màu trắng trong giải thuật ứng dụng đảo hình đen trắng rồi đếm số điểm ảnh trắng mà suy ra tâm linh kiện, ngày nay phông nền phổ biến dùng gam màu (đen) tím than có độ phản quang để dùng với ánh sáng laser đỏ, nhưng thực tế phông nền trên nozzle có rất nhiều loại, nhiều màu, chúng ta sẽ xem bộ sưu tập hình minh họa một vài loại nozzle có kết hợp refector khác nhau. 
Nozzle với reflector nền trắng. 
Hình 3-86: Phông trắng
b) Nozzle với reflector màu lục (green).
Hình 3-87: Phông lục
c) Nozzle với reflector màu (đen) tím than với vân phản quang sọc và vân phản quang ca rô (RN).
Hình 3-88: Phông tím than
d) Reflector màu cam.
Hình 3-89: Phông cam
Với mỗi kiểu màu phông nền khác nhau giải thuật xử lý hình ảnh xác định tâm linh kiện khác nhau, theo thế hệ máy tính, cũng như từ các hãng chế tạo. Cần phân biệt rõ xác định tâm linh kiện thường áp dụng cho loại CHIP nhỏ có hình dáng là khối hộp chữ nhật không có chân như R, C, L, các linh kiện có chân như diode hay transitor thì giải thuật thường chọn là nhận dạng các chân đối xứng để suy ra tâm linh kiện kể cả IC có chân và không chân.
3.1.7.4. Tọa độ X, Y và θ (của PCB)
Tọa độ X, Y và θ trên PCB được xác định bởi một gốc tọa độ thường được chọn là điểm ở góc trái dưới như hình 3-90.
Hình 3-90: Gốc tọa độ XY
Tọa độ vị trí dán trên PCB (hình 3-91).
Hình 3-91: Tọa độ dán
Tọa độ chính xác là điểm giao nhau của chữ thập đỏ, mũi tên hướng lên trên cho vị trí 2, 4 tương đương góc 0o và 1, 3 tương đương 180o với hướng quay ngược chiều kim đồng hồ (counter clock wise).
Kết quả dán linh kiện như hình 3-92.
Hình 3-92: Kết quả dán
Chú ý: Tọa độ X, Y, θ trên PCB là chữ thập đen, tâm linh kiện là chữ thập trắng trên thân transistor đã được hiệu chỉnh ở mục (3.1.7.3).
Trên thực tế θ trên PCB là cố định nhưng đóng gói linh kiện CHIP có 4 tình huống (hình 3-93).
Hình 3-93: Bốn tình huống đóng gói linh kiện
Như thế tùy thuộc vào hướng linh kiện trong băng mà góc θ trên PCB được điều chỉnh lại không còn nguyên thủy từ CAD data nữa và lập trình viên cho máy cắm phải chỉnh sửa dữ liệu máy cắm cho phù hợp.
Ngoài ra, do tồn tại nhiều thế hệ máy tại Việt Nam mà lập trình viên còn cần phải chú ý đến nhóm máy “đời cũ” chỉ có một phía để lắp linh kiện phía sau (rear), tức là phía đối xứng với nơi vận hành chính máy và nhóm “đời mới” cho phép lắp linh kiện vào máy cả phía trước (front) và sau (rear). Với thế hệ máy có thuật toán tốt thì máy sẽ tự định nghĩa hướng nạp vào máy và có một giải thuật toán tự động điều chỉnh bù 180o là xong, nhưng nếu không có thuật toán này, lập trình viên sẽ phải chỉnh sửa từng dữ liệu liên quan bằng bàn phím hoặc thiết bị hỗ trợ nhập dữ liệu để định nghĩa hướng linh kiện.
Hình 3-94: Mô tả hai hướng vào linh kiện trên máy dán
3.1.7.5. Điểm lấy chuẩn (fiducial mark) và gốc tọa độ PCB
(Viết chung cho in kem hàn và dán linh kiện)
3.1.7.5.1. Điểm lấy chuẩn (fiducial mark)
Điểm lấy chuẩn (fiducial mark) có một thư viện mẫu được thống nhất chung trong chế tạo board mạch như trong hình 3-93, thông thường chúng được tạo ra cùng lúc với mạch đồng bằng phương pháp in theo nguyên lý che chắn để ăn mòn tạo đường mạch in, nên luôn đồng bộ với pad hàn các linh kiện trên PCB.
Hình 3-95: Thư viện điểm lấy chuẩn 
Điểm lấy chuẩn được sử dụng trên PCB được chọn kiểu nào thì khi khắc lên khuôn in cũng phải dùng cùng loại. Phổ biến nhất là loại tròn (circle).
Hình 3-96: Điểm lấy chuẩn hình tròn
3.1.7.5.2. Hiệu chỉnh tọa độ gốc của PCB 
Khi dán linh kiện tốt nhất là pad linh kiện trùng pad đồng trên PCB, khi in kem hàn thì cần tâm lỗ khuôn in trùng tâm phần pad hàn, việc “soi” ít nhất là hai điểm chuẩn này giúp máy nhận ra độ lệch giữa PCB với khung chuẩn máy đã có tham số tọa độ cố định và một thuật toán máy tính sẽ tính ra tham số bù (offset) để hiệu chỉnh lại tọa độ cắm X, Y và θ của PCB, hay độ cần dịch chuyển của khuôn in với PCB.
Một khung máy chuẩn với tọa độ gốc của PCB sẽ là hình chữ nhật đường đứt nét, các sai số cơ khí máy hay độ rơ cần thiết để PCB có thể di chuyển vào đồng thời sai số của PCB sẽ luôn tạo nên tình huống lệch nhau về x, y và θ (hình trái), nếu chỉ hiệu chỉnh tọa độ x, y chúng ta sẽ còn thấy độ lệch về góc quay (hình phải).
Hình 3-97: Dịch chuyển gốc tọa độ XY
Máy sẽ căn cứ vào độ lệch x, y và góc mà tạo một giá trị offset cho toàn bộ dữ liệu chương trình cho khung máy để việc dán linh kiện hay in chính xác. 
Có hai cách hiệu chỉnh là:
Quay và dịch chuyển khung máy hoặc khung khuôn in như hình 3-98, mô tả dưới phương pháp này phổ biến cho thiết kế máy in kem hàn.
Hình 3-98: Quay góc θ sau khi chỉnh gốc tọa độ XY
Không dịch chuyển cơ khí mà điều chỉnh toàn bộ giá trị tọa độ của dữ liệu của lượt dán đó bằng tham số bù theo độ lệch trục X, trục Y và góc θ mà máy nhận ra thông qua camera chụp điểm lấy chuẩn (fiducial mark), có nghĩa tham số bù là giá trị tương ứng theo phương trình bậc nhất
(y = ax + b).
Như vậy trong kỹ thuật dán linh kiện chúng ta có hai hệ tọa độ có hiệu chỉnh bằng thuật toán xử lý hình ảnh:
Định tâm linh kiện với vòi hút linh kiện.
Định tâm điểm chuẩn đồng bộ các pad hàn dán linh kiện.
Hai hệ tọa độ này phối hợp chung cho mỗi lần lấy PCB mới và mỗi lần lấy một chi tiết linh kiện để có một bước dán chính xác.
Kỹ thuật in thì chỉ cần một giá trị định tâm điểm chuẩn đồng bộ các pad hàn để dịch chuyển khuôn in hay khung máy.
3.1.7.6. PCB lặp lại (Combined PCB)
Hình 3-99: Bảng mạch lặp lại với bốn mảnh giống nhau
Board lặp lại là một mảng lớn chứa nhiều PCB nhỏ có thiết kế y hệt nhau như hình 3-99, với giải thuật máy tính hỗ trợ người lập trình chỉ lập cho một PCB nhỏ, khai báo mẫu cắm rồi dùng các lệnh của máy để định vị thiết lập ba vùng còn lại. Đây là một cách hỗ trợ hay, nhưng nếu PCB qua nhiều lần nhiệt thì sự biến dạng xảy ra do co giãn vật liệu thì sẽ có nhiều sai số, cách tốt nhất xem đây là một PCB duy nhất mà lập trình.
3.1.8. Ba kỹ thuật lắp ráp điện tử trên bề mặt
Trước khi đi vào chi tiết chúng ta sẽ xem xét trước sự khác biệt các phương pháp, chúng ta sẽ xem hình 3-100 mô tả sự “tiến hóa” linh kiện về chiều cao để phù hợp với xu thế thu nhỏ thiết bị.
Hình 3-100: Tiến trình thu nhỏ linh kiện mạch tích hợp
Hình 3-101: So sánh sự thu nhỏ giữa SMD_COB_FC
Do yêu cầu thu nhỏ thu gọn và “tiến hóa” linh kiện cũng như vi xử lý, bộ nhớ ngày càng mạnh càng nhỏ gọn mà kỹ thuật SMT hiện đại phát triển nhiều phương cách thực hiện điển hình với ba kiểu như sau:
SMT phổ thông với chất dính là keo (red glue hay bond) và solder paste tên gọi chung của ngành là SMD.
SMT với kỹ thuật COB tức dùng wire bond của công nghệ đóng gói IC lên PCB, gọi chung của ngành là COB (Chip On Board).
SMT với kỹ thuật FC (Flip Chip) ứng dụng flux transcription tên gọi chung của ngành là FC.
3.1.8.1. Qui trình SMD (SMD process)
Theo quá trình phát triển công nghệ dán SMT thì hiện nay có bốn công nghệ sau đây: 
Inline – tạm giải thích là vật liệu dính đi trước, SMD theo sau.
Mass – tạm giải thích là SMD dán lên SMD rồi dán lên PCB.
Sequential – tạm giải thích là dán lần lượt nối tiếp nhau các SMD.
Simultaneous – tạm giải thích là tất cả các vị trí được dán cùng một lượt.
Chú ý: Đây không phải là thứ tự lịch sử xuất hiện và các công nghệ có thể cùng đồng thời được áp dụng trên một sản phẩm. 
Hình 3-102: Qui trình SMT phổ biến
3.1.8.1.1. Inline
Hình 3-103: Dán keo và linh kiện cùng nhịp
Vị trí linh kiện trên PCB sẽ là nơi chúng ta đưa chất dính vào trước rồi sau đó đặt (dán) linh kiện SMT lên. Với mục đích như thế, người ta thiết kế một thiết bị hai trong một (2 in 1), cách này được áp dụng chủ yếu cho công nghệ đặt keo dán (dispenser) rồi dán CHIP/IC, dán linh kiện kiểu inline này chỉ áp dụng với công nghệ SMT có hàn sóng.
3.1.8.1.2. Mass
Có thể nhận ra cách dán linh kiện CHIP này trên những CHIP set đời cũ qua hình 3-104:
Hình 3-104: Dán BGA có linh kiện trên thân lên bảng mạch
Trong hình là một IC BGA dán và kết nối lên một PCB có dán một số CHIP, PCB này được làm chân như một BGA (gọi là module), rồi gắn lên mainboard kết quả như trong hình 3-104. Việc làm ra các module như thế có áp dụng công nghệ SMT và công nghệ wire bond (hoặc cả hai), có thể nói công việc này là công đoạn tiếp nối sau khi chế tạo xong mạch tích hợp (IC) từ wafer (lát mỏng chất bán dẫn để làm IC), ở phần này chỉ bàn về SMT (tức công nghệ bề mặt cho IC để tạo ra các module bỏ qua phần wire bond technology).
Các cách tạo ra module áp dụng SMT như sau:
Tạo bi cho chân BGA.
Gắn CHIP lên module.
Gắn IC lên IC hay gắn module lên IC và ngược lại.
Tạo bi cho chân BGA.
Tạo bi cho chân BGA có thể áp dụng một trong ba phương pháp sau: dùng flux gắn bi, dùng kem hàn gắn bi và dùng kem hàn tạo bi.
Dùng flux gắn bi
Hình 3-105: Tạo chân bi hàn cho chân BGA với kỹ thuật fluxing
Dùng kem hàn gắn bi là dùng khuôn in (stencil) in kem hàn lên chân BGA rồi đặt bi lên sau đó qua lò hàn buồng nhiệt để kem hàn nóng chảy gắn bi vào BGA.
Hình 3-106: Tạo chân bi hàn với cách gắn bi lên kem hàn
Dùng kem hàn tạo bi bằng cách tạo ra khuôn in có độ dày đặc biệt hơn kích thước thông thường để tạo ra lớp kem hàn cao rồi cho qua lò hàn buồng nhiệt, chất hàn chảy lỏng tự co thành khối tròn thành chân BGA.
Hình 3-107: Tạo chân bi hàn với cách in kem hàn nhiều
Gắn CHIP lên module:
In kem hàn bằng khuôn rồi gắn CHIP lên như dán thông thường,
hình 3-108 mô tả kết quả sau khi dán linh kiện lên module chưa làm chân BGA.
Hình 3-108: Gắn linh kiện lên CHIP module
Một CHIP set hiệu Nvidia có SMT hai mặt, trên lưng là linh kiện thụ động và dưới bụng là các bi, xem hình 3-109:
Hình 3-109: Linh kiện trên module CHIP và chân bi phía bên kia
Gắn IC lên IC hay gắn module lên IC hoặc ngược lại
Cách thức này tạo ra cả một nhóm tên gọi theo cách đóng gói, xem bảng mô tả tổng hợp các cách đóng gói với các chức năng sử dụng tương ứng.
Phương thức MASS tức dán chồng lên nhau là thuộc hàng nhóm công nghệ phức tạp hơn lắp ráp sản phẩm bằng SMT thông thường mà chúng ta quen làm, thông thường khi áp dụng phương pháp này thì việc hàn thường có kết hợp với khí trơ nitơ (N2) với tiêu chuẩn từ khá cao 5 – 50ppm tùy thuộc vào việc làm bi hay hàn kết nối giữa các module, với mức độ như vậy việc duy trì chỉ số N2 là không phải dễ dàng thực hiện.
Mass còn có các công đoạn trước nó như COB và FC chưa trình bày ở đây bạn đọc xem ở cuối bài dán kỹ thuật dán linh kiện.
Hình 3-110: Kết cấu các kiểu module và ứng dụng tương ứng
Hình 3-111: Chi tiết một module nhiều lớp
3.1.8.1.3. Sequential
Là cách dán IC tuần tự và cũng là cách phổ biến nhất hiện nay, sequential trải qua giai đoạn thứ nhất là bàn giữ PCB di chuyển khi dán, phương pháp này thường đi cùng với bộ phận lấy linh kiện có kết cấu xoay tròn trên 1 trục (còn gọi là thế hệ rotary) để lấy linh kiện và quay đến vị trí cắm bằng khoảng cách 1/2 chu vi vòng quay của nó, thế hệ thứ hai cũng là xu thế hiện tại đang phổ biến là kết cấu PCB chỉ di chuyển đến vị trí dán, nằm yên cho đến khi quá trình dán kết thúc mới di chuyển ra khỏi máy, tất cả các chuyển động lấy và mang linh kiện đến vị trí cắm đều do các module di chuyển phía trên PCB đảm nhiệm (nên được gọi là thế hệ modular) thực chất trong mỗi module di chuyển được này là một hệ thống rotary khác cho phép các vòi hút để có thể lấy được nhiều linh kiện với một lần di chuyển đến khu vực lắp linh kiện trước khi vào vùng dán (PCB).
Hình 3-112: Mô hình dán linh kiện với máy hệ module
3.1.8.1.4. Simultaneous 
Là cách dán một lần di chuyển xuống PCB mà cắm được cùng lúc nhiều linh kiện, cách dán này ít phổ biến do tính linh hoạt không cao, khó chỉnh sửa sai lệch vị trí dán, bởi phải làm lại fixture mang các ống chứa linh kiện, cách làm này chỉ thích hợp cho mật độ thấp, kích thước linh kiện tối thiểu 1608 (metrix) cùng chủng loại và chỉ có vài ba trị số khác nhau là tốt nhất.
Hình 3-113: Dán một lượt nhiều linh kiện
3.1.8.2. Qui trình COB (COB process)
Hình 3-114: Qui trình COB dùng wire bonding nối wafer xuống bảng mạch
COB là một qui trình đặc biệt sử dụng kết hợp công nghệ đóng gói linh kiện bán dẫn (wire bonding & encapsulation), với công nghệ dán bề mặt (SMT), riêng phần SMT thì hoàn toàn tương tự, chúng ta chỉ cần xem phần đóng gói linh kiện bán dẫn có bảy bước chính trước khi chuyển sang SMT (bước 8):
Đính keo dán
Dán miếng bán dẫn
Sấy keo khô
Rửa sạch (bằng Plasma hoặc UV/Ozone)
Wire bonding (tạm dịch là “Câu dây nối”)
Đổ keo phủ bảo vệ
Sấy keo khô
Chuyển đi SMT
Rửa sạch bề mặt miếng bán dẫn và bảng mạch để “Câu dây nối” từ miếng bán dẫn (wafer) xuống bảng mạch sao cho có tiếp xúc tốt nhất.
Câu dây nối căn bản có 10 bước như hình 3-115:
Hình 3-115: Mười (10) bước cho một lần “Câu dây nối”
Với kết quả như hình 3-116:
Hình 3-116: “Câu dây nối” từ mạch tích hợp xuống bảng mạch
Mô tả đổ keo phủ sau khi “Câu dây nối” xem hình 3-117.
Hình 3-117: Mô tả đổ keo phủ wafer sau khi “Câu dây nối”
Sau đó dán các linh kiện SMT khác như bình thường, kết quả như hình 3-118:
Hình 3-118: COB và linh kiện SMT
3.1.8.3. Qui trình FC (FC process)
Hình 3-119: Qui trình dán với flux, không thêm chất hàn
FC là viết tắt của Flip CHIP với ba phương pháp dán như SMT, điểm khác nhau là ở cách dùng chất dính, chân CHIP thì luôn có sẵn lượng chất hàn để khi gia công nhiệt hàn thì nóng chảy ra để kết nối mạch điện. Công nghệ này thường cho một mối hàn yếu vì khối lượng chất hàn khá ít nên thường được tăng cường lực giữ bằng bơm keo dán xuống dưới thân linh kiện và cả chung quanh (gọi là under fill). Ba phương pháp như sau:
FC với Fluxing under fill sau
FC với under fill và hàn reflow
FC với under fill và Thermal Compression Bonding
Hình mô tả như dưới đây:
Hình 3-120: Các kiểu FC
Chương 4: LẮP RÁP ĐIỆN TỬ HÀN KIM LOẠI
4.1. TỔNG QUÁT
Hàn là quá trình dùng để liên kết các chi tiết kết cấu kim loại khác nhau để tạo thành một kết cấu mới, có tính năng đáp ứng được yêu cầu sử dụng. Hàn trong lắp ráp điện tử là đáp ứng yêu cầu kết nối mạch điện tốt.
Hàn sử dụng hai yếu tố là nhiệt độ và áp lực hoặc phối hợp cả hai để tạo ra liên kết. Lắp ráp điện tử hiện đại dùng cả hai yếu tố tùy vào công nghệ ứng dụng:
Nhiệt độ: Áp dụng trong công nghệ/kỹ thuật hàn buồng nhiệt (reflow) và bể chất hàn nóng chảy lỏng (wave soldering).
Áp lực: Áp dụng trong kỹ thuật “Câu dây nối” (wiring bonding technology) từ khối bán dẫn IC ra các điểm trên bảng mạch in được áp dụng ở lắp ráp điện tử trên bề mặt dùng COB (Chip On Board).
Hàn với yếu tố nhiệt có thể dùng chính vật chất của vật cần hàn hoặc dùng chất thứ ba rồi cho gia nhiệt đến điểm nóng chảy.
Trong lắp ráp điện tử công nghiệp, việc sử dụng yếu tố nhiệt là phổ biến với cách sử dụng chất thứ ba (kem hàn hay chất hàn nóng chảy).
Hàn nhiệt với chính vật chất của linh kiện có ở công nghệ dán linh kiện bằng flux (flux trancripton) rồi cho qua buồng nhiệt để chính chân IC nóng chảy hàn xuống bảng mạch (FC process).
Đặc điểm của hàn trong lắp ráp điện tử là kết nối hai phần kim loại khác nhau (1) chân/điện cực của linh kiện với (2) pad hàn của bảng mạch thông qua (3) hợp kim trung gian (chất hàn) có nhiệt độ nóng chảy thấp hơn nhiều, (1) và (2) là hai thứ cần liên kết để có kết nối mạch điện tốt.
Chân/điện cực (lead/electrode) của linh kiện tham gia quá trình hàn có nhiều loại, được tác giả phân chia thành hai (2) nhóm, với cách gọi là (1) chân linh kiện xuyên lỗ và (2) điện cực linh kiện dán.
Dưới đây là nội dung tổng hợp bộ chân linh kiện xuyên lỗ và dán bề bề mặt trước và sau khi hàn với kết quả đáng mong đợi nhất.
4.1.1. Kiểu chân linh kiện xuyên lỗ (Lead Type)
4.1.1.1. Chân linh kiện đơn (Single pin)
Là loại linh kiện thụ động thường đóng vai trò là điểm đo đạc, kiểm tra tín hiệu điện, hay trạm để quấn/hàn dây nối hay linh kiện hoặc đóng vai trò cả hai. Không đóng vai trò tích cực vào mạch điện và hầu như ít tạo ra nguy cơ tiềm ẩn về an toàn điện (hình 4-1).
Loại này có 1 chân duy nhất cắm xuyên qua bảng mạch có thể được tăng cường tán chân ở phía mặt hàn (hoặc không), khi cần tán, phần tán cần được đảm bảo không ảnh hưởng đến mặt phẳng hàn (xem thêm phần 2.2.1. Gắn con tán)
Hình 4-1: Trạm quấn/hàn dây trên bảng mạch
Hình 4-2: linh kiện trạm/cọc
Hình 4-3: Trạm/cọc đo đạc trên bảng mạch (test point)
Một linh kiện đặc biệt không có những mục đích nêu trên mà chỉ đóng vai trò tăng cường chịu lực, chịu dòng và chịu nhiệt cho linh kiện xuyên chân qua đó đó là lỗ xâu. Lỗ xâu là một ống kim loại mềm được đính và tán phía mặt hàn vào bảng mạch sao cho có thể vẫn cắm xuyên chân linh kiện sang mặt hàn.
Hình 4-4: Linh kiện lỗ xâu (eyelet)
4.1.1.4. Linh kiện hai (02) chân (Dual pins)
Là linh kiện tụ điện, điện trở, cuộn dây, diode hai chân
Hình 4-5: Linh kiện xuyên lỗ 2 chân
Hình 4-6: Linh kiện xuyên lỗ 2 chân (tiếp)
Hình 4-7: Linh kiện xuyên lỗ 2 chân chưa uốn
4.1.1.3. Linh kiện ba (03) chân cùng hàng (Triple pins) 
Hình 4-8: Linh kiện xuyên lỗ 3 chân
Chú ý: TO-3 và TO-5 đến TO-72 không phải là loại 3, 4 chân thẳng hàng. Biến trở, transitor, diode cũng có loại các chân thẳng hàng và không thẳng hàng.
Linh kiện một hàng chân (Line pin)
Với loại thụ động: Điện trở mạng, đầu nối (hàng rào)
Với loại tích cực: mạch bán dẫn IC các loại
Hình 4-9: Linh kiện một hàng chân
4.1.1.4. Linh kiện có từ hai (02) hàng chân trở lên (Multi – line pin)
Chúng có thể là điện trở, biến trở, đầu nối, IC…
Hình 4-10: Linh kiện 2 hàng chân, loại ít chân
Hình 4-11: Linh kiện 2 hàng chân, loại nhiều chân
Hình 4-12: Linh kiện 2/3/4 hàng chân, loại nhiều chân
Tổng kết bộ chân cắm xuyên lỗ hoàn tất trên bảng mạch
Linh kiện xuyên lỗ có thể có nhiều hình dáng khác nhau nhưng có đặc điểm chung như tên gọi là chân cắm xuyên qua bảng mạch in và mối hàn chính tập trung vào phía đối diện thân linh kiện (mặt hàn). Và cho dù kết cấu thân linh kiện có phức tạp hay đơn giản thì chúng chỉ có bốn (04) kiểu bố trí chân ở phía mặt hàn (xem hình 4-13). 
Hình 4-13: Tổng hợp bộ chân xuyên lỗ trên bảng mạch
Kết quả hàn chân xuyên lỗ vào bảng mạch được mô tả như sau
Hình 4-14: Mô tả chân linh kiện trong mối hàn 
4.1.2. Chân/điện cực linh kiện dán (SMD)
Kiểu chân linh kiện được quyết định bởi cách đóng gói và các kiểu đóng gói linh kiện dán rất đa dạng được mã hóa bằng các ký tự viết tắt trong tiếng Anh, để tìm hiểu và nhận biết cách tốt nhất là mô tả bằng hình ảnh và dần dần làm quen để nhớ các ký tự.
Trong sản xuất, khi thực hiện kỹ thuật lắp ráp hàng loạt, chúng ta sẽ tạm bỏ qua chức năng hoạt động của linh kiện, chỉ tập trung vào kết cấu đóng gói bên ngoài. Để dễ dàng tiếp cận, sách sẽ phân loại linh kiện dán (SMD) theo nhóm căn cứ vào số lượng điện cực (chân).
Ba (3) nhóm đóng gói linh kiện dạng dán (SMT package) là (1) ít chân, (2) nhiều chân và (3) các kiểu khác.
4.1.2.1. Kiểu đóng gói ít chân
Tổng số điện cực (chân) mỗi chi tiết linh kiện ít hơn 8. 
Gồm các nhóm đóng gói (xem hình 4-15):
– Hai cực có 3 mặt mỗi cực
– Hai cực có 5 mặt mỗi cực
– Hai cực có mặt lõm mỗi cực
– Hai cực có mặt trụ tròn mỗi cực
– Dạng đóng gói SOD – có nhiều kiểu chân 
– Dạng đóng gói D – có nhiều kiểu chân 
– Dạng đóng gói SOT – có nhiều kiểu chân 
Hình 4-15: Đóng gói ít chân
4.1.2.2. Kiểu đóng gói nhiều chân 
Tổng số điện cực (chân) mỗi chi tiết linh kiện từ 8 trở lên (≥ 8)
Gồm các nhóm đóng gói (xem hình 4-16):
– Hai hàng chân (hai phía đối xứng) SOP
– Hai hàng chân (hai phía đối xứng) TSOP
– Hai hàng chân (hai phía đối xứng) TSSOP
– Hai hàng chân (hai phía đối xứng) VSOP
– Hai hàng chân (hai phía đối xứng) QSOP
– Hai hàng chân (hai phía đối xứng) SSOP
– Hai hàng chân (hai phía đối xứng) SOJ
– Hai hàng chân (hai phía đối xứng) DFN
– Hai hàng chân (hai phía đối xứng) PQFN
– Bốn hàng chân (bốn phía) QFP
– Bốn hàng chân (bốn phía) LQFP
– Bốn hàng chân (bốn phía) MQFP
– Bốn hàng chân (bốn phía) LCC
– Bốn hàng chân (bốn phía) PLCC
– Bốn hàng chân (bốn phía) MLP
– Bốn hàng chân (bốn phía) mặt điện cực lõm
– Nhiều hàng chân bên dưới LGA
– Nhiều hàng chân dạng bi bên dưới BGA
– Nhiều hàng chân cột bên dưới CGA
– Nhiều hàng chân bên dưới PGA
– Chân đầu nối một hoặc hai hàng chân dạng xòe cánh
– Chân đầu nối một hoặc hai hàng chân dạng phẳng bằng mặt 
Hình 4-16: Đóng gói nhiều chân
4.1.2.3. Các kiểu đóng gói khác 
Là bộ chân của các cụm chức năng (module) và các dạng lắp ráp có cách kết nối các linh kiện với nhau không dùng chất hàn như SMT căn bản, mà dùng kết nối bằng câu dây nối (wire bonding) thường đi cùng với gắn IC trực tiếp trên bảng mạch (COB  Chip On Board), gắn IC trực tiếp trên mặt (kính) thủy tinh (COG  Chip On Glass), gắn IC trực tiếp trên bảng mạch mềm hai (2) lớp (COF  Chip On Film), gắn IC trực tiếp trên bảng mạch mềm ba (3) lớp có mạch xuyên lớp, (TCP  Tape Carrier Package), tấm dẫn điện dị hướng (ACF  Anisotropic conductive film), … Trong đó ACF được chứng minh là có thể thay thế cho tất cả các công nghệ/kỹ thuật nêu trước.
Chú ý: TAB (Tab  Automated  Bonding) là dạng IC đóng gói sẵn theo công nghệ COF để sử dụng máy dán linh kiện. TAB được xem là một băng chứa linh kiện dán.
Hình 4-17: Các cụm chức năng
Hình 4-18: Tổng hợp 16 bộ chân cơ bản của linh kiện dán
Tuy họ linh kiện dán bề mặt SMT nhìn qua khá phức tạp tạo ra cảm giác khó có thể hiểu và nắm bắt hết. Tuy nhiên sự tổng hợp sau đây, với mục đích tập trung vào các điện cực của linh kiện, thành phần chính cần ưu tiên nắm rõ để tạo kết nối (hàn) vào bảng mạch họ linh kiện SMT cho đến hiện đầu 2018 thì có 16 loại điện cực được tổng hợp như trong hình mô tả dưới đây, cộng với các phương pháp gia công đặc biệt như WB/COB/COG/COF/TCP/TAB/ACF (xem các mục dưới). Các thành phần liên quan khác như thân linh kiện sẽ đề cập trong phần nhận dạng định tâm linh kiện.
Sự đa dạng về dạng đóng gói làm phức tạp việc dán chi tiết linh kiện lên bảng mạch do việc máy dán giữ và nhận dạng linh kiện dựa vào hình dáng để xác định tâm dán, đây là một việc làm cần thiết để đặt chính xác theo yêu cầu thiết kế. Tuy nhiên cho dù thân linh kiện (gói) là dạng gì, phức tạp ra sao thì yêu cầu kết quả sau cùng luôn là đặt chính xác các điện cực/chân linh kiện vào tâm mặt phẳng hàn để tạo điều kiện hình thành kết nối mối hàn tốt nhất.
4.1.2.4. Kết quả hàn mười sáu (16) bộ chân/điện cực linh kiện dán
4.1.2.4.1. Điện cực 3 mặt (3 sides terminations)
Hình 4-19: Điện cực có 3 mặt
4.1.2.4.2. Điện cực 5 mặt (5 sides terminations)
Hình 4-20: Điện cực có 5 mặt
4.1.2.4.3. Điện cực lõm (castellated terminations)
Hình 4-21: Điện cực mặt trụ lõm
4.1.2.4.4. Điện cực trụ tròn (cylindrical end cap terminations) (MELF)
Hình 4-22: Điện cực trụ tròn
4.1.2.4.5. Điện cực mặt đáy (bottom terminations)
Hình 4-23: Điện cực mặt đáy
4.1.2.4.6. Chân xòe cánh (wull wing leads)
Hình 4-24: Điện cực dạng chân xòe cánh
4.1.2.4.7. Chân chữ J (J leads)
Hình 4-25: Điện cực chân chữ J
4.1.2.4.8. Chân chữ L (L leads) ngược
Hình 4-26: Điện cực chân chữ L ngược
4.1.2.4.9. Chân chữ I (butt/I connections)
Hình 4-27: Điện cực chân chữ I
4.1.2.4.10. Chân phẳng bằng mặt (flat lug leads)
Hình 4-28: Điện cực chân phẳng bằng mặt
4.1.2.4.11. Không chân có đáy (bottom terminations _ no leads)
Hình 4-29: Điện cực không chân có đáy
4.1.2.4.12. Không chân chỉ đáy (bottom terminations only)
Hình 4-30: Điện cực không chân chỉ đáy
4.1.2.4.13. Chân chữ P (P – style connections)
Hình 4-31: Điện cực chân chữ P
4.1.2.4.14. Điện cực giải nhiệt (bottom themal plane terminations)
Hình 4-32: Điện cực giải nhiệt
4.1.2.4.15. Chân dạng bi (solder ball terminations)
Hình 4-33: Điện cực chân bi
4.1.2.4.16. Chân dạng cột (solder column terminations)
Hình 4-34: Điện cực chân dạng cột
4.2. CÔNG NGHỆ HÀN BUỒNG NHIỆT
Dùng thiết bị tạo ra buồng nhiệt _ thường được gọi là Reflow oven (lò hàn hồi lưu, gọi tắt là reflow) _ để tạo ra một môi trường có nhiệt độ thay đổi theo thời gian, tương ứng với các thông số làm khô cứng keo để gắn chặt CHIP vào bảng mạch hoặc làm cho thiếc hàn dạng kem nóng lên chuyển sang thể lỏng mà hàn dính linh kiện xuống mặt phẳng hàn trên bảng mạch.
Công nghệ hàn linh kiện vào PCB với chất hàn dạng kem phổ biến nhất là hàn đối lưu gió nóng (convection), công nghệ này luôn hiện hữu trong các nhà máy lắp ráp điện tử, nó tuân theo một qui luật theo biểu đồ nhiệt/thời gian để hàn các linh kiện vào bảng mạch. Việc nâng cao chất lượng mối hàn ngày nay thì lò hàn đối lưu có thể kết hợp với khí trơ nitơ (N2) tạo môi trường khí trơ nhằm giảm mức ôxi hóa mối hàn.
Hàn đối lưu cũng là cách hàn phổ thông nhất và rẻ tiền nhất trong các công nghệ hàn với chất hàn dạng kem. Trên thực tế, công nghệ hàn với kem hàn có ba công nghệ khác nhau sau: Bức xạ hồng ngoại (IR), đối lưu khí nóng (convection) và bay hơi thể khí bão hòa nóng (vapor phase) trong đó vapor phase được xem là phương pháp của tương lai lắp ráp điện tử do môi trường hàn này hoàn toàn không có ôxi.
Nguyên lý chung cho ba cách hàn này là phải có một buồng nhiệt (hay một không gian) thay đổi được nhiệt độ theo thời gian để đáp ứng ba (3) yêu cầu chính là (1) đáp ứng yêu cầu kích hoạt hoạt hóa flux đúng đủ, (2) nâng nhiệt lên trên điểm nóng chảy của hạt bột hàn, để chuyển hóa từ thể rắn sang thể lỏng trong một khoảng thời gian cho phép, rồi sau đó (3) giảm nhiệt cho chất hàn đang ở thể lỏng đông đặc lại mà kết dính phần kim loại của linh kiện xuống phần kim loại bảng mạch (pad hàn).
Bốn phần: (1) Bức xạ hồng ngoại (IR); (2) Đối lưu cưỡng bức (Convection); (3) Phối hợp hồng ngoại với đối lưu cưỡng bức và (4) Thể khí bão hòa nóng (Vapor Phase) sẽ được lần lượt trình bày dưới đây. Hàn gió nóng (máy khò, BGA rework), hàn laser, hàn xung nhiệt không nằm trong nhóm này.  
4.2.1. Bức xạ tia hồng ngoại (IR Reflow)
Hình 4-35: Mô hình lò hàn tia hồng ngoại
Kết cấu lò hàn dạng IR tương tự sơ đồ hình 4-35 bộ phận phát nhiệt là các điện trở bức xạ hồng ngoại. Đặc tính hấp thụ tia hồng ngoại của vật chất (PCB và linh kiện) phụ thuộc nhiều màu sắc: càng tối màu càng hấp thu nhiệt mạnh và ngược lại, nên nếu PCB không có màu thống nhất giữa các thành phần hay lô hàng chế tạo/phủ sơn khác nhau sẽ cho chất lượng mối hàn không giống nhau. 
4.2.2. Đối lưu gió nóng (Convection Reflow)
Hình 4-36: Mô hình hàn đối lưu cưỡng bức
Lò hàn này giống như hình 4-36, gió nóng được thổi và có thu lại qua các điện trở nhiệt, tạo nên dòng khí nóng luân chuyển tái sử dụng tối đa trong buồng nhiệt, nơi PCB đã dán linh kiện di chuyển ngang qua, lò này không phụ thuộc màu sắc PCB nên độ ổn định cao hơn lò hồng ngoại nhưng tốc độ hàn của lò này lại thấp hơn lò hồng ngoại khoảng 20%.
4.2.3. Lò hàn đối lưu và hồng ngoại (IR+Convection Reflow)
Hình 4-37: Mô hình lò hàn hỗn hợp tia hồng ngoại và đối lưu cưỡng bức
Là sự phối hợp của cả hai để tận dụng ưu thế của từng loại. 
4.2.4. Thể khí bão hòa nóng (Vapor Phase Reflow)
Hình 4-38: Mô hình hàn thể khí bão hòa nóng 
Đây được xem là công nghệ hàn của tương lai do nó có tốc độ hàn rất nhanh (nhanh hơn 8 lần hồng ngoại, 10 lần đối lưu) và không cần khí trơ nitơ (N2) hỗ trợ hàn, do chất bay hơi thể khí bão hòa này nặng hơn không khí nên khi hàn tương đương trong môi trường khí trơ.
Nhiệt độ của chất bay hơi thể khí bão hòa này có thể dễ dàng len lỏi vào mọi điểm hàn một cách nhanh chóng do nặng hơn không khí, nên mọi điểm cần hàn nhanh chóng đạt được nhiệt độ cần thiết gần như cùng lúc, với tốc độ như thế thì hiện tượng bắt cầu do hấp thụ nhiệt hay linh kiện bật đứng (tombstom) hầu như không thể xảy ra, ngoại trừ tình huống linh kiện dán lệch và điện cực bị ôxi hóa.
Hàn bằng bay hơi thể khí bão hòa không phụ thuộc nhiều vào biểu đồ nhiệt như hai loại hàn kia và thực tế biểu đồ nhiệt cũng rất khác về độ ổn định (hình 4-39).
Đây là một phương pháp hàn có bản quyền được bảo hộ và khá đắt đỏ nên chưa phổ biến lắm.
Để giúp bạn đọc hình dung độ ổn định của ba thế hệ hàn với chất hàn dạng kem chúng ta sẽ xem bảng so sánh biểu đồ nhiệt của chúng như trong hình 4-39.
Hình mô tả so sánh biểu đồ nhiệt của ba nguồn nhiệt hàn buồng nhiệt.
Hình 4-39: So sánh ba biểu đồ nhiệt
4.3. KỸ THUẬT SẤY VÀ HÀN BUỒNG NHIỆT
4.3.1. Reflow với keo dán hay sấy keo dán
Nâng và giảm nhiệt theo một biểu đồ cho phép làm cho keo khô cứng dần để dính chặt các linh kiện dạng SMT trên bề mặt PCB với một độ bám dính đủ sao cho khi qua máy hàn sóng không bị rơi mất.
Một loại keo có các tham số kỹ thuật trong hình 4-40 cho chúng ta thấy ba tình huống có thể giúp keo khô lại như sau:
Stt Nhiệt độ trên bề mặt PCB Thời gian tối thiểu
1 130 oC ≥ 90 s
2 120 oC ≥ 120 s
3 110 oC ≥ 180 s
Stt Nhiệt độ trên bề mặt PCB Thi gian tối thiểu
1 130 oC ≥ 90 s
2 120 oC ≥ 120 s
3 110 oC ≥ 180 s
Hình 4-40: Tiêu chí nhiệt cho sấy keo dán
Căn cứ vào những thông số này, các kỹ thuật viên có thể tùy chọn một trong ba cách để cài đặt cho lò hàn để làm khô cứng keo. Tức là, sau khi dán linh kiện lên keo xong, chúng ta cần duy trì nhiệt theo thời gian một trong ba cách trên với tốc độ gia nhiệt khoảng 18oC/s (theo data sheet) rồi duy trì nhiệt độ theo bảng thì keo sẽ đông cứng giữ chặt linh kiện trên PCB.
Sau khi khô cứng, để kiểm tra chúng ta cần chờ cho toàn bộ PCB nguội hẳn về nhiệt độ môi trường, rồi dùng một lực đẩy ngang sườn của CHIP (2012C) khoảng 29.4N (3kgf) trong thời gian 2-4 giây, nếu không làm rơi linh kiện là đạt. Chú ý linh kiện được chọn cho bài kiểm tra này cần phải được gia cố lực bổ sung nếu không có thể sẽ bị rơi mất sau đó. 
4.3.2. Reflow với kem hàn
Là nâng dần nhiệt theo một biểu đồ cho phép làm cho dung dịch flux có trong kem hàn được kích hoạt hoạt tính để tạo phản ứng hóa học, giúp tẩy lớp ôxi hóa bên ngoài các bề mặt kim loại cần hàn, sau đó giữ nhiệt sao cho lượng nước sinh ra và hóa chất phụ gia bay hơi hết trước khi nâng nhiệt đến mức nóng chảy chất hàn, rồi cho nguội dần để kim loại lỏng kết nối các linh kiện với nhau thông qua mạch đồng của PCB.
Có thể nói, cơ chế hàn là một kỹ thuật luyện kim, vì trong kỹ thuật này chính là dùng nhiệt đun chảy kim loại rồi cho đông đặc trở lại. Điểm khác nhau là ở đây không dùng khuôn định hình mà để thẩm thấu, lan tỏa và lấp đầy một các tự nhiên.
Nhắc lại: Hàn SMT bằng buồng nhiệt có bốn (04) kỹ thuật ứng dụng thực tế là kỹ thuật bức xạ hồng ngoại (IR), kỹ thuật đối lưu gió khí nóng (convection), phối hợp hồng ngoại với gió nóng và kỹ thuật thể khí bão hòa nóng (vapor phase). 
Dù là dùng cái nào thì kỹ thuật hàn buồng nhiệt phải đáp ứng các yêu cầu sau: Nâng dần và giảm dần nhiệt độ sao cho không gây ứng lực bởi nhiệt tác động gây cong vênh PCB hay nứt vỡ mối hàn, kích hoạt hoạt hóa thuộc tính thông lượng flux để tẩy rửa oxi hóa bề mặt điểm hàn trên PCB và các hạt bột hàn, tạo ra nhiệt độ nóng chảy cho bột hàn tuân theo nguyên lý đúc kim loại của kỹ thuật luyện kim. Phổ biến thường dùng là hợp kim hàn có E – point (Eutectic). Chất hàn có E – point gọi là chất hàn dễ, ngược lại được gọi là chất hàn khó.
Để đạt được các yêu cầu trên kỹ thuật buồng hàn nhiệt cần kiểm soát được các thông số sau: 
Preheat – Mồi nhiệt để đưa PCB từ nhiệt độ môi trường lên dần để vào vùng ngâm nhiệt (soaking)
Soaking time – Thời gian ngâm nhiệt kích hoạt hoạt tính (cho flux) (oC/s),
TAL (Time Above Liquiduos) – Thời gian trên điểm nóng chảy (s),
OT (Over Temperature) – Quá nhiệt (oC),
Peak Temperaturre – Nhiệt độ đỉnh cao nhất cho phép của chất hàn (oC),
Ramp Rate – Độ dốc sườn tăng nhiệt (oC/s),
Cooling Rate – Tỉ số giảm nhiệt sau khi nóng chảy (oC/s),
O2 Level – Mức ôxi trong buồng hàn (ppm) cho trường hợp có N2,
Conveyor speed – Tốc độ băng tải đưa PCB lướt qua buồng hàn (feet/min hay cm/min).
Thông tin về nhiệt độ được thể hiện trong biểu đồ nhiệt được vẽ ra bằng các thiết bị đo đạc, ghi lại trong quá trình chạy xuyên suốt qua lò hàn. Biểu đồ nhiệt này thường được gọi profile temperature (thường gọi tắt là profile) (hình 4-41).
Hình 4-41: Sơ đồ biểu đồ nhiệt với lò hàn đối lưu cưỡng bức 
Đây là một lò hàn có bảy vùng (zone) làm nóng và hai vùng làm nguội, kem hàn là loại truyền thống Sn63/Pb37 có điểm nóng chảy 183oC và là chất hàn dễ.
Các pha trong quá trình hàn buồng nhiệt được mô tả ở hình 4-42:
Hình 4-42: Mô tả chi tiết các pha trong hàn buồng nhiệt 
Ngoại trừ kỹ thuật hàn thể khí bão hòa nóng chỉ có một buồng nhiệt. Để thực hiện các yêu cầu của tổng thời gian qui trình hàn, buồng hàn được phân chia thành từng vùng nhỏ hơn để kiểm soát nhiệt trong đó, tùy thuộc vào mong muốn kiểm soát chi tiết càng cao thì cần có nhiều vùng (zone).
Preheat (mồi nhiệt)
Có nhiệm vụ mồi nhiệt độ để đưa PCB có nhiệt độ môi trường lên mức gần hoặc đúng với nhiệt độ soaking (vùng T1), trong khoảng thời gian này các chất phụ gia hòa tan sẽ bay hơi một phần, phần còn lại sẽ bay hơi tiếp trong bước tiếp theo. 
Thông thường vùng này không quan trọng lắm, chúng ta chỉ cần sao cho điểm cuối của chu trình này tiệm cận điểm nhiệt độ tối thiểu của yêu cầu thấp nhất vùng soaking, hay nói cách khác là nhiệt độ đỉnh của vùng preaheat là nhiệt độ thấp nhất của yêu cầu soaking có trong data sheet của kem hàn.
Hình 4-43: Pha mồi nhiệt
Soaking time (thời gian ngâm nhiệt kích hoạt hoạt hóa flux)
Đây là khoảng thời gian ngâm nhiệt để kích hoạt hoạt tính của thông lượng flux với mục đích tẩy rửa ôxi hóa bề mặt PCB và hạt bột hàn trong hỗn hợp kem hàn.
Hình 4-44: Pha hấp nhiệt kích hoạt flux tẩy rửa ôxi hóa bề mặt
Ở đây xảy ra một phản ứng hóa học giúp tẩy rửa ôxi hóa bề mặt của pad đồng và bột chất hàn như sau:
2R-COOH + Cu2O =>2(R-COOH)Cu + H2O
2R-COOH + Sn2O => 2(R-COOH)Sn + H2O
2R-COOH + Pb2O => 2(R-COOH)Pb + H2O
(R-COOH  => C19H29 – COOH)
Với hoạt tính gốc Halogen:
2HCl + Cu2O = 2CuCl + H2O
2HCl + Sn2O = 2SnCl + H2O
2HCl + Pb2O = 2PbCl + H2O
Theo phản ứng hóa học trên, chúng ta sẽ dễ dàng nhận thấy soaking có hai yêu cầu là ngâm một nhiệt độ trong một khoảng thời gian nhất định, đủ sao cho các chất tham gia phản ứng hết và lượng nước (H2O) cần hóa hơi toàn bộ bay ra ngoài, nhiệt thấp hay thời gian không đủ, hoạt tính của flux sẽ không hoạt hóa đủ hoặc hơi nước không bay hết làm PCB ẩm ướt và nếu bên trong khối bột hàn chưa bay hết hơi nước, thì khi vào vùng nóng chảy nước sẽ sôi bay hơi nhanh trong lòng khối kim loại chất hàn gây ra các vụ nổ bóng nước tạo lỗi bi chì li ti trên PCB cạnh các mối hàn.
Hình 4-45: Mô tả đường nhiệt điển hình hai trường phái lắp ráp điện tử
Trong sản xuất tồn tại song song hai “trường phái” soaking là của Nhật Bản và của Tây Âu. Giả sử họ sử dụng cùng một loại kem hàn tuy có cùng thông số nhưng họ thường có xu hướng “vẽ” biểu đồ nhiệt theo hai cách khác nhau, đó là các công ty Nhật sẽ cố gắng đi theo đường nằm ngang (đường đứt khúc) và các công ty phương Tây thì chọn cách đi theo đường chéo (đường liền nét) như hình mô tả.
Như vậy, nếu dùng kiểu đường soaking đi ngang chúng ta sẽ có tổng thời gian của biểu đồ dài hơn chéo và nếu có thể chúng ta nên thuyết phục chuyển sang đi đường chéo để tiết kiệm thời gian và năng lượng.
TAL (Tổng thời gian trên điểm nóng chảy)
Là khoảng thời gian trên điểm nóng chảy của hạt bột hợp kim hàn, một bộ phận của lò hàn nhận nhiệm vụ tạo ra nhiệt cao nhất của toàn bộ buồng hàn làm cho hạt bột hàn từ thể rắn chuyển sang thể lỏng và duy trì trong một khoảng thời gian vừa đủ để ướt rồi thấm đều các điện cực và khu vực hàn trên bảng mạch. 
Hình 4-46: Pha hàn với ba bước Ướt, Thấm và Tự chỉnh
Đây cũng là khoảng thời gian cần đủ dài để sau khi thấm các bề mặt hàn sức căng bề mặt của chất hàn lỏng sẽ phát huy tạo lực kéo các linh kiện về đúng vị trí trên PCB, hết khoảng thời gian này nhiệt độ giảm xuống theo một tốc độ cho phép tùy thuộc vào chất hàn nhưng thường từ khoảng
3 – 6s là tốt nhất, nếu < 3s thì không đủ mức lỏng để thấm; nếu > 6s thì chất hàn bị biến chất và oxi hóa mạnh (trong môi trường thường) gây xấu mối hàn.
Peak Temperature (nhiệt độ cao nhất cho phép của chất hàn)
Nhiệt độ tối đa cho phép đồng thời cũng là điểm để xác nhận hạt bột hàn ở thể lỏng tuyệt đối giúp thấm ướt các điểm cần hàn (điện cực, chân linh kiện và pad đồng của PCB), đồng thời hoàn tất khâu hàn và chuyển hóa sức căng bề mặt để tự điều chỉnh vị trí linh kiện vào đúng tâm của vị trí yêu cầu.
OT (Quá nhiệt)
Quá nhiệt là mức nhiệt cao trên mức cho phép tối đa của vật liệu hàn, vượt qua cả nhiệt độ đỉnh (peak temperature), trường hợp này tuy khá hiếm xảy ra nhưng không phải không xảy ra, thường được thấy là một mối hàn xấu rộp và gây cháy, cong vênh PCB, bong mạch đồng…
Ramp Rate (còn gọi Độ dốc hàn)
Hình 4-47: Độ dốc sườn nhiệt
Tỷ số đường dốc nhiệt tăng (oC/s), đường này yêu cầu không quá nhanh, gây sốc nhiệt và nếu chênh lệch nhiệt trên hai điện cực đủ lớn làm một cực có chất hàn chảy lỏng trước sẽ gây ra hiện tượng bật đứng (tombstoning by profile) do lực chuyển từ hóa sức căng bề mặt chất
hàn lỏng kéo điện cực này nâng phía điện cực kia lên gây bật đứng như hình 4-48:
Hình 4-48: Lỗi sức căng bề mặt do sườn nhiệt 
Cooling Rate (còn gọi Độ dốc làm nguội)
Tỷ số đường nhiệt làm nguội cũng cần giảm dần theo một tỷ lệ oC/s nhất định thường < 5oC/s để đảm bảo chất lượng mối hàn không bị ứng lực do co lại khi đông đặc.
Hình 4-49: Pha nguội
Để dễ kiểm soát, các nhà máy thường chọn Cooling rate = Ramp rate tại vùng hàn.
O2 Level (mức ôxi có trong lò hàn)
Thông số này áp dụng cho lò có sử dụng N2, để đo lượng khí trơ này người ta dùng phép đo ngược là đếm lượng O2 nên có tên gọi là đo mức O2. Đơn vị tính là ppm – part per million (phần triệu). Khi mối chất hàn nóng chảy và đang nguội đi thì hiện tượng ôxi hóa tăng mạnh do có tác nhân nhiệt độ tác động nên người ta đưa khí trơ vào buồng nhiệt, tập trung vào vị trí hàn và sườn làm nguội để nâng cao chất lượng mối hàn. 
Tùy thuộc vào yêu cầu của từng nhà máy mà có thể tiêu chuẩn O2 ppm
là 1000ppm, 500ppm, 200ppm hay 50ppm đặc biệt nhất là mức cao nhất
là 5ppm.
Để đạt được điều này chúng ta phụ thuộc vào các yếu tố sau: 
Độ tinh khiết của nguồn N2 đầu vào. 
Độ kín của lò.
Tốc độ hay lưu lượng của dòng khí N2 thổi vào lò.
Hệ thống ống dẫn thiết bị lấy mẫu khí trong lò để đo và bản thân chính thiết bị đo, đặc biệt cảm biến đo O2 hoạt động chính xác hay không (calibration).
Sau này với công nghệ thể khí bão hòa nóng (vapor phase) buồng hàn nóng này chứa một chất lỏng đặc biệt được đun sôi bốc hơi tạo một lớp khí nóng nặng hơn không khí, nên buồng hàn không có ôxi lẫn vào gây ảnh hưởng mối hàn. 
Conveyor speed (tốc độ di chuyển của băng tải chuyển PCB)
Tốc độ băng tải được cài đặt trên máy để mang PCB xuyên qua buồng nhiệt sao cho thông số này có được là kết quả kết hợp để đáp ứng các
yêu cầu về nhiệt độ theo thời gian ở các mục trên thường có giá trị từ
80 – 120cm/phút với lò hàn đối lưu có số vùng nhiệt > 7 (zone).
Hình ảnh thực tế các bước chuyển hóa trong lò hàn theo thời gian như hình 4-50:
Hình 4-50: Sáu bước chuyển hóa kem hàn bởi nhiệt trong lò
4.3.3. Các lỗi phát hiện sau hàn buồng nhiệt
Hình 4-51: Chip bật đứng
Hình 4-52: Chip có bi hàn
Hình 4-53: Linh kiện nứt
Hình 4-54: Bọt khí trên mối hàn
Hình 4-55: Linh kiện bám bụi chất hàn
Hình 4-56: Linh kiện bị hỏng thân
Hình 4-57: Keo dán lan vào đế hàn
Hình 4-58: Mối hàn có lỗ hổng
Hình 4-59: Mối hàn bị kéo dây
Hình 4-60: Mối hàn không thấm
Hình 4-61: Mối hàn nứt, vỡ
Hình 4-62: Thiếu chất hàn
Hình 4-63: Mối hàn thừa
Hình 4-64: Mối hàn tự hở
Hình 4-65: Ngắn mạch
Hình 4-66: Mối hàn “nở hoa”
Hình 4-67: Mối hàn xấu
Hình 4-68: Bi hàn
Hình 4-69: Lỗi đồng phẳng
Hình 4-70: Mối hàn xấu
Hình 4-71: Mối hàn có lỗ
Hình 4-72: Không thấm chất hàn
Hình 4-73: Mối hàn nứt, vỡ
Hình 4-74: Thiếu chất hàn
Hình 4-75: Thừa chất hàn
Hình 4-76: Mối hàn tự hở
Hình 4-77: Ngắn mạch
Hình 4-78: Mối hàn xấu
Hình 4-79: Không thấm chất hàn
Hình 4-80: Thiếu chất hàn
Hình 4-81: Thừa chất hàn
Hình 4-82: Mối hàn tự hở
4.4. CÔNG NGHỆ HÀN SÓNG 
(Hay còn gọi là hàn với bể hợp kim nóng chảy)
Trong Chiến tranh thế giới thứ 2 (WWII) người Mỹ đẩy mạnh sản xuất điện tử cho nhu cầu cuộc chiến bằng công nghệ auto – sembly, điểm nhấn của công nghệ này là hàn linh kiện hàng loạt bằng phương pháp nhúng (dipping), bề mặt hàn cùng với chân linh kiện xuyên lỗ vào bể hàn (solder pot) nóng chảy, toàn bộ mối hàn (về lý thuyết) sẽ đồng loạt kết nối với mạch in, một thực tế xảy ra với phương pháp này là không phải tất cả các mối hàn đều tốt và không phải tất cả các điểm cần hàn luôn được hàn, mà có thể vẫn là hở mạch (open), trải qua quá trình nghiên cứu và phát triển người ta phát hiện ra rằng: sau khi nhúng đủ thời gian cho phép, nhấc PCB lên nếu nghiêng một phía khoảng một góc 7o (chính xác là 6.7o) so với mặt phẳng ngang, rồi nhấc toàn bộ lên thì có được kết quả tốt nhất. Và ý tưởng PCB chạy trên băng tải nghiêng 7o lướt qua bể hàn hình thành phương pháp hàn sóng ngày nay.
Phương pháp nhúng không phải hoàn toàn chấm dứt mà còn xuất hiện ở những khâu sửa chữa board mạch với các bể hàn nhỏ (mini solder pot) giúp tháo gỡ những linh kiện xuyên lỗ nhiều chân rất hiệu quả.
Hàn sóng là dùng một thiết bị nấu chảy lỏng hợp kim hàn có kiểm soát nhiệt độ và tạo dòng chảy có rung, lắc hay rối loạn gọi là tạo sóng, rồi cho PCB đã gắn linh kiện lướt ngang để hàn các linh kiện vào bảng mạch.
Hình 4-83: Mô hình hàn sóng thông dụng
Để nâng cao chất lượng mối hàn, máy hàn sóng cần có các công nghệ trợ giúp là phun flux, mồi nhiệt và ngâm nhiệt như lò hàn buồng nhiệt, điểm khác nhau là kích hoạt, hoạt hóa flux ở đây chỉ có tác dụng tẩy rửa với bề mặt mạch in trên bảng mạch trước khi vào bể thiếc nóng chảy được tạo sóng. Công nghệ/kỹ thuật hàn sóng gọi chung mồi nhiệt và ngâm nhiệt là pre – heat.
Công nghệ hàn sóng cần xem xét các khía cạnh
Tẩm ướt flux
Hấp nhiệt flux
Dùng khí trơ (N2)
Biểu đồ nhiệt hàn sóng
4.4.1. Tẩm ướt flux (cho bảng mạch)
Tẩm ướt flux có tác dụng, sẽ cùng với vùng hấp nhiệt tạo phản ứng làm sạch bề mặt mạch đồng trước khi hàn trong bể thiếc nóng chảy.
Tẩm ướt flux có mục đích làm ướt đều mặt PCB có mạch đồng, có nhiều cách làm ướt PCB bằng flux được mô tả trong các hình 4-84, 4-85:
Hình 4-84: Sủi bọt flux 
Hình 4-85: Phun flux bằng khí nén tốc độ cao kết hợp rung siêu âm
4.4.2. Hấp nhiệt flux
Sau khi phun flux lên PCB để tạo phản ứng tẩy rửa ôxi hóa bề mặt mạch đồng trên PCB cần có nhiệt độ làm xúc tác, nhiệt độ yêu cầu ở giai đoạn này là từ 80 – 150oC trong khoảng thời gian từ 60 – 180 giây.
Phản ứng xảy ra ở đây là giữa ôxit đồng II với acid carbocylic tạo thành muối và nước bốc hơi.
2R–COOH + Cu2O => 2(R–COOH)Cu + H2O
Hay có gốc Halogen
2HCl + Cu2O = 2CuCl + H2O
4.4.3. Khí trơ nitơ (N2) hỗ trợ hàn
Để hạn chế ôxi hóa hợp kim hàn, với sản phẩm cần chất lượng cao, máy được ghép dùng thêm cùng N2. N2 là khí trơ nhằm chống ôxi hóa bề mặt kim loại khi có nhiệt độ cao, đặc biệt khi kim loại bị nóng chảy thì mức độ ôxi hóa càng dễ dàng hơn. Khí N2 được phun vào vùng sóng hàn, thậm chí phun cả vào vùng hấp nhiệt để phòng ngừa ôxi hóa phát sinh thêm ở vùng này. Hình 4-86 mô tả máy hàn sóng có sử dụng khí N2.
Hình 4-86: Hệ thống máy hàn sóng với khí nitơ
4.4.4. Biểu đồ nhiệt máy hàn sóng
Hình 4-87: Biểu đồ nhiệt độ công nghệ hàn sóng
Biểu đồ nhiệt chia làm ba vùng chính là vùng hấp nhiệt, vùng hàn và ra khỏi máy (vùng làm nguội).
Vùng hấp nhiệt tạo nhiệt độ từ 80 – 160oC trong khoảng thời gian thường từ 60 – 180 giây để tạo môi trường xúc tác cho phản ứng tẩy rửa ôxi hóa bề mặt mạch in, nhiệt độ được cài đặt tăng dần để vào vùng hàn PCB không bị sốc nhiệt.
Vùng hàn có thời gian trung bình từ 4 – 6s, với chất hàn được đun nóng chảy hoàn toàn với LFS thì nhiệt độ tối đa là không vượt 260oC.
Ra khỏi máy (hay vùng làm nguội) là vùng dùng gió mát hay khí mát thổi vào PCB sau khi vừa qua vùng hàn (nhúng trong chất lỏng nóng chảy) để làm nguội nhanh mối hàn đồng thời làm nguội PCB về nhiệt độ có thể cầm nắm được ở công đoạn kế tiếp.
Hàn linh kiện bằng bể hàn nóng chảy hiện nay có các phương pháp như hàn nhúng (dip soldering) và hàn sóng (wave soldering), với hàn sóng thì có các tên sóng hàn là lambda (λ), omega (Ω) và CHIP, đặc biệt hàn sóng theo khu vực định sẵn (selective wave) có hai loại một là vòi dạng thanh (bar nozzle) và vòi dạng tròn (nozzle).
Có các loại tên phân định cách hàn với bể hợp kim nóng chảy
như sau:
Hàn nhúng (dip soldering)
Hàn sóng lambda (λ)
Hàn sóng omega (Ω)
Hàn sóng kết hợp lambda (λ) với omega (Ω) 
Hàn sóng CHIP
Hàn sóng theo khu vực dạng thanh
Hàn sóng theo khu vực dạng vòi tròn
4.4.5. Hàn nhúng (dip soldering)
Phương thức cơ bản sơ khai nhất dùng bể chất hàn nóng chảy tạo thành một mặt phẳng kim loại lỏng, tẩm flux PCB đã cắm linh kiện xuyên lỗ rồi nhúng vào bể hàn, xem hình 4-88.
Hình 4-88: Hàn nhúng
Do hàn nhúng mặt phẳng PCB, song song mặt phẳng kim loại lỏng nên chất khí sinh ra từ flux ở những mối hàn không có nhiều lối thoát, nhất là các vị trí nằm sâu ở tâm PCB làm mối hàn xấu, thậm chí không thấm được chất hàn, cách hiệu quả nhất là hàn tiếp xúc lần lượt bằng từng vùng nhỏ hơn để giúp thoát khí.
Hình 4-89: Hàn với bể hàn có bơm hỗ trợ
Ban đầu người ta dùng tay tạo rung lắc PCB trên bề mặt chất lỏng nhằm cải thiện chất lượng, rồi tiến đến bơm thông qua vòi tạo dòng chảy và về sau nữa việc này được cải tiến bằng cách, cho PCB di chuyển ngang qua vòi phun chất hàn lỏng hình thành phương pháp hàn tự động như sau:
Hình 4-90: Hàn với bảng mạch di chuyển
Tuy nhiên, cách này vẫn chưa giúp thoát khí tốt nhất bởi PCB vẫn nằm ngang và với phát hiện phải góc nghiêng PCB góc 7o khi nhấc lên cho kết quả hàn tốt hơn mà hình thành cách hàn mới là hàn sóng lambda (λ).
4.4.6. Hàn sóng lambda (λ)
Tên gọi lambda ngày nay được ít nghe mà thường gọi là main wave (sóng chính) khi bể hàn xuất hiện thêm một họng hàn nhỏ hơn phía trước sóng chính, đây là cách gọi để phân biệt với sóng hàn CHIP (hàn linh kiện dạng CHIP nhỏ được dán bằng phương pháp dán keo phía mặt hàn với linh kiện xuyên lỗ), kỹ thuật hàn gọi là lambda do hình dáng khối kim loại lỏng có dáng λ (λ sharp). 
Hình 4-91: Hàn sóng lambda (λ)
4.4.7. Hàn sóng omega (Ω)
Hình 4-92: Sóng omega (Ω)
Sóng omega (Ω) là phương pháp thay thế cách rung tay ở hàn nhúng, ở đây chúng ta cũng dễ dàng nhận thấy hình dáng khối kim loại lỏng có hình chữ Ω rất rõ. Omega (Ω) còn dùng phương pháp bảng kim loại rung theo chiều song song hướng di chuyển của PCB (xem phần kỹ thuật hàn).
4.4.8. Hàn sóng kết hợp lambda (λ) với omega (Ω)
Hàn kết hợp này có nghĩa PCB đã di chuyển nghiêng 7o so với mặt phẳng ngang, đồng thời trong sóng hàn được thêm tạo sóng Ω. Ở đây sóng Ω là sóng Ω nhỏ lăn tăn trong lòng sóng lớn λ, thường tập trung ở trung tâm (hình 4-93) và được tạo ra bằng cách rung bảng kim loại hay dùng trục quay vị trí cao nhất của họng hàn sóng chính.
Xem kỹ thuật tạo sóng Ω trong lòng sóng λ ở phần kỹ thuật hàn sóng.
Hình 4-93: Hàn sóng lambda và omega 
4.4.9. Hàn sóng CHIP
Khi công nghệ thu nhỏ linh kiện phát triển, thời kỳ đầu các linh kiện có dạng CHIP thì một yêu cầu đặt ra là hàn được CHIP vào PCB bằng hàn sóng đã và đang dùng cho linh kiện xuyên lỗ, trên thực tế với sóng lambda không thể đáp ứng cho việc hàn được linh kiện CHIP, mà vẫn hàn được cả linh kiện xuyên lỗ đang có, đây là yêu cầu 2 trong 1 rất khó thực hiện tại thời điểm đó, vì thế, các nhà chế tạo máy hàn thiết kế đặt thêm một sóng hàn phía trước sóng lambda để chỉ phục vụ mục đích hàn CHIP, mà không thay đổi hay phá vỡ cách hàn linh kiện xuyên lỗ đang tồn tại song song. Sóng CHIP được tạo ra bởi các tia có đường kính nhỏ, phun thẳng đứng, đồng thời được lắc theo hướng vuông góc băng tải PCB giúp chất hàn lỏng có thể tiếp cận góc giữa chân linh kiện CHIP và bảng mạch, (xem phần kỹ thuật hàn).
4.4.10. Hàn sóng theo khu vực dạng thanh
Bản chất là hàn nhúng, nhưng có tạo dòng chảy, với họng hàn có tiết diện mặt phẳng hình chữ nhật hay vuông tùy thuộc vào yêu cầu khu vực hàn (xem phần kỹ thuật hàn 4.1.4.9).
4.4.11. Hàn sóng theo khu vực dạng vòi tròn
Bản chất là hàn nhúng có tạo dòng chảy và vòi hàn có thể di chuyển theo tọa độ lập trình, với vòi hàn có tiết diện mặt hàn hình tròn, thường dùng để hàn từng chân linh kiện xuyên lỗ hay một hàng chân như của connector (tương tự hàn di chuyển hay hàn kéo trong kỹ thuật hàn tay), đường kính vòi lớn nhỏ tùy thuộc kích thước chân và không gian chung quanh chân linh kiện tương ứng (xem phần kỹ thuật hàn).
4.5. KỸ THUẬT HÀN SÓNG
Hàn sóng (wave soldering) là tên gọi quen thuộc trong lắp ráp điện tử hiện nay và “hậu duệ” của nó đã phát triển thành nhiều phiên bản có thể không có một chút liên quan đến sóng hàn: đó là trường hợp hàn bằng vòi tạo thành dòng chảy giống như các đài phun nước, đây là kỹ thuật hàn được áp dụng để hàn theo từng khu vực, tiếng Anh gọi là selective soldering hay selective wave. Hàn theo từng khu vực có thể chia theo hình dáng như vòi tròn, dạng thanh hình chữ nhật hoặc một hình dạng thiết kế theo cách riêng… tuy có sự khác biệt trên thực tế vừa nêu nhưng bài viết này vẫn gọi chung là kỹ thuật hàn sóng.
Các pha tổng thể trong máy hàn sóng được mô tả như sau:
Hình 4-94: Tổng thể các pha hàn sóng
Kỹ thuật hàn sóng bao gồm năm yếu tố cần kiểm soát:
Băng tải
Tẩm ướt flux
Hấp nhiệt kích hoạt hoạt hóa flux
Biểu đồ nhiệt
Hàn
Thoạt nhìn, máy hàn sóng và quá trình này dường như là rất đơn giản vì chỉ có bốn chức năng cơ bản. Vận chuyển PCB bằng (1) băng tải với một tốc độ không đổi xuyên qua quá trình (2) tẩm ướt flux, (3) hấp nhiệt kích hoạt flux và (4) hàn. Tuy nhiên, khi kết hợp nhiệt độ, phản ứng hóa học, vật lý, vật liệu PCB, loại linh kiện, cách thiết kế các vị trí linh kiện và bố trí cách PCB vào máy, bây giờ một quá trình rất phức tạp đã xuất hiện với nhiều biến tương tác với nhau. Chúng ta sẽ lần lượt xét các yếu tố kỹ thuật để xem chúng tạo ra những tương tác ảnh hưởng đến kết quả mối hàn như thế nào.
4.5.1. Băng tải (conveyor)
Hình 4-95: Băng tải vận chuyển bảng mạch
Chức năng hệ thống băng tải là để chuyển tải các PCB vào máy, chạy xuyên qua các quá trình và ra khỏi máy. Băng tải phải giữ chặt PCB trong khi di chuyển PCB ở một tốc độ không đổi. Tốc độ băng tải giúp kiểm soát các thông số quá trình như độ dốc gia nhiệt ở qui trình hấp nhiệt, thời gian hấp nhiệt và thời gian duy trì trong sóng hàn. Tốc độ tải điển hình được đề nghị trong khoảng 4-6 ft/phút.
4.5.2. Bộ tẩm ướt flux (fluxer)
Tẩm ướt flux là phương pháp làm ẩm ướt bề mặt hàn của PCB đã cắm linh kiện xuyên lỗ bằng dung dịch có tính hỗ trợ hàn, có nghĩa chân linh kiện cũng có tẩm ướt, giúp cho công việc hàn trong sóng kim loại nóng chảy được dễ dàng hơn, tẩm flux có ba cách là nhúng (dip), sủi bọt (foam) và phun sương (spray). Phương pháp phun sương được sử dụng phổ biến nhất và là cách hỗ trợ tốt nhất hiện nay cho việc tẩm ướt ngay cả bên 
trong lỗ mạ xuyên lỗ giúp thiếc hàn lỏng dễ dàng thẩm thấu xuyên lên bề mặt trên.
Phương pháp nhúng (dip) trong lắp ráp điện tử ngày nay hầu như không còn áp dụng nữa, có chăng chỉ là khi xử lý với sự cố bộ fluxer không hoạt động người ta mới quay về tạm thời sử dụng.
Các phương pháp tẩm ướt hình thành nên các thiết bị tương ứng gọi là máy tẩm ướt flux (fluxer).
Máy tẩm ướt flux (flux còn gọi là nhựa thông) là một hệ thống để làm ướt điểm cần hàn trên bề mặt PCB cùng với các điện cực của linh kiện cần hàn. Có ba loại hệ thống tẩm ướt được sử dụng nhúng, sủi bọt và phun. Fluxer phun là hệ thống hiện nay được ưu tiên cho công nghệ “không cần rửa” bởi vì nó cung cấp sự kiểm soát tốt nhất sự lắng đọng flux và sự bốc hơi bài tiết hoặc sự ô nhiễm khi flux chứa trong các thùng kín. Flux tham gia quá trình có nhiệm vụ để loại bỏ các ôxit từ PCB và điện cực linh kiện để hàn và để thúc đẩy quá trình hàn.
Mức cần tẩm ướt PCB phụ thuộc vào mật độ chất hoạt tính hỗ trợ hàn có trong dung dịch (gọi là solid content) nếu thừa nhiều quá thì trên PCB sẽ có nhiều bã bẩn (residue) đồng thời dư lượng còn sót mang hóa tính acid gây ăn mòn mối hàn cũng như bề mặt kim loại.
Vì thế khi sử dụng phương pháp tẩm ướt nào cần phải cẩn trọng chọn tương ứng hàm lượng dung dịch flux.
Trong công nghệ flux “không cần rửa” (no-clean flux) tổng lượng của flux đưa vào bề mặt PCB là rất quan trọng để có được cách hàn tốt nhất và giảm thiểu dư lượng flux còn lại trên PCB. Hiện nay có hai loại flux “không cần rửa” được sử dụng, gốc cồn và gốc nước. Bởi vì sức căng bề mặt thấp của flux gốc cồn nên dễ ướt hơn và dễ khô nên không cần hấp nóng thời gian dài và đồng thời không nên dùng sóng hàn kép (tức dùng CHIP wave + main wave). Flux gốc nước nói chung là mạnh hơn gốc cồn và yêu cầu hấp nhiệt cưỡng bức đối lưu mạnh mẽ hơn để sấy khô tốt. Bởi vì sức căng bề mặt của gốc nước cao, nên bề mặt PCB không dễ ướt flux, trừ khi bề mặt đã được thêm vào hóa chất của nó.
Câu hỏi đặt ra là tại sao chúng ta cần flux?
Ngăn ngừa sự ôxi hóa các bề mặt kim loại
Tác động tích cực đến quá trình ướt và thấm trong pha hàn, tạo điều kiện cho các bề mặt thẩm thấu tốt tạo ra mối hàn tốt nhất.
Hình 4-96: Tẩm flux
Bỏ qua cách tẩm flux bằng phương pháp nhúng, chúng ta chỉ xem xét hai phương pháp phổ biến gắn trên máy hàn hiện nay.
Vị trí bộ tẩm flux được gắn trên máy hàn được mô tả như sau: 
Hình 4-97: Các kiểu tẩm flux phổ biến
Tẩm flux bằng phương pháp sủi bọt (foam)
Hình 4-98: Sủi bọt flux
Tẩm flux bằng phương pháp phun sương (spray)
Trong kỹ thuật này có ba kiểu xếp theo thứ tự chất lượng từ trên xuống như sau:
Phun sương kiểu tán khí với sóng siêu âm (ultrasonic)
Hình 4-99: Phun sương với kiểu tán bằng sóng siêu âm
Tia phun thực tế
Hình 4-100: Tia phun thực tế 
Phun sương với kiểu tán khí (air atomization) tia dải hẹp
Nguyên lý phun tia hẹp được mô tả trong hình 4-101, tia hẹp giúp giữ được mật độ flux (solid content) đồng đều hơn, do ít tỉ lệ bay hơi trong không gian di chuyển phun gần như nhau và là các tia gần như song song nhau theo lý thuyết thiết kế.
Hình 4-101: Phun tia kiểu tán bằng khí nén
Vì là tia hẹp nên bộ đầu phun cần kết hợp nhiều vòi phun nhỏ lại tạo thành một hàng có tám vòi nhằm tạo ra một vệt phun rộng hơn (hình thực tế) trong hình 4-102.
Hình 4-102: Tia phun thực tế – phun sương với kiểu tán khí
Phun sương tán khí tia dải rộng
Hình 4-103: Tia phun thực tế – phun sương tán khí tia dải rộng
Phun sương tán khí tia rộng sử dụng chung nguyên lý của phun tia dải hẹp, tuy nhiên thay vì dùng tia hẹp với nhiều vòi thì ở đây tối đa chỉ có hai vòi (hình 4-103), nên buộc phải có dải rộng và vì thế mức bay hơi dung dịch sẽ có phần khác đi.
4.5.3. Hấp nhiệt (preheat)
Mục đích của hấp nhiệt là để làm bay hơi các chất dung môi dẫn suất flux và thúc đẩy kích hoạt hoạt tính với mục đích làm sạch bề pad đồng mặt hàn trên PCB và điện cực/chân linh kiện bằng phản ứng hóa học, giảm sốc nhiệt cho PCB và các linh kiện để bắt đầu quá trình chuyển giao năng lượng nhiệt đến PCB chuẩn bị vào quá trình hàn. Bề mặt trên PCB có nhiệt độ điển hình khoảng giữa 180oF và 240oF.
Chức năng của pha hấp nhiệt như sau:
Làm cho các chất dung môi bay hơi.
Kích hoạt hạt hóa của flux.
Giảm thiểu mức chênh lệch giữa PCB/linh kiện và sóng hàn nóng chảy.
Hình 4-104: Pha hấp nhiệt
Hấp nhiệt cho máy hàn có hai kiểu trên thực tế:
Bằng tia bức xạ
Bằng đối lưu gió nóng
Nhận dạng các loại bộ hấp nhiệt phổ biến trong công nghiệp lắp ráp điện tử
Hình 4-105: Các bộ hấp nhiệt trên thực tế 
Hấp nhiệt bằng tia bức xạ hồng ngoại/ tinh thể (IR/QUARTZ preheat)
Hệ thống sử dụng ống phát tia hồng ngoại như là nguồn năng lượng chính. Các ống được bao phủ với thủy tinh chịu nhiệt cao, nó trở thành một nguồn bức xạ thứ cấp. Phương pháp này cung cấp một bước sóng nhiệt trung bình được phát ra từ ống IR và bởi vì thủy tinh có nhiệt độ thấp hơn so với các ống, nên nó phát ra lại một bước sóng dài hơn. Phạm vi kết hợp là khoảng 5-7 micron. Điều này sẽ cung cấp một nhiệt độ thống nhất trên bảng mạch tốt hơn so với hấp nhiệt, chỉ bằng có một nguồn chính. Tuy nhiên, có hai nhược điểm với hấp nhiệt hồng ngoại, đó là màu sắc chọn lọc nhiệt và không làm khô đối với flux gốc nước. Như vậy, màu tối hấp thụ năng lượng hồng ngoại tốt hơn so với màu sắc sáng, nếu màu sắc của màu sơn phủ PCB thay đổi, lượng hấp thụ hồng ngoại sẽ thay đổi. Nước không hấp thụ nhiều năng lượng của IR và vì thế nước chủ yếu được làm nóng bởi bảng mạch. Điều này làm cho nó khó khăn hơn để bay hơi với flux gốc nước “không cần rửa”.
Hấp nhiệt đối lưu cưỡng bức (forced convection preheat)
Trong hệ thống này, hệ thống sử dụng một tấm khuếch tán khí nóng cũng như làm nóng không khí khi nó đi qua các lỗ ở dạng tấm có nhiều lỗ khoan. Quạt gió lại lưu thông không khí nóng trở lại vào trong buồng và thông qua các tấm khuếch tán. Bảng mạch, linh kiện và flux hấp thụ năng lượng từ không khí nóng là như nhau, do đó PCB được làm nóng thống nhất. Từ đó đối lưu là một cách hiệu quả hơn để truyền năng lượng, khả năng của nó là làm khô flux gốc nước được tăng lên nhiều lần so với hấp nhiệt bằng hồng ngoại. Bởi vì đối lưu cưỡng bức không phụ thuộc màu nhạy cảm, thay đổi màu sắc sơn phủ sẽ có ít hoặc không có ảnh hưởng đến PCB.
4.5.4. Biểu đồ nhiệt vùng hấp nhiệt (preheating profile)
Cho dù sử dụng kiểu hấp nhiệt nào thì yêu cầu biểu đồ nhiệt luôn cần tuân theo một số qui luật nhất định, thông thường được thể hiện qua phép đo và vẽ lại để lưu trữ hồ sơ, nhằm mục đích quản lý chất lượng. Mô tả tiêu chí cho biểu đồ nhiệt với các chú ý sau:
Biểu đồ nhiệt đo được trên bề mặt phía trên của PCB
Nhiệt độ tiêu biểu cho chất hàn Sn/Pb = 90oC – 120oC
Nhiệt độ tiêu biểu cho chất hàn Pb-Free = 100ºC – 130ºC
Hình 4-106: Biểu đồ tiêu biểu cho pha hấp nhiệt
Chú ý: Đây là trường phái phương Tây lấy đường chéo làm cơ sở
hấp nhiệt.
4.5.5. Hàn sóng (solder waves)
Hàn sóng chính là trái tim của máy và là trung tâm của quá trình hàn. Các sóng hàn bao gồm sóng chính và sóng chip hoặc hỗn loạn. Sóng chính trong một quá trình hàn thường là một làn sóng tạo thành lớp, với lưu lượng kiểm soát ở họng phun. Chi tiết các pha hàn được mổ xẻ như hình 4-107:
Hình 4-107: Chi tiết pha hàn
 Chiều cao sóng là một tham số quan trọng vì nó ảnh hưởng đến thời gian dừng trong bể hàn và thoát khỏi bể hàn. Theo nguyên tắc chung, độ cao sóng nên từ 1/3 đến 2/3 của độ dày PCB (PCB thickness), tại thời điểm PCB vào các làn sóng hàn. Nhiệt độ của sóng thường được sắp xếp cài giữa 470oF và 500oF tùy vào hợp kim chất hàn và một vài đề nghị chi tiết thêm như sau:
Góc nghiêng danh nghĩa = 7º (6.7º)
Độ rộng sóng chính = 20 đến 40mm (sóng λ, main wave)
Độ rộng sóng CHIP = 15mm (chip wave)
T/g Ngâm (Dwell) trong chất hàn Tin/Lead = 3.5s với 235-250ºC cài đặt cho bể hàn.
T/g Ngâm (Dwell) trong chất hàn Lead Free = 2 tới 5s với 260 – 270ºC cài đặt cho bể hàn.
Tốc độ băng tải = 0.8 – 1.5 m/min
Tốc độ băng tải (m/min) = Độ rộng sóng (cm) x T/g Ngâm (sec)
Độ cao sóng/PCB = 1/3 – 2/3 độ dày PCB
Hình 4-108: Độ rộng tiếp xúc sóng hàn
Để xác định độ rộng sóng hàn hay độ rộng tiếp xúc sóng, người ta dùng một tấm thủy tinh chịu nhiệt có khắc các vạch để quan sát và đo đạc để tính toán. Trong hình là kết quả thật của độ rộng tiếp xúc sóng hàn của một máy có hai sóng (dual wave), chip wave và main wave.
Hình 4-109: Đo độ rộng sóng hàn
Các thành phần cấu thành các loại hàn sóng điển hình và tùy chọn dao khí nóng:
Hàn sóng CHIP
Hàn sóng chính
Hàn khu vực vòi tròn
Hàn khu vực dạng thanh 
Hàn khu vực với gá (Dip pallet)
Dao khí nóng
4.5.6. Hàn sóng CHIP (CHIP wave)
Hàn với sóng CHIP thường được kết hợp với sóng chính và luôn hàn một lượt trước khi vào sóng chính, với mục đích chính là hàn các linh kiện CHIP như tụ điện, điện trở, một vài loại IC có dạng chân xòe ra (gull wing), trước đây khi chất hàn có chì (PB) việc hàn này là vẫn đạt hiệu quả, tuy nhiên do yêu cầu về Lead free (chất hàn không chì) dẫn đến độ nhão chất hàn nóng chảy thay đổi, làm cho việc này gặp nhiểu khó khăn hơn dẫn đến sửa lỗi có thể nhiều hơn, vì thế sóng hàn nhất thiết cần có lưới để tạo tia như mô tả trên hình 4-110:
Hình 4-110: Họng hàn sóng CHIP
Có thể bạn biết có nhiều kiểu sóng CHIP khác nhau, nhưng sóng CHIP hiệu quả và được yêu thích khi sử dụng, đó là sóng nhiễu loạn hoạt động với ứng dụng trục xoắn. Ngoài ra, sóng CHIP có thể là 1 tấm phẳng có lỗ để tạo hiệu ứng tia thiếc lỏng lắc lư theo hướng tùy thuộc vào nhà thiết kế. Trong hình 4-111 là một kiểu sóng CHIP như thế nhưng không dùng lưới. Xem thêm ở phần cuối bài về họng hàn sóng CHIP.
Hình 4-111: Họng hàn sóng CHIP và sóng CHIP trên thực tế
4.5.7. Sóng chính (Main wave)
Sóng chính nguyên thủy chỉ là tạo dòng chảy qua các điện cực linh kiện cần hàn, do những cải tiến mới giúp thu nhỏ linh kiện và yêu cầu thẩm thấu chất hàn xuyên lên bề mặt trên, nên sóng chính có thể kết hợp thêm với các sóng phụ để hỗ trợ mức dâng giúp cơ chế thẩm thấu thuận tiện hơn. Hình 4-112 sử dụng công nghệ sóng chính kết hợp sóng Ω (tần số rung là sóng siêu âm) tạo nên bề mặt hàn nóng chảy gợn sóng.
Hình 4-112: Kết cấu sóng chính kết hợp sóng omega và thực tế sóng hàn
Các sóng hỗ trợ có tác dụng hiệu quả cho toàn bộ pha hàn, nhưng đặc biệt hỗ trợ cho pha nhỏ là pha thấm thì mới cho kết quả mong muốn về độ dâng trong lỗ hàn, theo định nghĩa của IPC thì tỉ lệ sóng hàn dâng lên như hình 4-113. 
Hình 4-113: Kết quả hàn theo tiêu chuẩn IPC
4.5.8. Hàn theo khu vực với họng hàn vòi tròn
Hình 4-114: Các dạng vòi tròn hàn theo khu vực
4.5.9. Hàn khu vực với họng hàn dạng thanh (bar) và hình khác
Hình 4-115: Các họng hàn hình chữ nhật và vuông
4.5.10. Hàn khu vực với gá đỡ PCB (DIP pallet)
Gá board hàn sóng (dip palet) là một công cụ phụ trợ cho kỹ thuật hàn sóng với mục đích giữ PCB cần hàn và che chắn phần không cần hàn để phục vụ mục đích hàn theo vị trí, một bộ gá hàn sóng được mô tả như hình 4-116:
Hình 4-116: Gá hàn hàn sóng đóng vai trò hàn theo khu vực
Tuy nhìn rất đơn giản nhưng thực tế là độ cao của PCB cần hàn so với sóng hàn có thể khác so với khi PCB nằm trực tiếp trên ngàm giữ (finger) của băng tải máy hàn hàn sóng, điều này buộc các kỹ thuật viên phải chỉnh lại độ cao sóng hàn và khoảng cách giữa bể chứa hàn lỏng với ngàm giữ của băng tải. Gá board hàn sóng do có lỗ hổng để hàn và các hốc để tránh linh kiện nên cần phải gia công tạo lỗ, đồng thời cắt xén và phay nhiều mặt NHƯNG luôn cần đảm bảo không tạo khoảng hở (sau khi
gắn PCB vào gá) làm cho chất hàn lỏng tràn lên phía trên có thể gây hư hỏng sản phẩm hoặc tạo các loại bi hàn rất nguy hiểm cho bảng mạch khi cấp điện.
Hình 4-117: Gá hàn bị thoát chất hàn lỏng lên mặt trên
Và khi chất hàn lỏng chui qua khe hở giữa PCB và gá giữ kẹt lại như hình 4-118.
Hình 4-118: Gá hàn bẩn đọng chất hàn tạo kênh kê bảng mạch
Ngoài những yếu tố trên, các điểm hàn nằm gần các góc của lỗ hàn hay sát mép đều có thể tạo ra hiện tượng không hàn hay thiếu thiếc do dòng chảy bị vướng, tạo ra thêm nhiều công việc sửa lỗi sau đó (hình 4-119).
Hình 4-119: Các góc khó hàn của gá hàn hàn sóng
Lưu giữ gá hàn hàn sóng cũng là một trong các điều cần quan tâm, để sao cho có thể bảo quản các bề mặt không bị va đập, biến dạng gây ra khe hở. Một mô tả kệ treo gá hàn như sau:
Hình 4-120: Kệ bảo quản gá hàn hàn sóng
Bên cạnh đó do gá hàn hàn sóng luôn dính flux khi phun cho PCB nên cần có quá trình rửa dư lượng flux bám trên gá, đây cũng là một yếu tố làm cho PCB có khoảng hở với gá.
4.5.11. Một vài đề nghị căn bản cho thiết kế gá hàn sóng
Gá PCB hàn sóng (dip palet) được đề nghị thiết kế sao cho khi dùng gá chứa PCB và khi đặt PCB trực tiếp vào máy thì khoảng cách tương đối của cùng một điểm trên PCB (trong cả hai trường hợp) đến bể hàn (solder pot) là bằng nhau và vị trí cần hàn nên có khoảng cách đều các phía khoảng 2mm (hình 4-121).
Hình 4-121: Mô tả tham số kết cấu gá hàn hàn sóng
4.5.12. Dao khí nóng (hot air knife)
Đối với mạch có mật độ linh kiện cao, chật hẹp và được sắp xếp theo các khối hình học chặt chẽ, hoặc khi qui trình có rất nhiều linh kiện, dao khí nóng được dùng như một tùy chọn để tách mối hàn bị bắt cầu, dao khí nóng là một phương pháp có bản quyền được đặt ở phía ra của bể hàn tạo ra một số lợi thế khác biệt. Vị trí dao khí nóng trong gói bể hàn được mô tả như sau:
Hình 4-122: Vị trí dao khí nóng trên bể hàn hàn sóng
Các lợi ích của dao khí nóng: (Air knife Advantages)
Giúp pha tháo dòng nhanh hơn
Tách mối hàn ngắn mạch
Khơi mối hàn bị rỗng
Hình 4-123: Dao khí nóng can thiệp vào đầu pha làm nguội
Dao khí nóng thổi vào các mối hàn vẫn còn trong tình trạng nóng chảy khi bề mặt mạch hàn vừa ra khỏi sóng hàn. Các dòng phản lực của không khí nóng, hướng vào mặt dưới của PCB, phá vỡ sự dính hàn các mối nối bên ngoài, chạm trổ thêm lỗ hổng mối hàn, lấp đầy thiếc hàn khoảng trống bên trong mạ xuyên lỗ, gỡ bỏ các mối hàn ngắn mạch, loại bỏ mối hàn dư thừa thiếc hàn, cho thấy rõ nhiều vấn đề bám thiếc hàn và sửa chữa các mối hàn bị hư hỏng. Bằng cách gỡ các mối hàn bị nối trên PCB mật độ cao và có các khối hình học sắp xếp chặt chẽ, bạn có thể tăng năng suất bằng cách giảm số lượng việc sửa lỗi hỏng (touch-up reduce). Tỷ lệ khuyết tật hướng đến mức thấp 2-20 PPM có thể đạt được trong các môi trường sản xuất lớn, trên các hệ thống được trang bị với dao khí nóng để gỡ các mối hàn bị nối tắt.
Quan trọng không kém là tác dụng hỗ trợ kiểm tra. Một mối hàn nối trông lành lặn bề ngoài và đáp ứng các tiêu chuẩn kiểm tra trực quan có thể bị che khuất khoảng trống trong một ống mạ xuyên lỗ, trường hợp này lắp ráp điện tử dễ dẫn đến thất bại trong cân chỉnh “nóng” mạch (cấp nguồn cho board mạch) trước khi lắp ráp mạch vào vỏ hộp máy. Dao khí nóng “kiểm tra ứng suất” tất cả các mối hàn, với dòng phản lực không khí nóng trực tiếp ở mối hàn, ở một tốc độ khoảng 100 mối hàn mỗi giây hoặc nhanh hơn. Áp dụng với dòng phản lực không khí nóng ở khoảng 1.000 ergs/cm2([1]) 

(mức lượng lực tác động xấp xỉ cần thiết để thổi bay phần dư thừa của mối hàn) sẽ không gây tác động xấu đến mối hàn lành lặn, hay mối dán keo linh kiện, nhưng sẽ phơi bày những mối hàn yếu có thể có lỗ hổng bên trong. Dao khí sẽ làm đầy chất hàn cho bên trong ống mạ xuyên lỗ mà cũng gây ra phát sinh khí trong mối hàn. Sự điền đầy này bị tạo bởi bọt khí xuất hiện do dao khí nóng và chất hàn vẫn nóng chảy thấm ngược trở lại vào lỗ mạ. Mối hàn đã đầy lại, theo cách này sẽ xuất hiện như là một mạch chưa được hàn xung quanh chân của linh kiện. Tuy nhiên, sau khi kiểm tra chặt chẽ hơn, mối hàn sẽ được quan sát mức điền đầy các lỗ của linh kiện xuyên lỗ ở một mức độ nào đó. Tùy thuộc vào các tiêu chuẩn kiểm tra được áp dụng, nếu độ thấm chất hàn và lỗ hàn được quan sát thấy đạt, mối hàn là lành lặn thì coi như đạt yêu cầu.

Một ưu điểm khác của dao khí nóng là rõ ràng nhận thấy hơn khi hàn SMD. Hệ số mở rộng cho các PCB chất nền thủy tinh/epôxi, các chân linh kiện, các mạch đồng và socket là khác nhau. Một lượng lớn của chất hàn trên chân linh kiện và mạch đồng sẽ gây ra ứng suất thừa cho mối hàn, điều này dẫn đến khuyết tật mối hàn và gây hư hỏng sớm. Các dao khí nóng sẽ tinh sửa mối hàn, loại bỏ dư thừa hàn và làm cho các mối hàn dễ uốn hơn, và do đó giảm mỏi cơ khí và lực căng do nhiệt. Nói cách khác là dao khí nóng trong ý nghĩa này giúp hỗ trợ kiểm soát sườn làm nguội tốt hơn. 
Động lực dao khí nóng: (Air knife Dynamics)
Dao khí nóng được tạo ra bằng tia hẹp (0.018″). Nhiệt độ dao khí nóng thường được điều chỉnh từ 750°F đến 850°F, và áp lực từ 4 đến 20 psi, tùy thuộc vào mật độ linh kiện, loại và hướng của PCB. Một trong các số thông số dao khí nóng có thể được điều chỉnh cho hiệu quả quá trình tối ưu là: góc hợp theo phương ngang từ 40o đến 90o và khoảng cách càng gần càng tốt mặt dưới của PCB. Nếu quan sát mối hàn từ phía trên PCB thấy có bắn tung tóe chất hàn, thì phải chỉnh nhỏ áp suất khí nóng của dao xuống dưới 1 PSI rồi chỉnh dần lên cho đến khi hết nối cầu mối hàn so với khi không có thổi. Một đề nghị với áp suất khí thổi từ 5-10 PSI, nhiệt độ 800oF (426oC) và góc là 65o cho một kết quả tốt nhất với hầu hết tất cả hạng lắp ráp PCB.
Hình 4-124: Chi tiết thực tế dao khí nóng

[1] erg: Đơn vị đo năng lượng và làm việc cơ khí trong một centimet gam giây (CGS). Ký hiệu là: erg. Có nguồn gốc từ “ergon” tiếng Hy Lạp nghĩa là “làm việc”. Một erg là lượng làm việc được thực hiện bởi 1 lực bằng 1 dyne tác dụng trên khoảng cách là 1 cm. Đơn vị cơ sở CGS là: g.cm2/s2.

Vì thế nó bằng 10-7 (J) hay 100 (nano J) trong hệ SI

                       1 erg = 10-7 J hay 100 nJ

                       1erg = 624.15 GeV = 6.2415 x 1011 eV

                       1erg = 1 dyne cm = 1 g.cm2/s2

4.5.13. Các lỗi xảy ra trong hàn sóng
Hình 4-125: Mối hàn hở kim loại  
Hình 4-126:  Mô tả hở phần đế hàn
Hình 4-127: Hở đế hàn  
Hình 4-128: Vết nứt
Hình 4-129: Vết nứt  
Hình 4-130: Lỗ sụp do khí
Hình 4-131: Bọt khí gây lỗ hổng  
Hình 4-132: Mối hàn hỏng (cold solder)
Hình 4-133: Ngắn mạch  
Hình 4-134: Ngắn mạch
Hình 4-135: Ngắn mạch chân IC dạng J  
Hình 4-136: Ngắn mạch chân IC xòe
Hình 4-137: Mối hàn không thấm  
Hình 4-138: Mối hàn mọc sừng
Hình 4-139: Sừng hướng về mạch dẫn  
Hình 4-140: Bảng mạch bẩn do xỉ hàn
Hình 4-141: Mối hàn chân xuyên lỗ nứt  
Hình 4-142: Mối hàn chân CHIP nứt
TÀI LIỆU THAM KHẢO
Association Connecting Electronics Industries, IPC-A-610E, Acceptability of Electronic Assemblies, 3000 Lakeside Drive, Suite 309S, Bannockburn, IL 60015-1219, 2010.
Association Connecting Electronics Industries, IPC-7525A, Stencil Design Guidelines, 2215 Sanders Road, Northbrook, IL 60062-6135, February 2004.
Speedline Technologies, Wave soldering system, USA.
Panasonic, RHIII No 8224 M040CE, Service manual, 1375 Kamisukiawara Showa – cho, Nakakoma – gun, Yamnashi 409 – 3895, Japan, 2000.
Matsushita Electronic Industrial Co., Ltd., AVK, NM-2011F Technical Guide, Singapore. 
Panasonic, CM602-L, Modular High-Speed Placement Machine, Service Manual.
Vitronics Soltec (Suzhou) Co. Ltd., Technical Reference Delta 3,5,7, Workshop II, 858 Zhujiang Road, Suzhou New District, China 215129, 2010.
Intel, Intel® Manufacturing Enabling Guide, May 2010, Additional Information on Sep 2012.
Carol Gowans, Paul Socha and Ronald C. Lasky, Applications of Solder Fortification with Preforms, Indium Corporation, Orlando FL, 2010. 
J. Campos, S. Kroehnert, E. O’Toole, V. Henriques, V. Chatinho, A. Martins, J. Teixeira, A. Cardoso, A. Janeiro, I. Barros, O. Tavares and R. Almeida, System in Package Solutions using Fan-Out Wafer Level Packaging Technology, NANIUM S.A. Avenida 1º de Maio 801 4485-629 Vila do Conde Portugal, June, 2013.
Charles E. Bauer, Ph.D. and Herbert J. Neuhaus, Ph.D., TSV Barriers Create SMT Opportunities, TechLead Corporation, Portland, Oregon, USA, 2014.
Performance Analysis Broadband Division – Honolulu Development Center, PCB CAD Design Guidelines, Honolulu, Oct, 2002.
Sitaram Arkalgud PhD, Vice President of Invensas Corporation, 2.5D/3D: Scaling Walls, San Francisco, CA USA, 2013.
Steffen Kröhnert, José Campos and Eoin O’Toole, System-in-Package (SiP) on Wafer Level, Enabled by Fan-Out WLP (eWLB), Messe Dresden, Germany, Oct, 2012.
Chelsia Ng, Solder paste training, Kester, May 2009.
KOKI, General Information on Solder Paste,
Heraeus, Troubleshooting SMT Solder Paste Problems,
Alan Lewis, Formulation Considerations for Automated Dispensing of Lead Free Solder Paste, Asymtek.
MỤC LỤC
Trang
Lời giới thiệu 3
Lời tác giả 5
Chương 1
GIỚI THIỆU CHUNG
1.1. LỊCH SỬ PHÁT TRIỂN NGÀNH LẮP RÁP ĐIỆN TỬ 9
1.1.1. Công nghệ Point to point 10
1.1.2. Công nghệ Auto – Sembly 10
1.1.3. Công nghệ Auto – Insertion  (Through – Hole Technology) 13
1.1.4. Công nghệ Auto – Mount hay SMT 15
1.2. TÌNH HUỐNG LẮP RÁP ĐIỆN TỬ VIỆT NAM 18
1.3. KẾT CẤU TỔNG THỂ SẢN PHẨM ĐIỆN TỬ 20
1.3.1. Khái niệm 20
1.3.2. Hạng phức hợp của lắp ráp điện tử 21
1.3.3. Mối liên hệ giữa nghiên cứu thiết kế và lắp ráp điện tử 22
1.3.4. Năm (05) khía cạnh nghiên cứu thiết kế 22
1.3.5. Hai (02) khía cạnh lắp ráp điện tử 23
1.4. DIỄN GIẢI THUẬT NGỮ CỦA SÁCH 25
1.4.1. Công nghệ 25
1.4.2. Kỹ thuật 25
1.4.3. Kỹ thuật lắp ráp điện tử (PCBA) trong nhà máy 25
1.4.4. Quá trình lắp ráp điện tử 25
1.4.5. Các nguồn thông tin, dữ liệu cần thiết cho lắp ráp điện tử 25
Chương 2
LẮP RÁP ĐIỆN TỬ XUYÊN LỖ
2.1. TỔNG QUÁT 26
2.2. LẮP RÁP ĐIỆN TỬ XUYÊN LỖ TỰ ĐỘNG (AI) 30
2.2.1. Gắn con tán (Eyelet) 31
2.2.2. Gắn kẽm nối (Jumper Wire) 34
2.2.3. Gắn linh kiện đồng trục (Axial) 38
2.2.4. Gắn linh kiện bất đối xứng (Radial) 42
2.3. LẮP RÁP ĐIỆN TỬ XUYÊN LỖ BẰNG TAY (HM) 50
2.3.1. Bốn bước cắm tay cơ bản 52
2.3.2. Các loại linh kiện cắm tay 52
2.3.3. Tổ chức thực hiện cắm tay 58
Chương 3
LẮP RÁP ĐIỆN TỬ TRÊN BỀ MẶT
3.1. LẮP RÁP ĐIỆN TỬ TRÊN BỀ MẶT (SMT) 64
3.1.1. Đặt keo dán (dispenser) 65
3.1.2. Đính kem hàn (solder paste deposition) 73
3.1.3. Khuôn in (stencil) các điều kiện và ứng dụng 84
3.1.4. In kem hàn 98
3.1.5. In keo dán 110
3.1.6. Lắp ráp điện tử trên bề mặt (SMT) 112
3.1.7. Kỹ thuật lắp ráp điện tử trên bề mặt (SMT) 117
3.1.8. Ba kỹ thuật lắp ráp điện tử trên bề mặt 133
Chương 4
LẮP RÁP ĐIỆN TỬ HÀN KIM LOẠI
4.1. TỔNG QUÁT 148
4.1.1 Kiểu chân linh kiện xuyên lỗ (Lead Type) 149
4.1.2. Chân/điện cực linh kiện dán (SMD) 156
4.2. CÔNG NGHỆ HÀN BUỒNG NHIỆT 167
4.2.1. Bức xạ tia hồng ngoại (IR Reflow) 168
4.2.2. Đối lưu gió nóng (Convection Reflow) 169
4.2.3. Lò hàn đối lưu và hồng ngoại (IR+Convection Reflow) 169
4.2.4. Thể khí bão hòa nóng (Vapor Phase Reflow) 170
4.3. KỸ THUẬT SẤY VÀ HÀN BUỒNG NHIỆT 171
4.3.1. Reflow với keo dán hay sấy keo dán 171
4.3.2. Reflow với kem hàn 172
4.3.3. Các lỗi phát hiện sau hàn buồng nhiệt 182
4.4. CÔNG NGHỆ HÀN SÓNG 187
4.4.1. Tẩm ướt flux (cho bảng mạch) 188
4.4.2. Hấp nhiệt flux 190
4.4.3. Khí trơ Ni tơ (N2) hỗ trợ hàn 190
4.4.4. Biểu đồ nhiệt máy hàn sóng 191
4.4.5. Hàn nhúng (dip soldering) 192
4.4.6. Hàn sóng lambda (λ) 194
4.4.7. Hàn sóng omega (Ω) 194
4.4.8. Hàn sóng kết hợp lambda (λ) với omega (Ω) 195
4.4.9. Hàn sóng CHIP 195
4.4.10. Hàn sóng theo khu vực dạng thanh 196
4.4.11. Hàn sóng theo khu vực dạng vòi tròn 196
4.5. KỸ THUẬT HÀN SÓNG 196
4.5.1. Băng tải (conveyor) 198
4.5.2. Bộ tẩm ướt flux (fluxer) 198
4.5.3. Hấp nhiệt (preheat) 204
4.5.4. Biểu đồ nhiệt vùng hấp nhiệt (preheating profile) 206
4.5.5. Hàn sóng (solder waves) 207
4.5.6. Hàn sóng CHIP (CHIP wave) 209
4.5.7. Sóng chính (Main wave) 210
4.5.8. Hàn theo khu vực với họng hàn vòi tròn 212
4.5.9. Hàn khu vực với họng hàn dạng thanh (bar)  và hình khác 212
4.5.10. Hàn khu vực với gá đỡ PCB (DIP pallet) 213
4.5.11. Một vài đề nghị căn bản cho thiết kế gá hàn sóng 215
4.5.12. Dao khí nóng (hot air knife) 216
4.5.13. Các lỗi xảy ra trong hàn sóng 220
TÀI LIỆU THAM KHẢO 223
KS. NGUYỄN NGUYÊN HẠ
LẮP RÁP ĐIỆN TỬ
Phần 1: Căn bản
(Tái bản lần thứ nhất có bổ sung và chỉnh sửa)
Chịu trách nhiệm xuất bản
Giám đốc – Tổng Biên tập BÙI MINH CƯỜNG
Chịu trách nhiệm nội dung
TS. NGUYỄN HUY TIẾN
Biên tập lần đầu: TRƯƠNG THANH SƠN
PHẠM THỊ MAI
Biên tập tái bản: LÊ THỊ HỒNG THỦY
Sửa bản in: HỒNG THỦY
Chế bản: HỮU NAM
Họa sĩ bìa: MINH THẢO
NHÀ XUẤT BẢN KHOA HỌC VÀ KỸ THUẬT
70 Trần Hưng Đạo, Hoàn Kiếm, Hà Nội
Ban Biên tập: 024 3942 1132 – 024 3942 3171
TT. Phát hành: 024 3822 0686
Fax: 024 3822 0658 
Website: http://www.nxbkhkt.com.vn  Email: nxbkhkt@hn.vnn.vn
CHI NHÁNH NHÀ XUẤT BẢN KHOA HỌC VÀ KỸ THUẬT
28 Đồng Khởi – Quận 1 – TP. Hồ Chí Minh. ĐT: 028 3822 5062
In 500 bản khổ 14,5 × 20,5cm, tại Công ty TNHH In Tre Xanh.
Địa chỉ: Thôn Quỳnh Đô, xã Vĩnh Quỳnh, huyện Thanh Trì, TP.Hà Nội.
Số xác nhận ĐKXB: 1570-2023/CXBIPH/06-86/KHKT.
Số QĐXB: 116/QĐXB-NXBKHKT ngày 12/07/2023.
In xong và nộp lưu chiểu năm 2023. 
Mã ISBN: 978-604-67-2666-1. 

❓ Hỏi AI về nội dung bài viết

Tóm tắt nội dung chính Gợi ý mục quan trọng Giải thích mục 1 rõ hơn Viết lại đoạn văn cho dễ hiểu Rút gọn văn bản mà vẫn đủ ý Thêm ví dụ minh hoạ cho đoạn 1 Dịch bài viết sang: Tiếng Anh
Nếu bài viết chưa giải đáp hết thắc mắc của bạn, hãy hỏi "Eng. Hạ A/I" – trợ lý thông minh sẵn sàng hỗ trợ ngay trong nội dung bài viết.

🔒 Bạn chỉ được hỏi bằng văn bản. Muốn hỏi kèm ảnh? Hãy nâng cấp tài khoản.

Bạn muốn nâng cấp tài khoản lên hạng VIP để sử dụng không giới hạn các tính năng của chat box AI hãy liên hệ 0938041068 để được hỗ trợ nâng cấp tài khoản.

Leave a Reply

Your email address will not be published. Required fields are marked *